GM Service Manual Online
For 1990-2009 cars only
Makes
🢒
Chevrolet
🢒
2005
🢒
TrailBlazer - 4WD
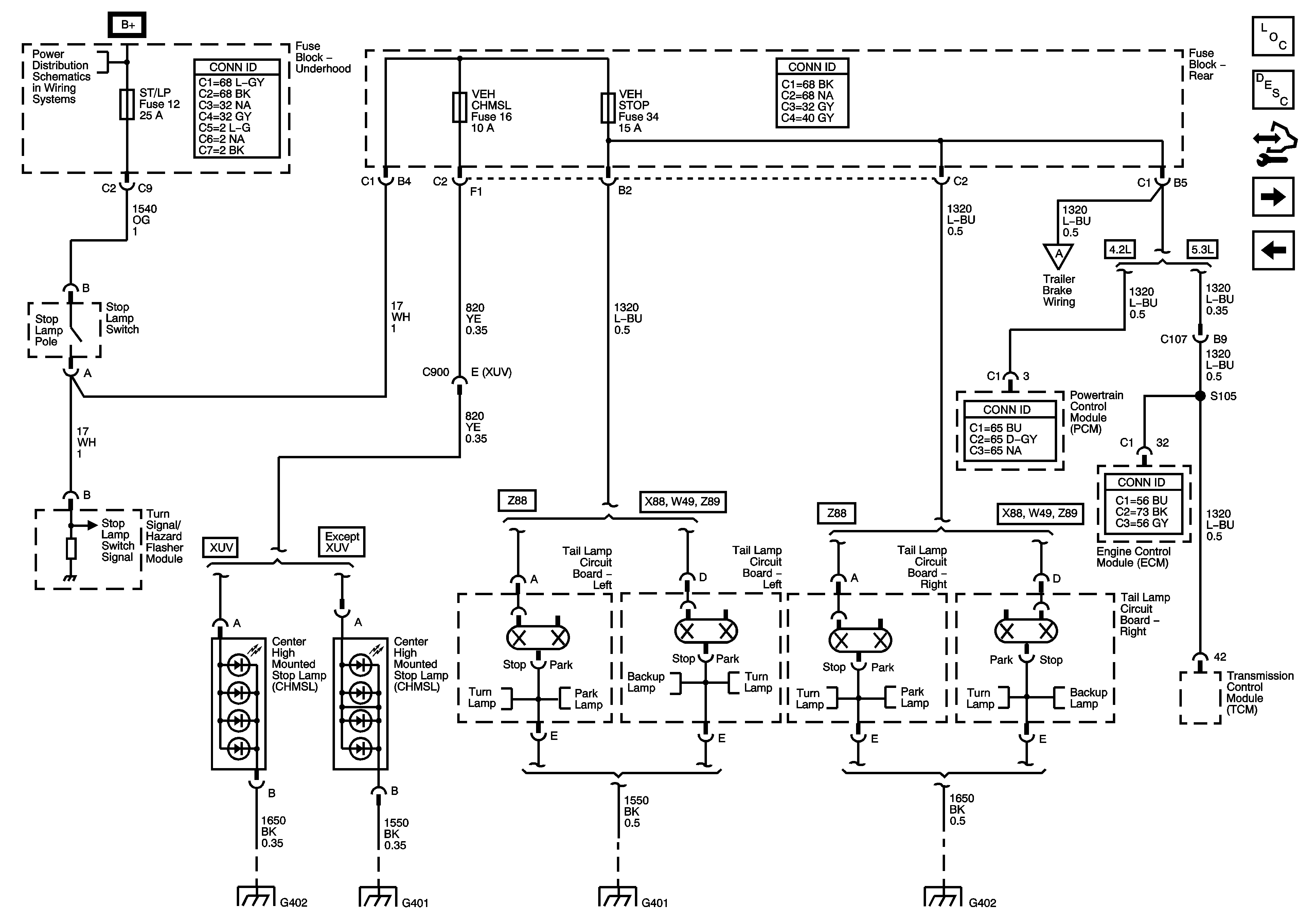
🢒 Stop Lamps
Stop Lamps
Stop Lamps
Master Electrical Component List
Exterior Lighting Systems Description and Operation
Control Module References
Turn Signal/Hazard Controls and Cornering Lamps
Clearance, License, and Rear Park Lamps
B+ Bus - Underhood Fuse Block
Trailer Wiring
Left Turn Signals
Clearance, License, and Rear Park Lamps
Backup Lamps
Left Turn Signals
Right Turn Signals
Backup Lamps
Right Turn Signals
Backup Lamps
G401, G402, G403 - XUV
G401, G402, and G403 - Except XUV
G401, G402, and G403 - Except XUV
G401, G402, and G403 - Except XUV