GM Service Manual Online
For 1990-2009 cars only

SIR Schematics AK5 or AJ7

Figure 1:

Ground, Impact Sensors, Indicator, and Power


Object Number: 1636908  Size: FS
Master Electrical Component List
SIR System Description and Operation
Control Module References
Impact Modules and Pretensioners
SIR Schematic Icons
G102, G113 and G115
ABS, AIRBAG, CRUISE/SWTCH, HVAC/RPA/CRUISE, PCM IGN, and TRANS SOLS Fuses
B+ Bus
Data Link Connector (DLC) Schematics
SIR Schematic Icons
SIR Schematic Icons
SIR Schematic Icons
SIR Schematic Icons
G102, G113 and G115
Occupant Sensing
Occupant Sensing
G302 - 1 of 2
Figure 2:

Impact Modules and Pretensioners


Object Number: 1636909  Size: FS
Master Electrical Component List
SIR System Description and Operation
Control Module References
Occupant Sensing
Ground, Impact Sensors, Indicator, and Power
SIR Schematic Icons
SIR Schematic Icons
SIR Schematic Icons
SIR Schematic Icons
SIR Schematic Icons
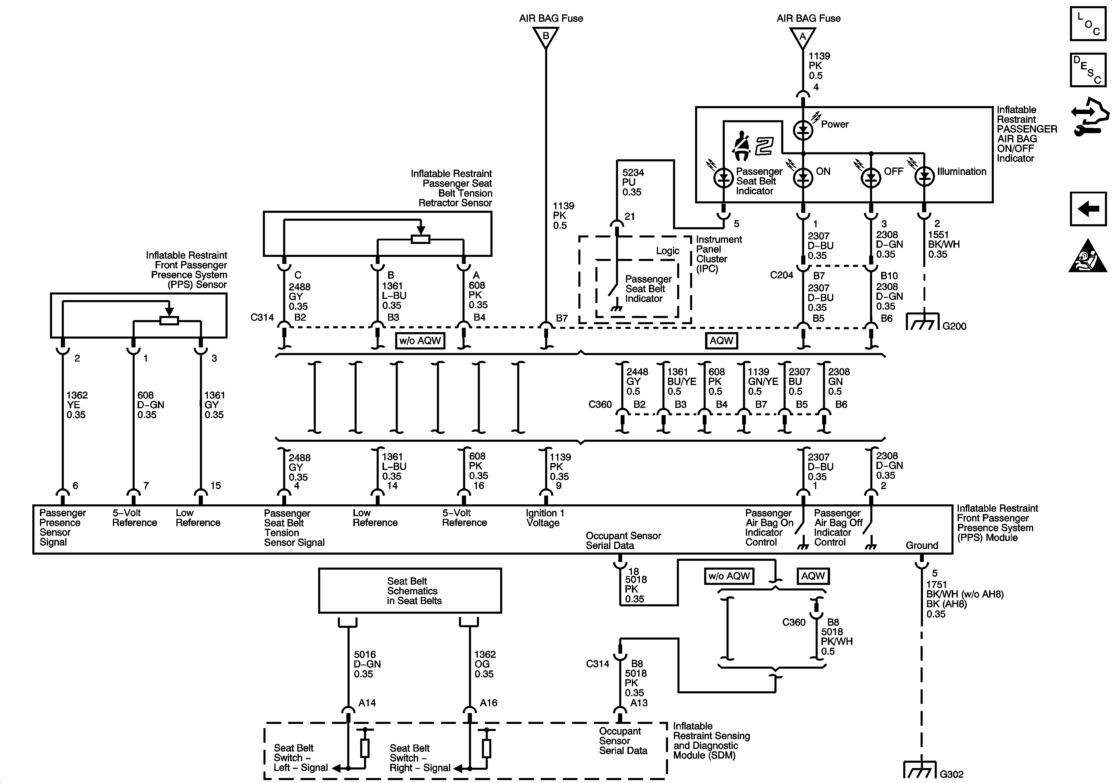
Figure 3:

Occupant Sensing


Object Number: 1636910  Size: FS
Master Electrical Component List
SIR System Description and Operation
Control Module References
Impact Modules and Pretensioners
SIR Schematic Icons
Ground, Impact Sensors, Indicator, and Power
Ground, Impact Sensors, Indicator, and Power
G200 - 2 of 2
Seat Belt Schematics
G302 - 1 of 2

SIR Schematics AW9

Figure 1:

Ground, Impact Sensors, Indicator, and Power


Object Number: 1636911  Size: FS
Master Electrical Component List
SIR System Description and Operation
Control Module References
Impact Modules and Pretensioners
SIR Schematic Icons
B+ Bus
G102, G113 and G115
ABS, AIRBAG, CRUISE/SWTCH, HVAC/RPA/CRUISE, PCM IGN, and TRANS SOLS Fuses
G102, G113 and G115
Occupant Sensing
Occupant Sensing
Data Link Connector (DLC) Schematics
G302 - 1 of 2
SIR Schematic Icons
SIR Schematic Icons
SIR Schematic Icons
SIR Schematic Icons
Figure 2:

Impact Modules and Pretensioners


Object Number: 1636912  Size: FS
Master Electrical Component List
SIR System Description and Operation
Control Module References
Occupant Sensing
Ground, Impact Sensors, Indicator, and Power
SIR Schematic Icons
SIR Schematic Icons
SIR Schematic Icons
SIR Schematic Icons
SIR Schematic Icons
SIR Schematic Icons
SIR Schematic Icons
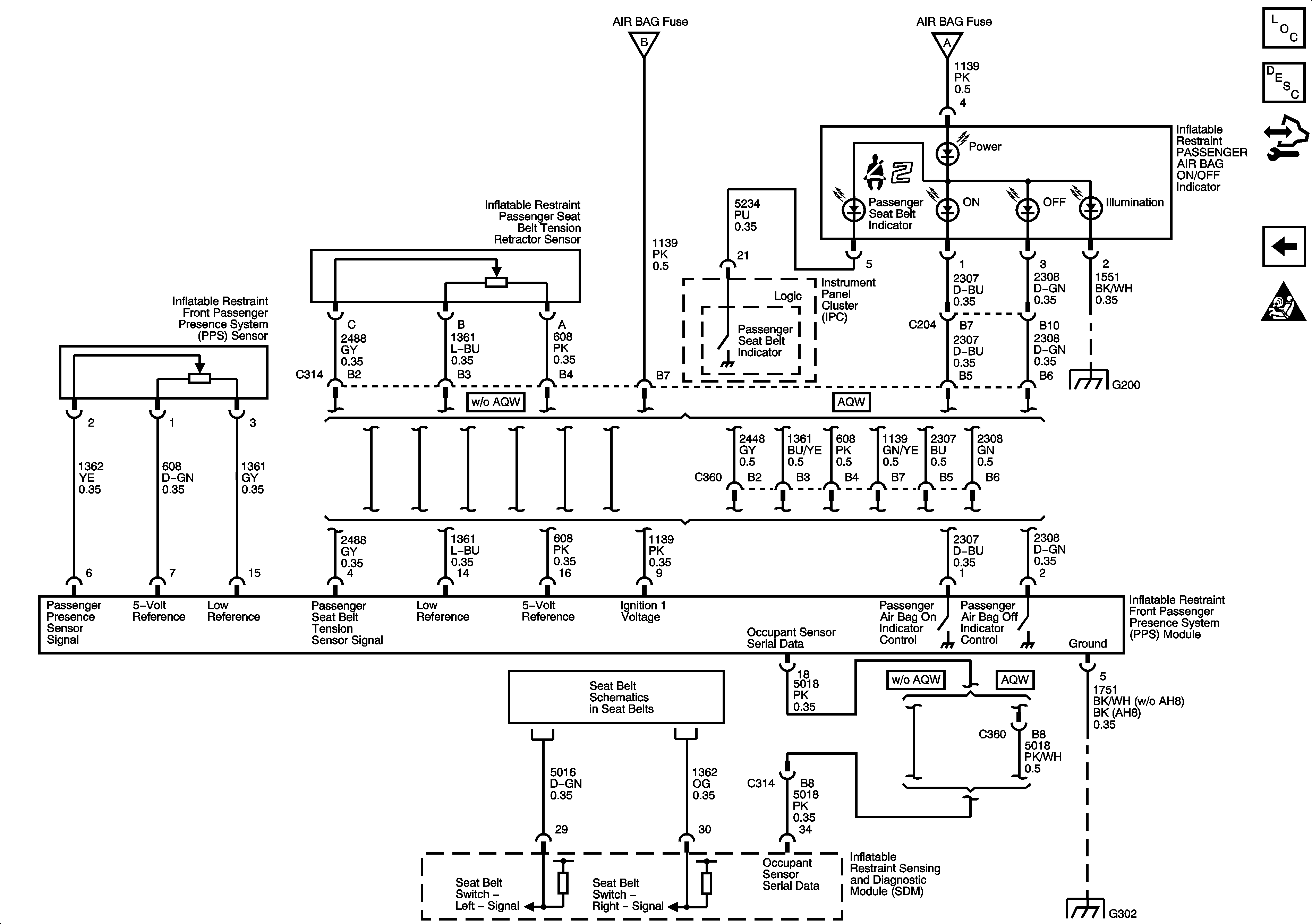
Figure 3:

Occupant Sensing


Object Number: 1636913  Size: FS
Master Electrical Component List
SIR System Description and Operation
Control Module References
Impact Modules and Pretensioners
SIR Schematic Icons
Ground, Impact Sensors, Indicator, and Power
Ground, Impact Sensors, Indicator, and Power
G200 - 2 of 2
Seat Belt Schematics
G302 - 1 of 2