GM Service Manual Online
For 1990-2009 cars only
Makes
🢒
Chevrolet
🢒
1999
🢒
Venture Ext.
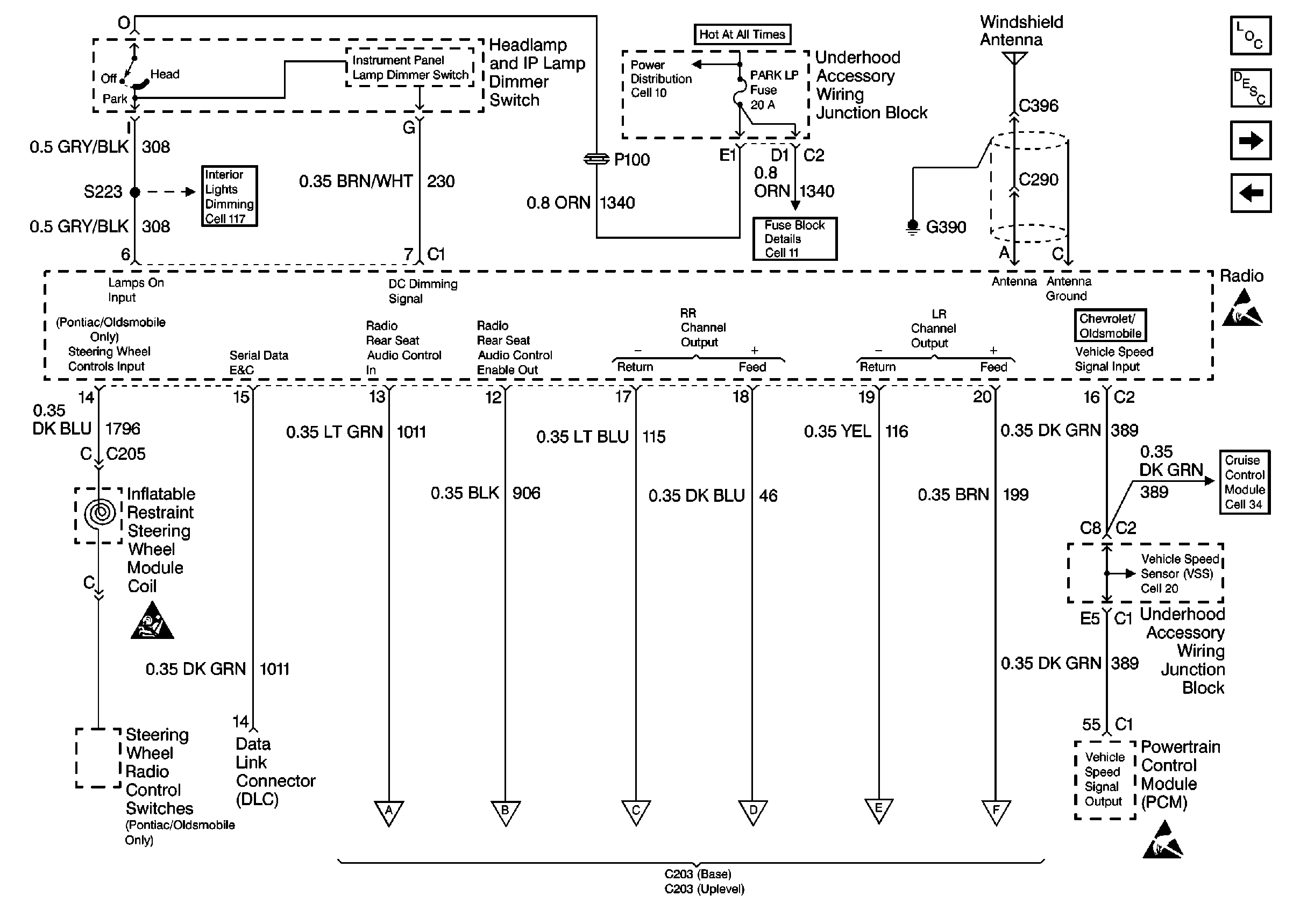
🢒 Cell 150: Windshield Antenna, PCM
Cell 150: Windshield Antenna, PCM
Cell 150: Windshield Antenna, PCM
Entertainment Components
Radio/Audio System Description
Cell 150: Right and Left Radio Liftgate Speaker (Base)
Cell 150: G201
Cell 117: Headlamp and IP Lamp Dimmer Switch, Driver Information Display
Handling ESD Sensitive Parts Notice
Cell 11: UH: ALT Sense, B/U Lamp, ECM Sense, Fog LP, Fuel Pump, Horn and Park LP Fuses
Cruise Control Schematics
Handling ESD Sensitive Parts Notice
SIR Handling Caution
Cell 150: Right and Left Radio Liftgate Speaker (Base)
Cell 150: Right and Left Radio Liftgate Speaker (Uplevel)