GM Service Manual Online
For 1990-2009 cars only
Figure 1:

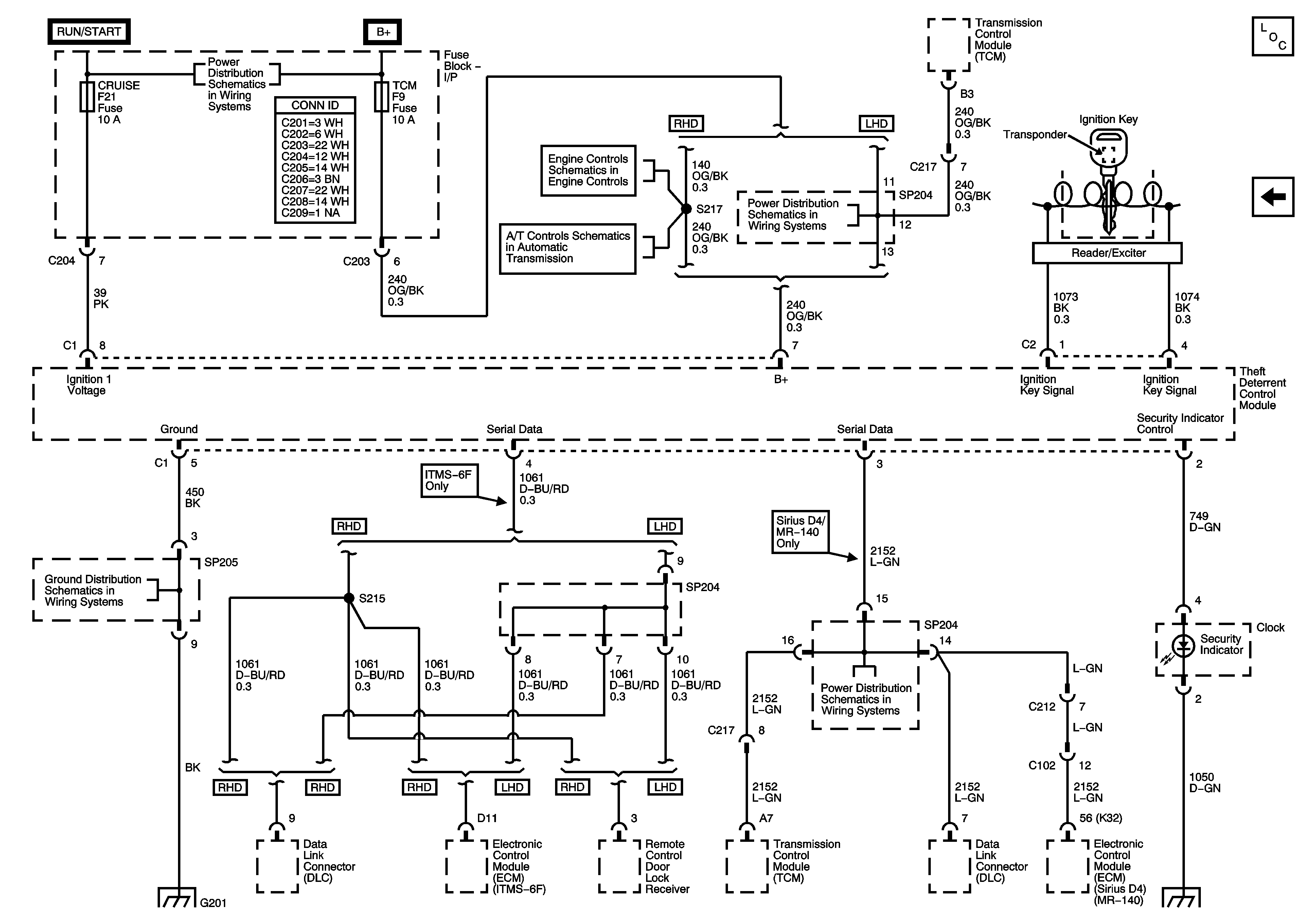
Theft Deterrent (w/o RKE)


Object Number: 1346340  Size: FS
Master Electrical Component List
Theft Deterrent (w/ RKE)
Underhood Fuse Block - Battery Feeds
Cluster (ITMS-6F) - Odometer, Speedometer, Tachometer, Temp, Fuel, Fuel Warning Lamp, Illumination Lamp
Underhood Fuse Block - Battery Feeds
CLUSTER, AIR BAG, TURN SIGNAL, and CRUISE Fuses (LHD)
MR 140 LHD
G201, G202 (LHD)
G201, G202 (LHD)
G201, G202 (LHD)
G102, G101, G106
Turn and Hazard Lamps (LHD)
Figure 2:

Theft Deterrent (w/ RKE)


Object Number: 1413993  Size: FS
Master Electrical Component List
Theft Deterrent
Theft Deterrent (w/o RKE)
Underhood Fuse Block - Battery Feeds
Underhood Fuse Block - Battery Feeds
Underhood Fuse Block - Battery Feeds
CLUSTER, AIR BAG, TURN SIGNAL, and CRUISE Fuses (LHD)
MR 140 LHD
G201, G202 (LHD)
G201, G202 (LHD)
G102, G101, G106
Turn and Hazard Lamps (RHD)
Figure 3:

Theft Deterrent


Object Number: 1346342  Size: FS
Master Electrical Component List
Theft Deterrent (w/ RKE)
Underhood Fuse Block - Battery Feeds
Power, Ground, Serial Data, Malfunction Indicator Lamp (MIL)
Power, Ground, Hold Switch and Data Link Connector (DLC)
IGNITION 1 and IGNITION 2 Fuses (MR-140)
G201, G202 (LHD)
Underhood Fuse Block - Battery Feeds