GM Service Manual Online
For 1990-2009 cars only
Figure 1:

B+ Bus 1 of 2


Object Number: 1843840  Size: FS
Master Electrical Component List
Control Module References
B+ Bus 2 of 2
B+ Bus 2 of 2
Figure 2:

B+ Bus 2 of 2


Object Number: 1843841  Size: FS
Master Electrical Component List
Control Module References
AIRBAG, AMP, BATT 1, BCM, CNSTR/VENT, CSTY, DISPLAY, INADV/PWR/LED, INFOTAINMENT, MSM, POWER MOD, and RADIO Fuses
B+ Bus 1 of 2
B+ Bus 1 of 2
Figure 3:

AIRBAG, AMP, BATT 1, BCM, CNSTR/VENT, CSTY, DISPLAY, INADV/PWR/LED, INFOTAINMENT, MSM, POWER MOD, and RADIO Fuses


Object Number: 1843842  Size: FS
Master Electrical Component List
Control Module References
BATT 2, BCK/UP/STOP, HTD/SEAT, LT/TRN/SIG, PDM, PWR/MIRRORS, and RT/TRN/SIG Fuses, LT/PWR/SEAT, PWR/COLUMN, and RT/PWR/SEAT Circuit Breakers
B+ Bus 2 of 2
B+ Bus 1 of 2
Ignition Switch and AIRBAG, PCM IGN, RR CAMERA, and TRANS Fuses
Power and Grounding Schematic Icons
Figure 4:

BATT 2, BCK/UP/STOP, HTD/SEAT, LT/TRN/SIG, PDM, PWR/MIRRORS, and RT/TRN/SIG Fuses, LT/PWR/SEAT, PWR/COLUMN, and RT/PWR/SEAT Circuit Breakers


Object Number: 1843843  Size: FS
Master Electrical Component List
Control Module References
BATT 3, DRL, DRL 2, DR/LCK, FRT/WSW, HVAC, and REAR WIPER Fuses, PWR/WNDW Circuit Breaker
AIRBAG, AMP, BATT 1, BCM, CNSTR/VENT, CSTY, DISPLAY, INADV/PWR/LED, INFOTAINMENT, MSM, POWER MOD, and RADIO Fuses
B+ Bus 1 of 2
Figure 5:

BATT 3, DRL, DRL 2, DR/LCK, FRT/WSW, HVAC, and REAR WIPER Fuses, PWR/WNDW Circuit Breaker


Object Number: 1843844  Size: FS
Master Electrical Component List
Control Module References
ABS MTR, ABS MTR, AWD, ECM, HTD WASH, HVAC BLWR, PWR L/GATE, PWR OUTLET, RR APO, RR HVAC, S/ROOF/SUNSHADE and TCM Fuses
BATT 2, BCK/UP/STOP, HTD/SEAT, LT/TRN/SIG, PDM, PWR/MIRRORS, and RT/TRN/SIG Fuses, LT/PWR/SEAT, PWR/COLUMN, and RT/PWR/SEAT Circuit Breakers
B+ Bus 1 of 2
Figure 6:

ABS MTR, ABS MTR, AWD, ECM, HTD WASH, HVAC BLWR, PWR L/GATE, PWR OUTLET, RR APO, RR HVAC, S/ROOF/SUNSHADE and TCM Fuses


Object Number: 1843845  Size: FS
Master Electrical Component List
Control Module References
AFS, AUX PWR, HTD MIR, RR DEFOG, RVC SNSR, TRLR BRK and TRLR PWR Fuses
BATT 3, DRL, DRL 2, DR/LCK, FRT/WSW, HVAC, and REAR WIPER Fuses, PWR/WNDW Circuit Breaker
B+ Bus 1 of 2
Figure 7:

AFS, AUX PWR, HTD MIR, RR DEFOG, RVC SNSR, TRLR BRK and TRLR PWR Fuses


Object Number: 1843846  Size: FS
Master Electrical Component List
Control Module References
Ignition Switch and AIRBAG, PCM IGN, RR CAMERA, and TRANS Fuses
ABS MTR, ABS MTR, AWD, ECM, HTD WASH, HVAC BLWR, PWR L/GATE, PWR OUTLET, RR APO, RR HVAC, S/ROOF/SUNSHADE and TCM Fuses
B+ Bus 1 of 2
Figure 8:

Ignition Switch and AIRBAG, PCM IGN, RR CAMERA, and TRANS Fuses


Object Number: 1843847  Size: FS
Master Electrical Component List
Control Module References
ECM 1, EVEN COILS, and ODD COILS Fuses
AFS, AUX PWR, HTD MIR, RR DEFOG, RVC SNSR, TRLR BRK and TRLR PWR Fuses
AIRBAG, AMP, BATT 1, BCM, CNSTR/VENT, CSTY, DISPLAY, INADV/PWR/LED, INFOTAINMENT, MSM, POWER MOD, and RADIO Fuses
B+ Bus 1 of 2
Controls, I/P, and Steering Wheel LEDs
Controls, I/P, and Steering Wheel LEDs
Power and Grounding Schematic Icons
Power and Grounding Schematic Icons
Figure 9:

ECM 1, EVEN COILS, and ODD COILS Fuses


Object Number: 1843848  Size: FS
Master Electrical Component List
Control Module References
EMISSION 1 and EMISSION 2 Fuse
Ignition Switch and AIRBAG, PCM IGN, RR CAMERA, and TRANS Fuses
B+ Bus 2 of 2
EMISSION 1 and EMISSION 2 Fuse
Figure 10:

EMISSION 1 and EMISSION 2 Fuses


Object Number: 1843849  Size: FS
Master Electrical Component List
Control Module References
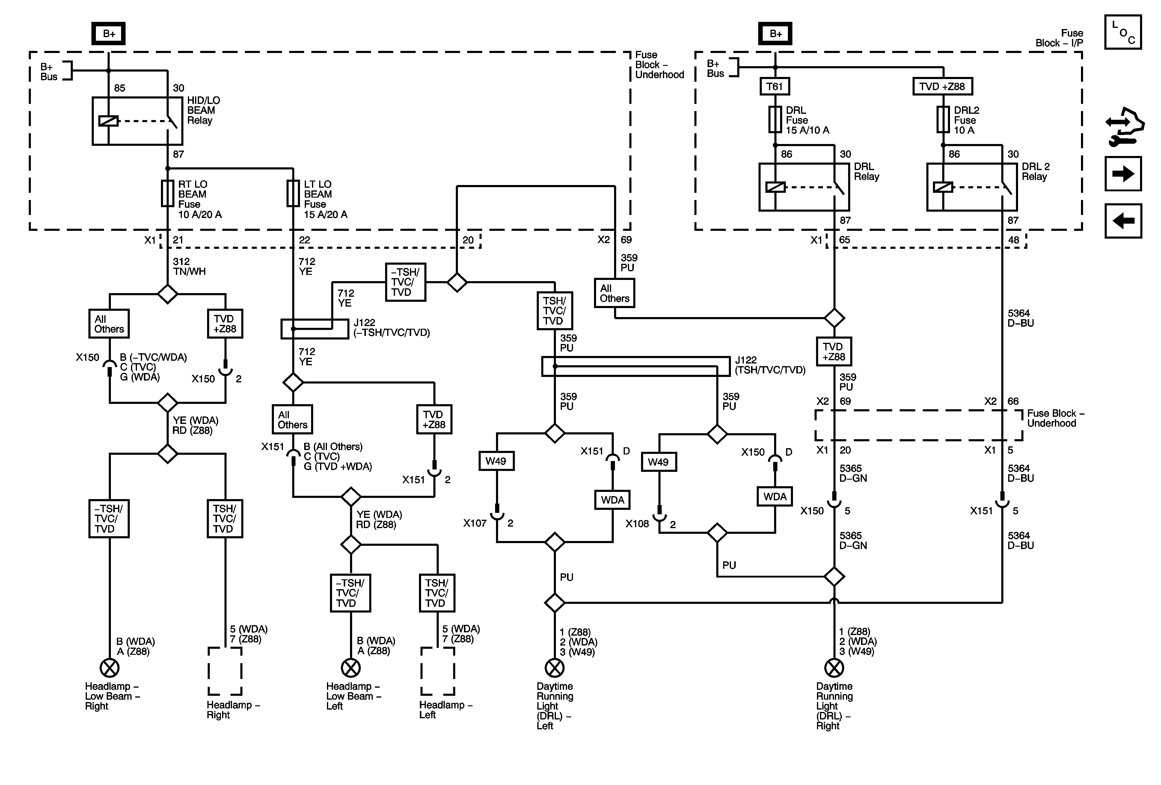
DRL, DRL 2, LT LO BEAM, and RT LO BEAM Fuses
ECM 1, EVEN COILS, and ODD COILS Fuses
ECM 1, EVEN COILS, and ODD COILS Fuses
Figure 11:

DRL, DRL 2, LT LO BEAM, and RT LO BEAM Fuses


Object Number: 1843850  Size: FS
Master Electrical Component List
Control Module References
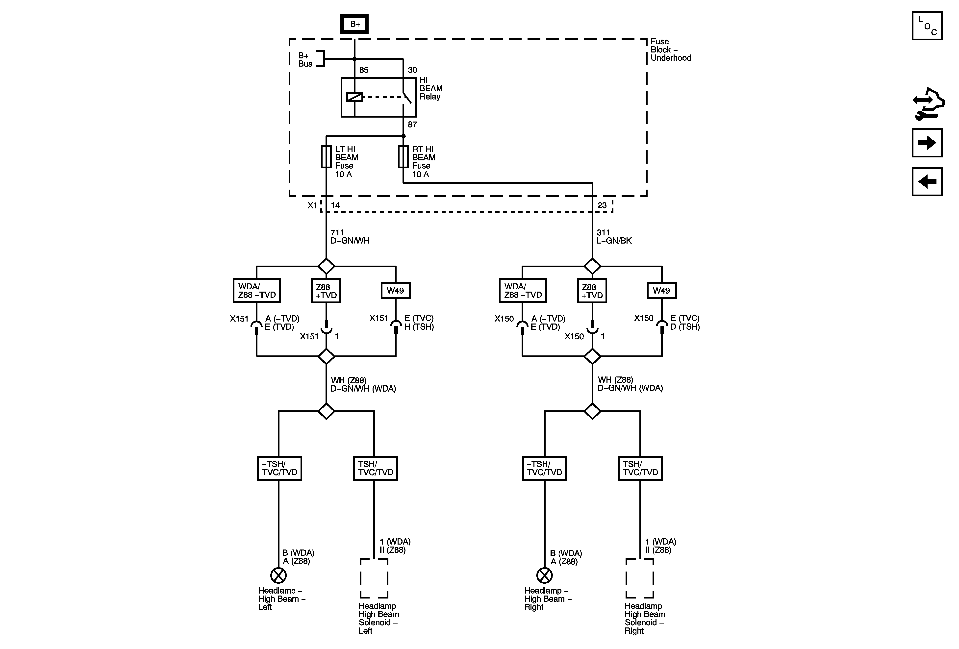
LT HI BEAM and RT HI BEAM Fuses
EMISSION 1 and EMISSION 2 Fuse
B+ Bus 1 of 2
Figure 12:

LT HI BEAM and RT HI BEAM Fuses


Object Number: 1843851  Size: FS
Master Electrical Component List
Control Module References
LT PRK Fuse
DRL, DRL 2, LT LO BEAM, and RT LO BEAM Fuses
B+ Bus 1 of 2
Figure 13:

LT PRK Fuse


Object Number: 1843852  Size: FS
Master Electrical Component List
Control Module References
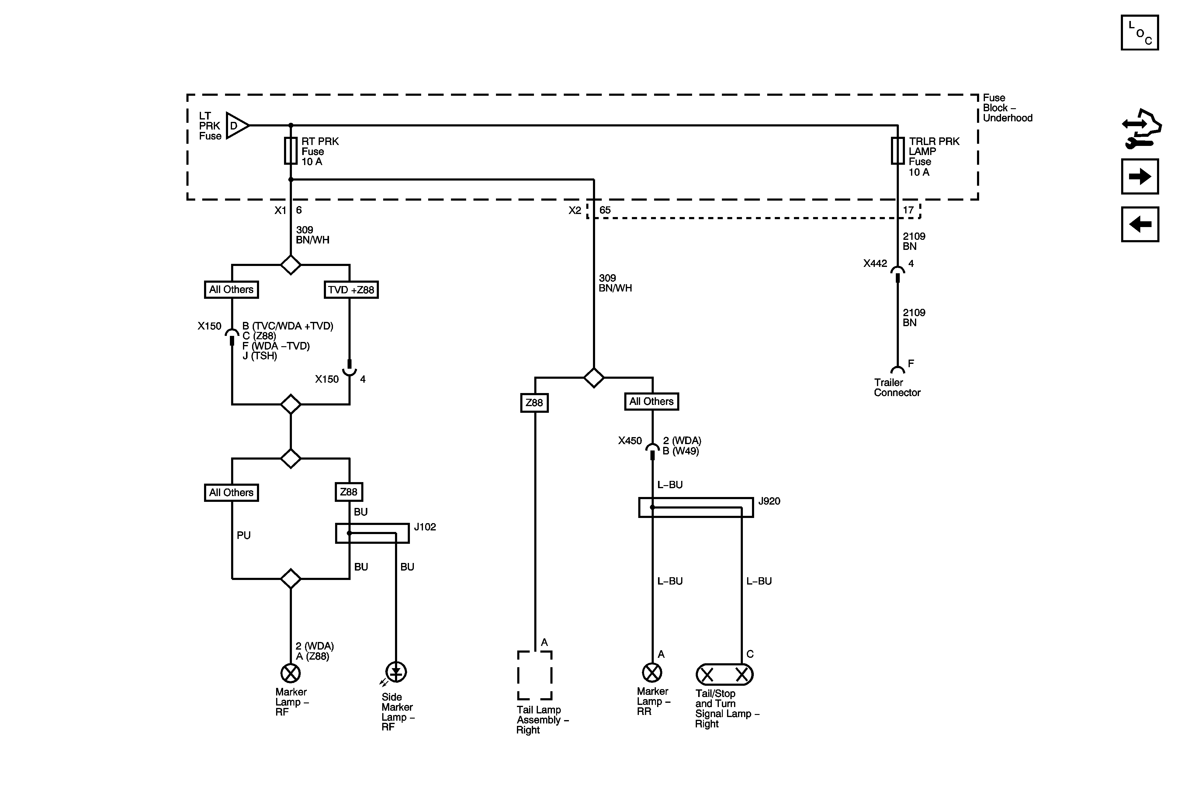
RT PRK and TRLR PRK LAMP Fuses
LT HI BEAM and RT HI BEAM Fuses
B+ Bus 2 of 2
RT PRK and TRLR PRK LAMP Fuses
Figure 14:

RT PRK and TRLR PRK LAMP Fuses


Object Number: 1843853  Size: FS
Master Electrical Component List
Control Module References
LT TRLR STOP/TRN, TRLR BCK/UP, and RT TRLR STOP/TRN Fuses
LT PRK Fuse
LT PRK Fuse
Figure 15:

LT TRLR STOP/TRN, TRLR BCK/UP, and RT TRLR STOP/TRN Fuses


Object Number: 1843854  Size: FS
Master Electrical Component List
Control Module References
RT PRK and TRLR PRK LAMP Fuses
B+ Bus 2 of 2