GM Service Manual Online
For 1990-2009 cars only
Makes
🢒
GMC_Truck
🢒
2007
🢒
Acadia - 2WD
🢒
Diagnostic Navigation
🢒
Vehicle Diagnostic Information
🢒 Remote Function Schematics
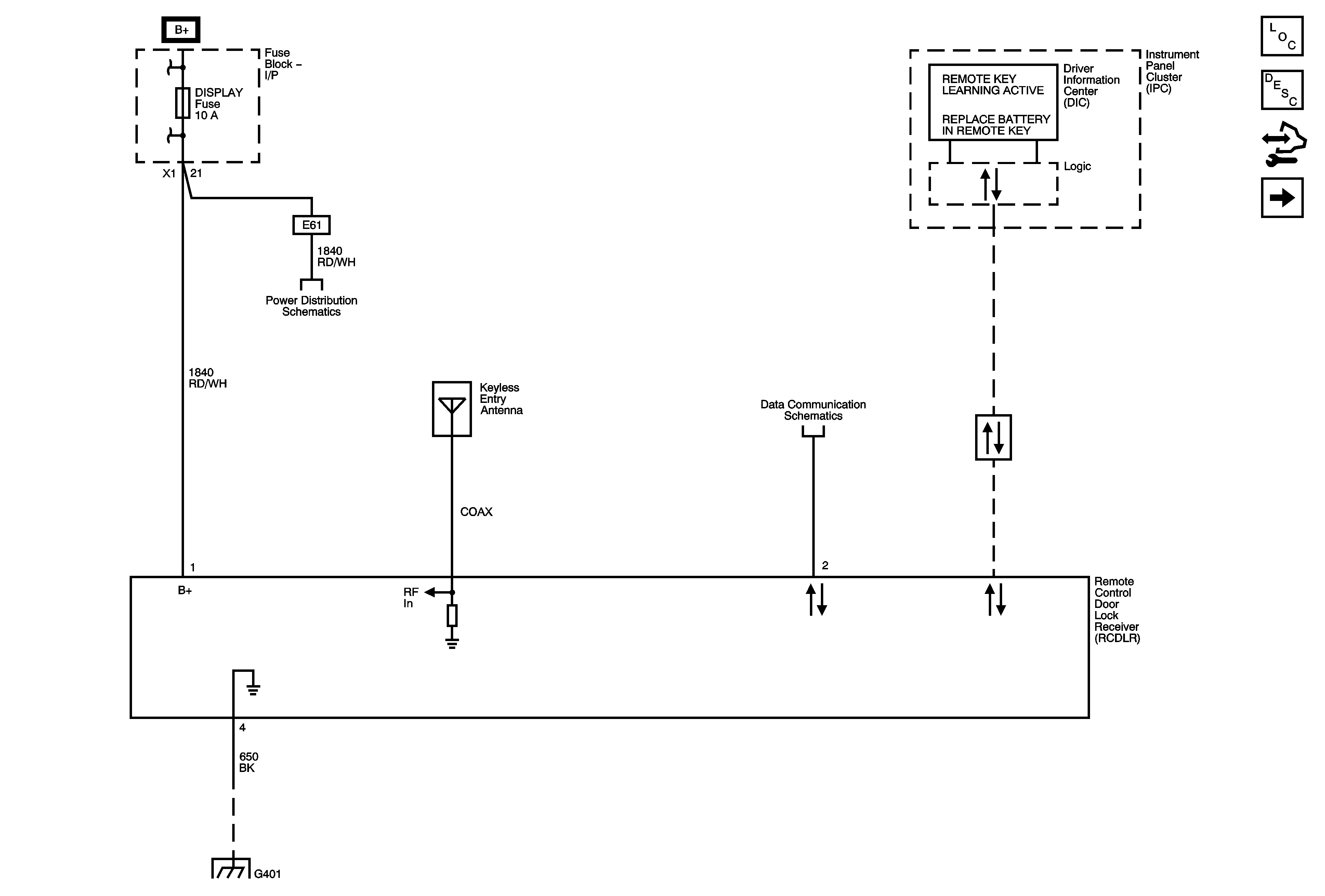
Figure
1:
Keyless Entry - AP3/AP8
Master Electrical Component List
Keyless Entry System Description and Operation
Control Module References
Garage Door Opener - UG1
AIRBAG, AMP, BATT 1, BCM, CNSTR/VENT, CSTY, DISPLAY, INADV/PWR/LED, INFOTAINMENT, MSM, POWER MOD, and RADIO Fuses
AIRBAG, AMP, BATT 1, BCM, CNSTR/VENT, CSTY, DISPLAY, INADV/PWR/LED, INFOTAINMENT, MSM, POWER MOD, and RADIO Fuses
Data Communication Schematics
Data Communication Schematics
G401 1 of 2
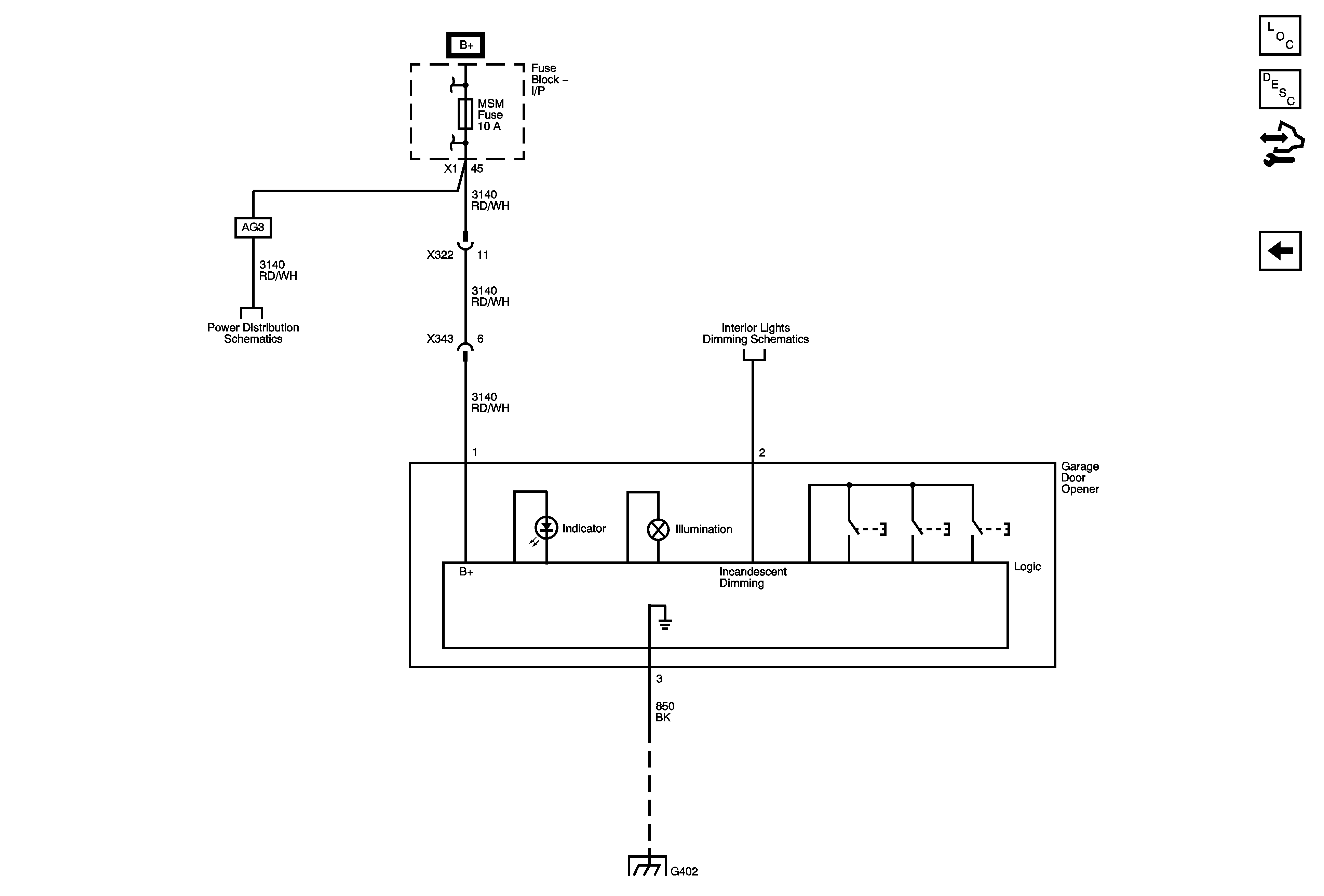
Figure
2:
Garage Door Opener - UG1
Master Electrical Component List
Garage Door Opener Description and Operation
Control Module References
Keyless Entry - AP3/AP8
AIRBAG, AMP, BATT 1, BCM, CNSTR/VENT, CSTY, DISPLAY, INADV/PWR/LED, INFOTAINMENT, MSM, POWER MOD, and RADIO Fuses
Console, I/P, Passenger Door, and Roof Lamp
G402 1 of 2