GM Service Manual Online
For 1990-2009 cars only
Makes
🢒
GMC_Truck
🢒
2007
🢒
Acadia - 2WD
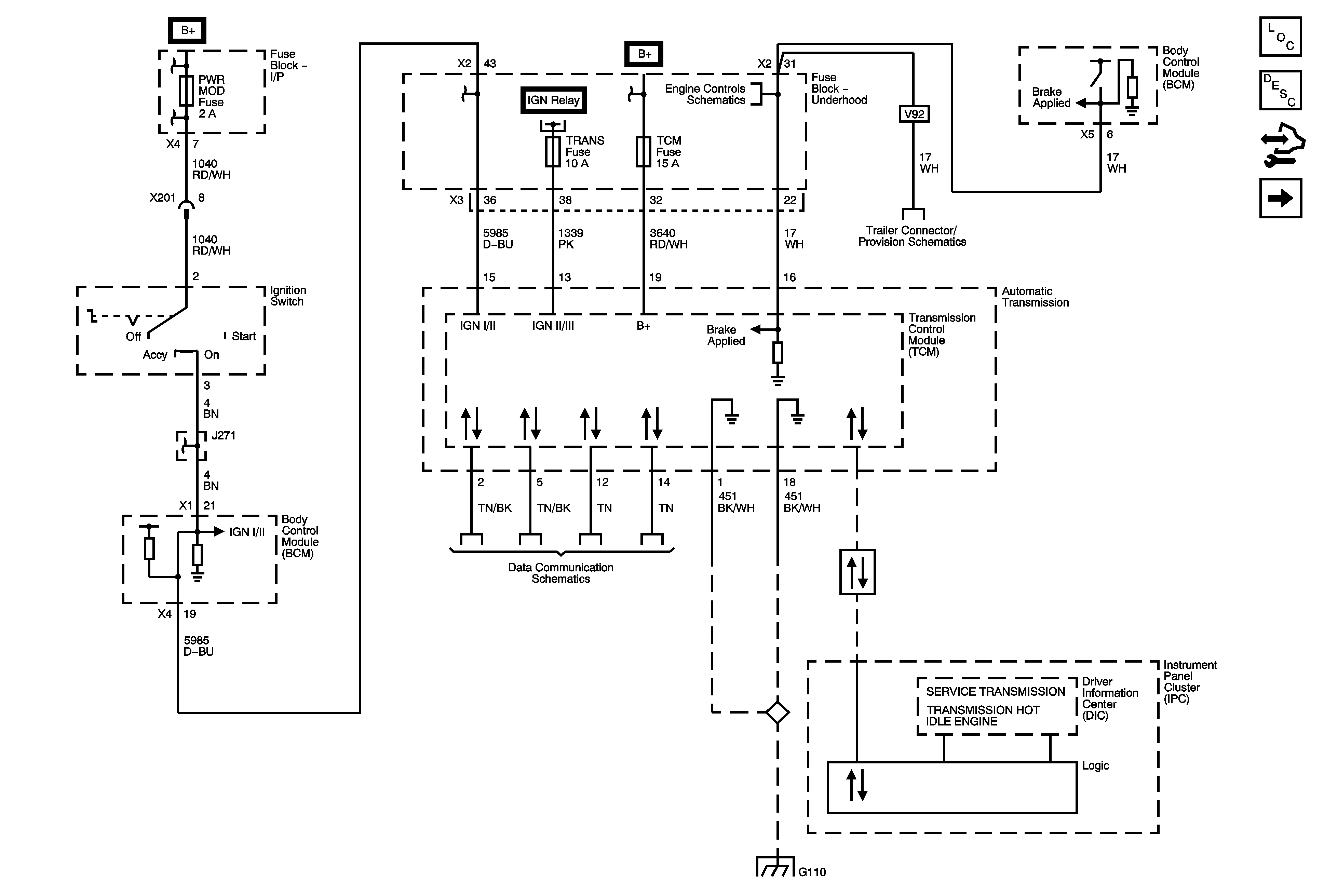
🢒 Module Power, Ground, Data Communication, MIL and Brake Applied Signal
Module Power, Ground, Data Communication, MIL and Brake Applied Signal
Module Power, Ground, Data Communication, MIL and Brake Applied Signal
Master Electrical Component List
Electronic Component Description
Control Module References
Pressure Controls and Shift Controls
AIRBAG, AMP, BATT 1, BCM, CNSTR/VENT, CSTY, DISPLAY, INADV/PWR/LED, INFOTAINMENT, MSM, POWER MOD, and RADIO Fuses
B+ Bus 2 of 2
B+ Bus 1 of 2
Engine Data Sensors - Pressure, Temperature, and Extended Brake Travel
Blunt Cuts - V92
Data Communication Schematics
Data Communication Schematics
G105 and G110