GM Service Manual Online
For 1990-2009 cars only
Makes
🢒
GMC_Truck
🢒
2007
🢒
Acadia - 2WD
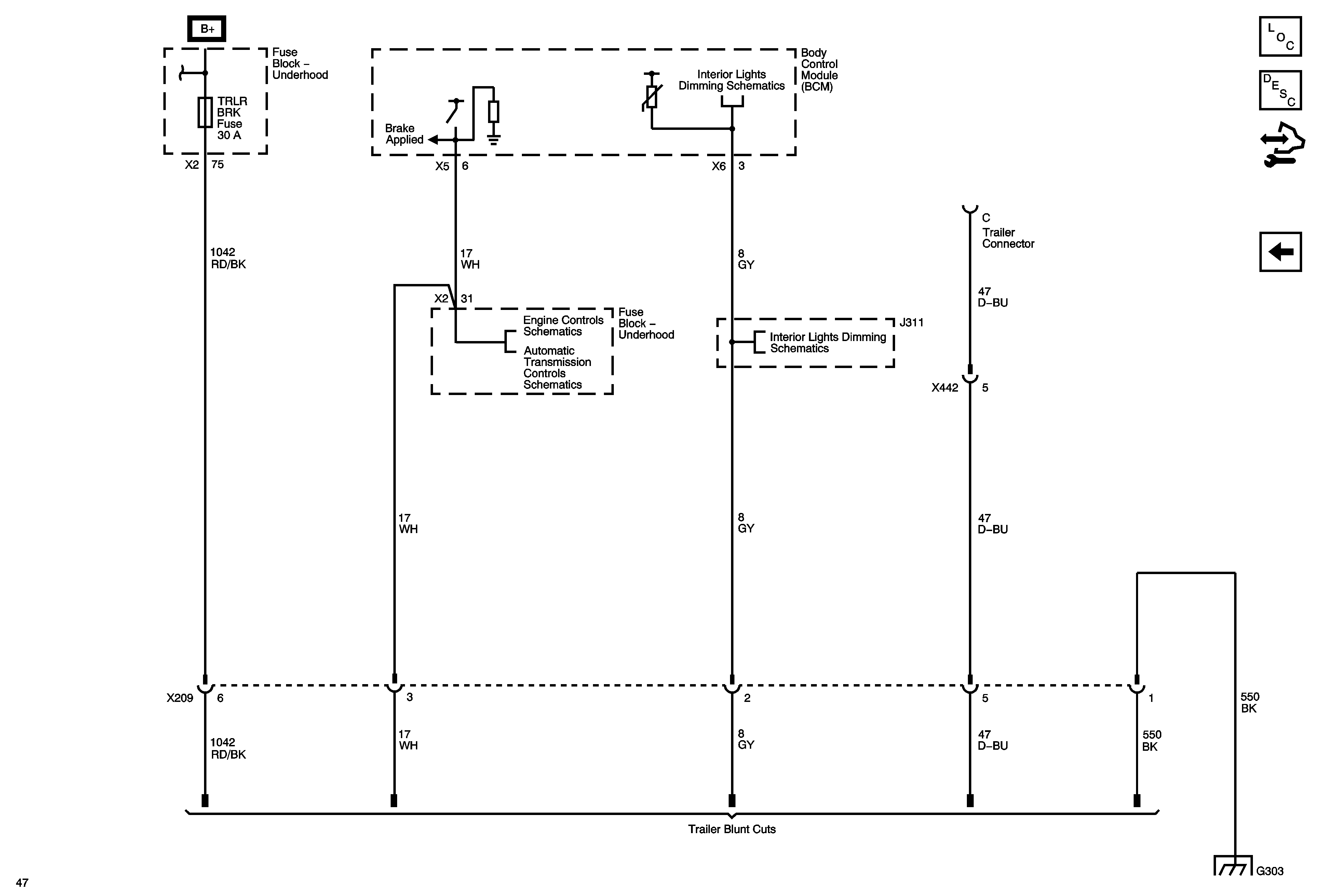
🢒 Blunt Cuts - V92
Blunt Cuts - V92
Blunt Cuts - V92
Master Electrical Component List
Exterior Lighting Systems Description and Operation
Control Module References
Trailer Connector
B+ Bus 1 of 2
Engine Data Sensors - Pressure, Temperature, and Extended Brake Travel
Module Power, Ground, Data Communication, MIL and Brake Applied Signal
Console, I/P, Passenger Door, and Roof Lamp
G303 1 of 2