GM Service Manual Online
For 1990-2009 cars only
Makes
🢒
GMC_Truck
🢒
2007
🢒
Acadia - 2WD
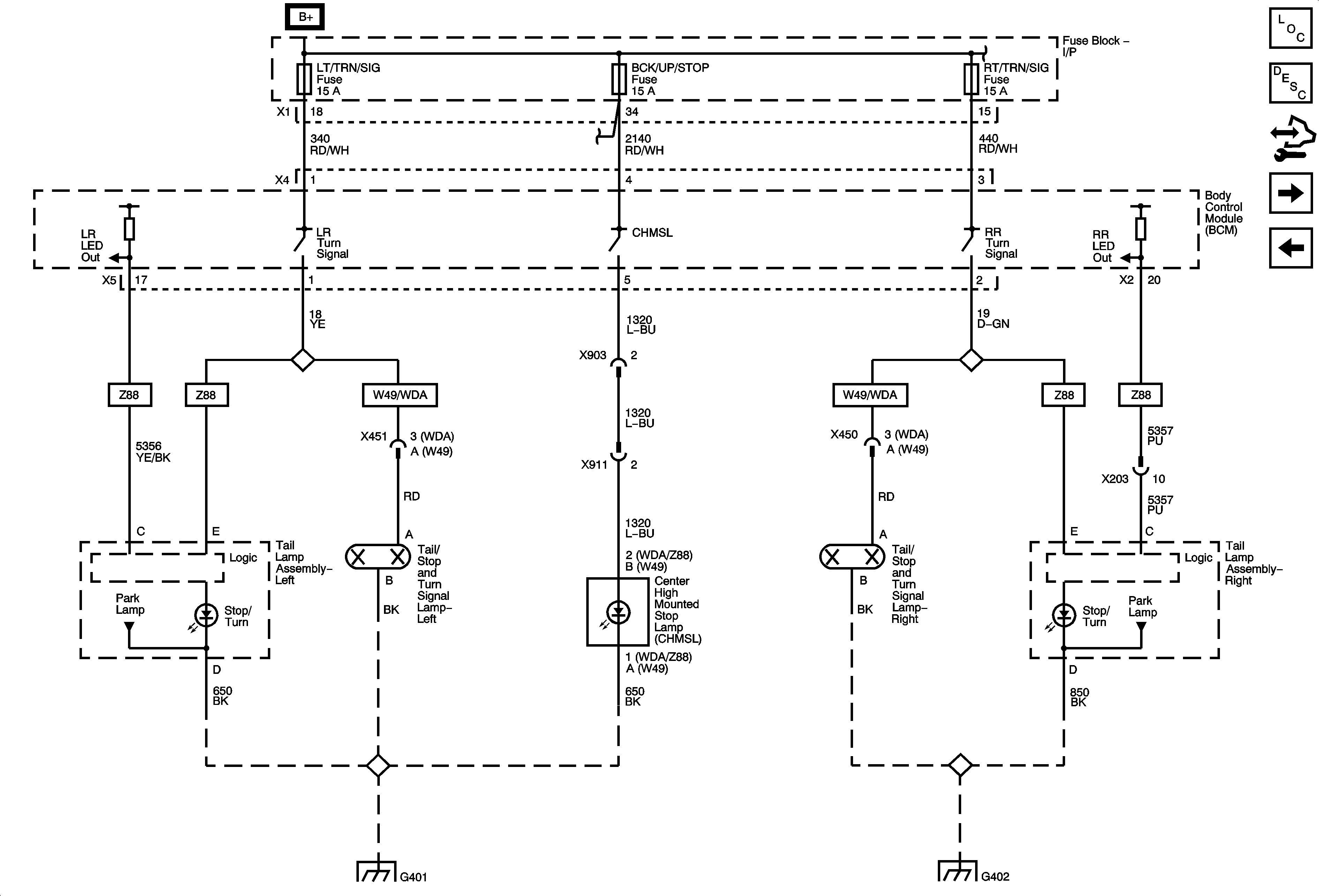
🢒 Rear Turn/Stop Lamps and CHMSL
Rear Turn/Stop Lamps and CHMSL
Rear Turn/Stop Lamps and CHMSL
Master Electrical Component List
Exterior Lighting Systems Description and Operation
Control Module References
Back Up Lamps
Front Turn Lamps and Outside Mirrors
Left Park Lamps
Park Lamp Control and Right Park Lamps
G401 1 of 2
G402 1 of 2