GM Service Manual Online
For 1990-2009 cars only
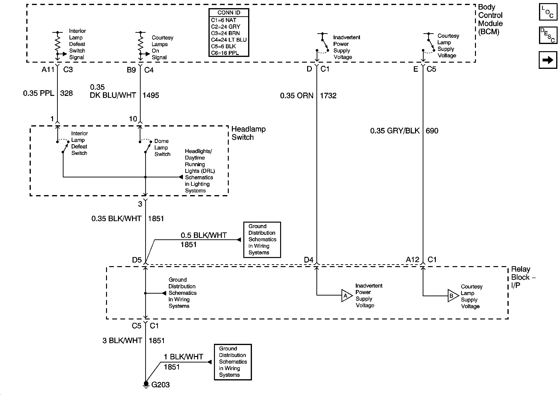
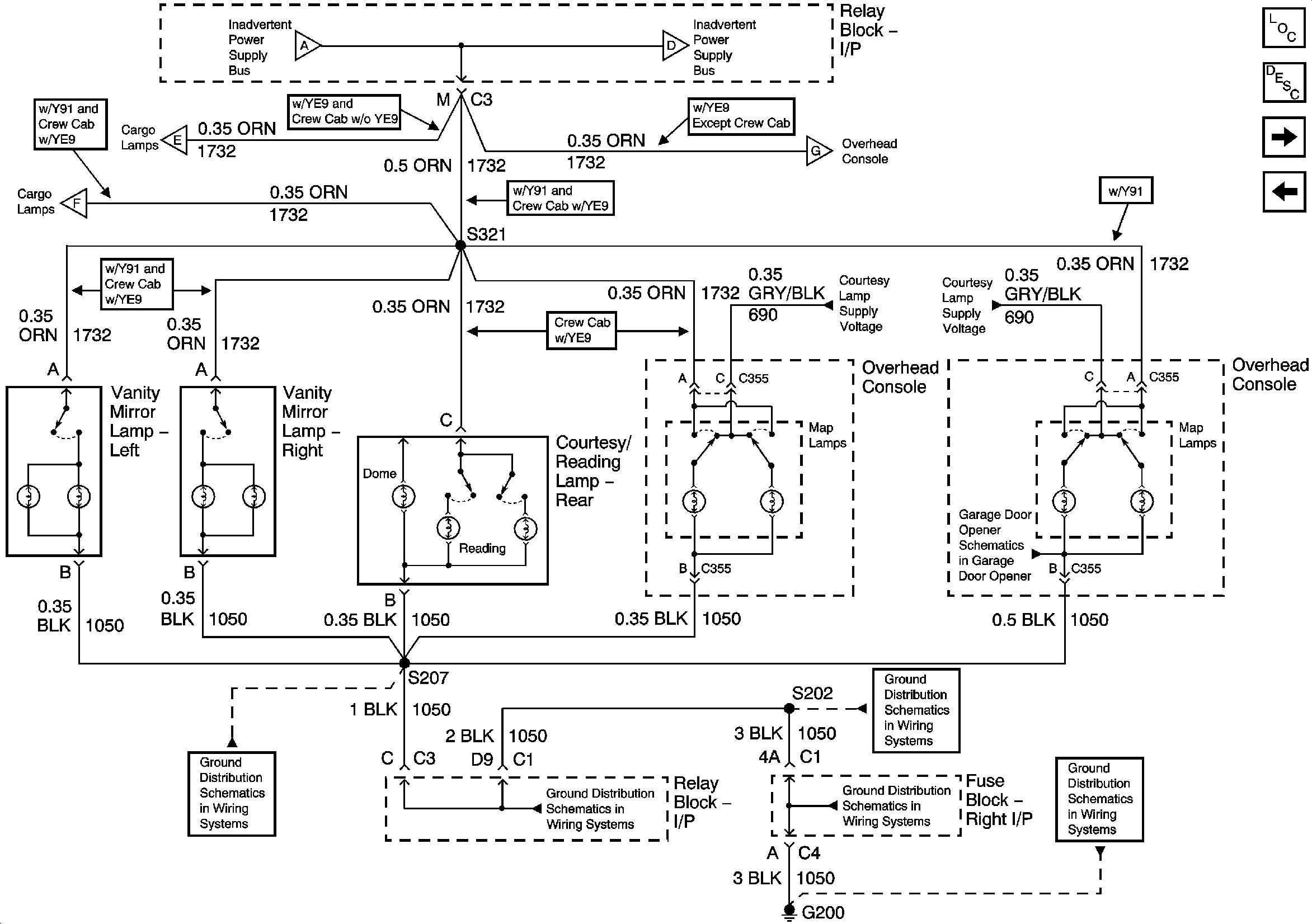
Figure 1:

Inadvertent Power Supply Voltage - 1 of 4 and Courtesy Lamp Supply Voltage - 1 of 4


Object Number: 870663  Size: FS
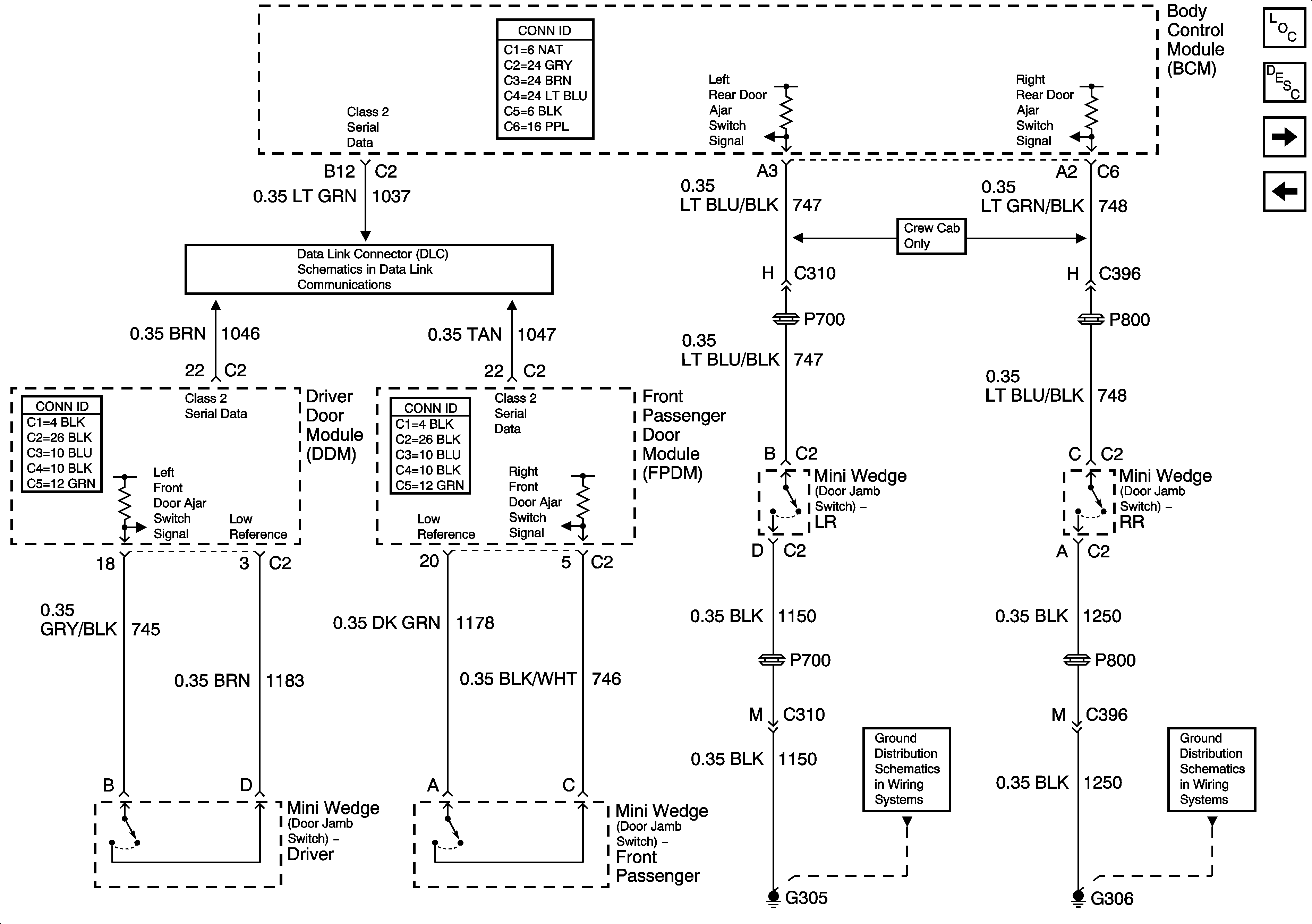
Master Electrical Component List
Interior Lighting Systems Description and Operation
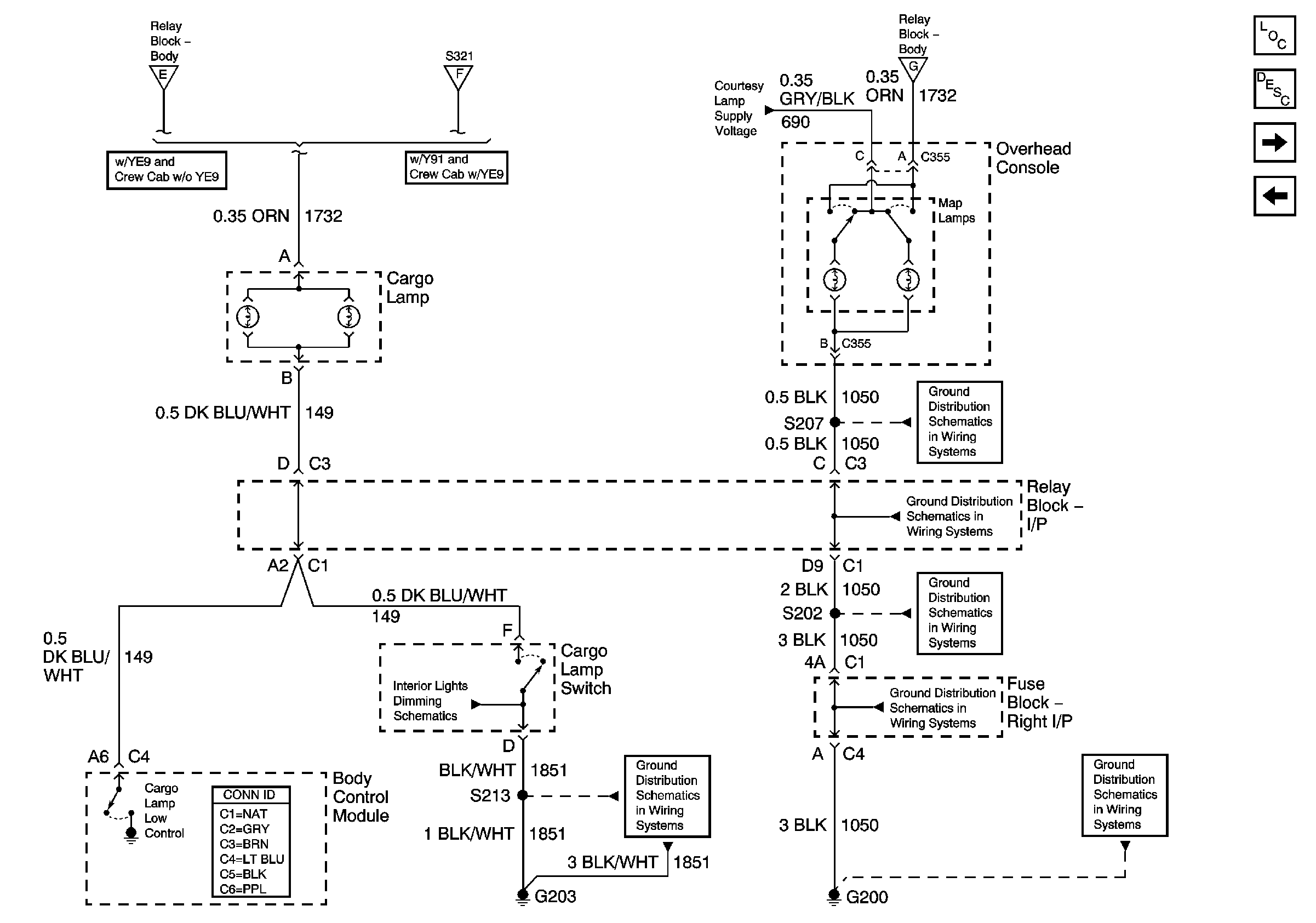
Inadvertent Power Supply Voltage - 2 of 4
Headlights/DRL Control
G203-2 of 3
G203-1 of 3
G203-1 of 3
Inadvertent Power Supply Voltage - 2 of 4
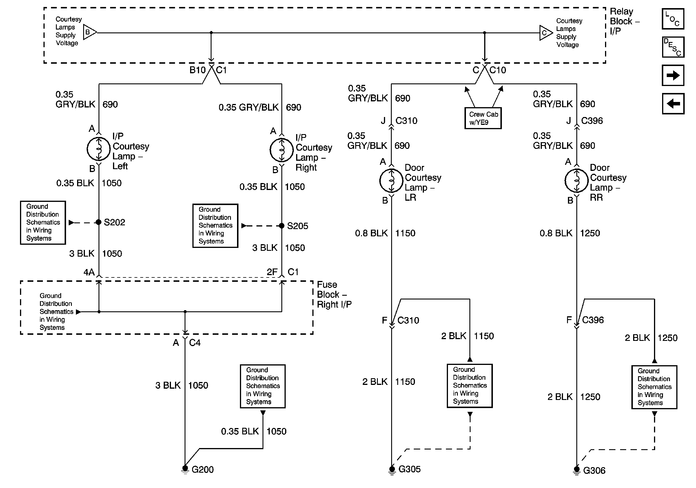
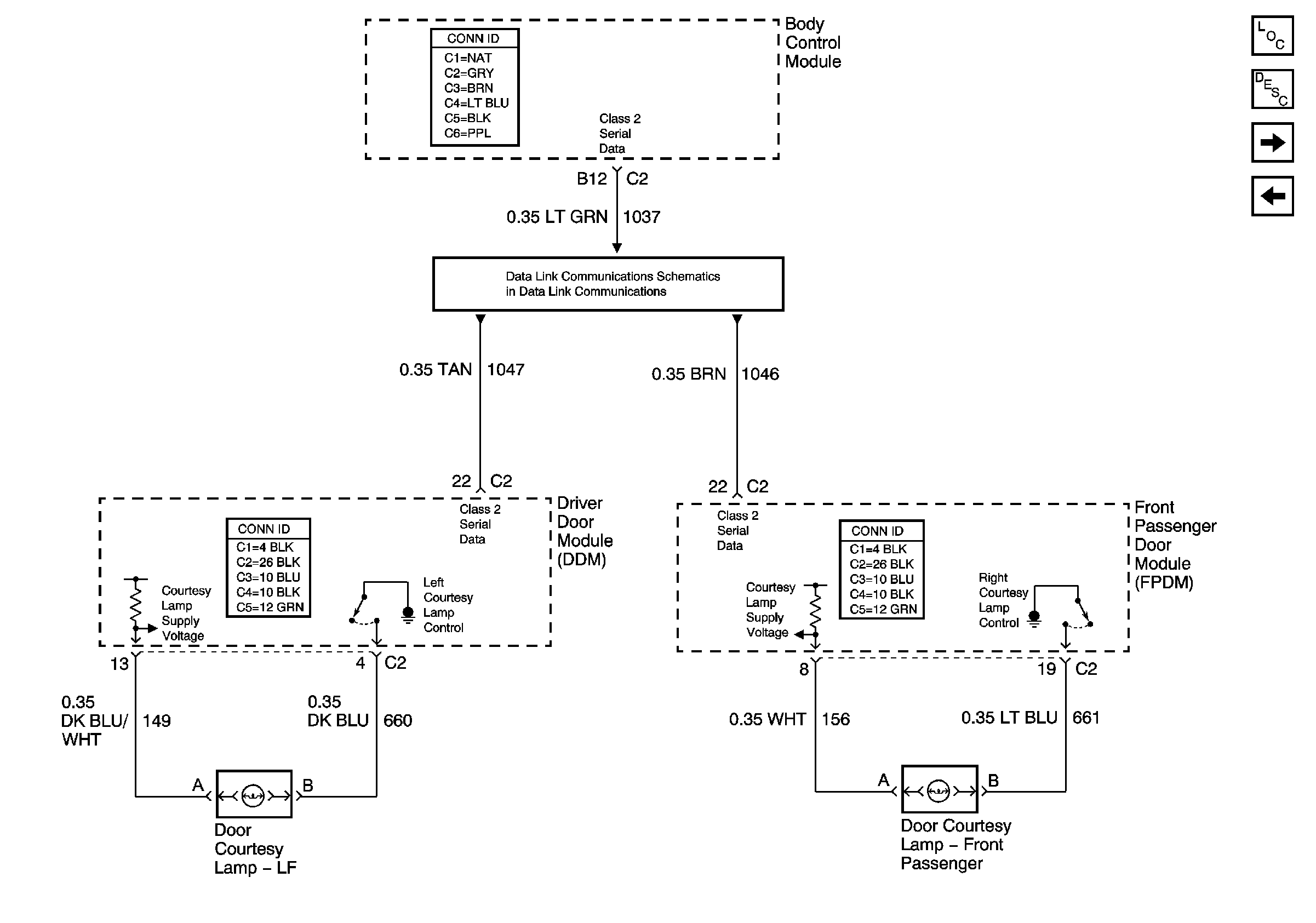
Courtesy Lamp Supply Voltage - 2 of 4
Figure 2:

Inadvertent Power Supply Voltage - 2 of 4


Object Number: 870665  Size: FS
Master Electrical Component List
Interior Lighting Systems Description and Operation
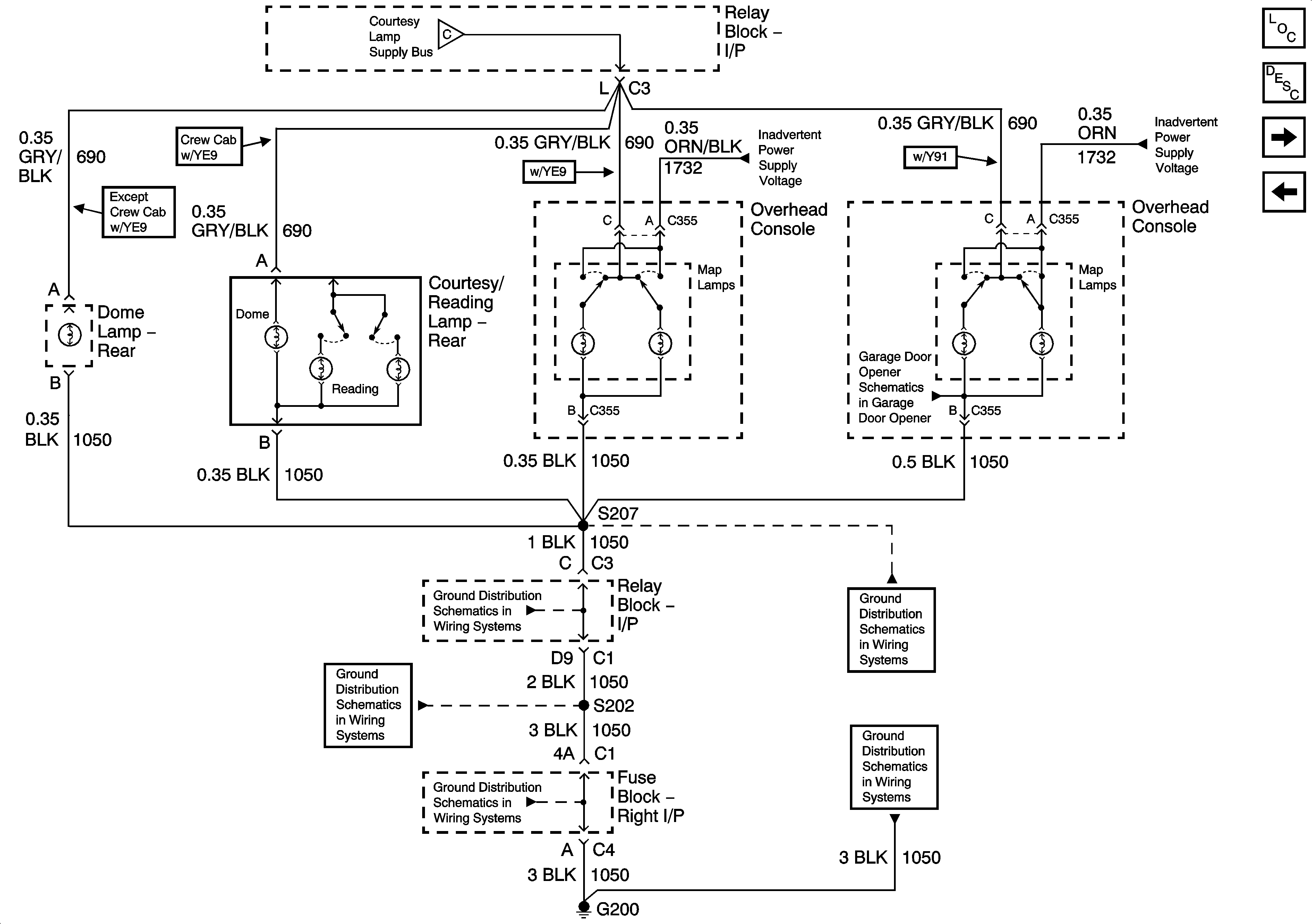
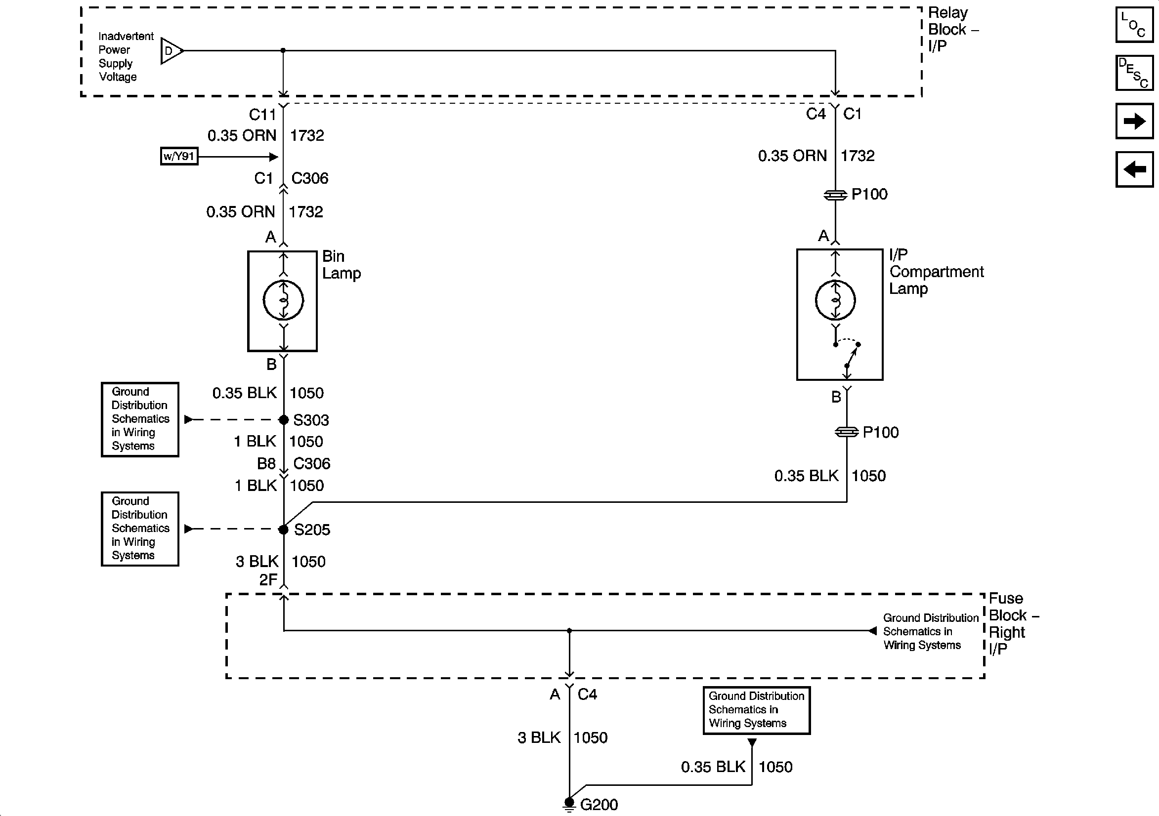
Inadvertent Power Supply Voltage - 3 of 4
Inadvertent Power Supply Voltage - 1 of 4 and Courtesy Lamp Supply Votlage - 1 of 4
Inadvertent Power Supply Voltage - 1 of 4 and Courtesy Lamp Supply Votlage - 1 of 4
Inadvertent Power Supply Voltage - 4 of 4
Inadvertent Power Supply Voltage - 3 of 4
Inadvertent Power Supply Voltage - 3 of 4
Inadvertent Power Supply Voltage - 3 of 4
Courtesy Lamp Supply Voltage - 3 of 4
Courtesy Lamp Supply Voltage - 3 of 4
G200-1 of 3
G200-3 of 3
G200-3 of 3
G200-1 of 3
G200-1 of 3
Figure 3:

Inadvertent Power Supply Voltage - 3 of 4


Object Number: 870667  Size: FS
Master Electrical Component List
Interior Lighting Systems Description and Operation
Inadvertent Power Supply Voltage - 4 of 4
Inadvertent Power Supply Voltage - 2 of 4
Inadvertent Power Supply Voltage - 2 of 4
Inadvertent Power Supply Voltage - 2 of 4
Courtesy Lamp Supply Voltage - 3 of 4
Inadvertent Power Supply Voltage - 2 of 4
G200-3 of 3
G200-3 of 3
G200-1 of 3
G200-1 of 3
I/P Dimming Supply Voltage - 4 of 5
G203-1 of 3
G200-1 of 3
Figure 4:

Inadvertent Power Supply Voltage - 4 of 4


Object Number: 870672  Size: FS
Master Electrical Component List
Interior Lighting Systems Description and Operation
Courtesy Lamp Supply Voltage - 2 of 4
Inadvertent Power Supply Voltage - 3 of 4
Inadvertent Power Supply Voltage - 2 of 4
G200-2 of 3
G200-2 of 3
G200-1 of 3
G200-1 of 3
Figure 5:

Courtesy Lamp Supply Voltage - 2 of 4


Object Number: 870673  Size: FS
Master Electrical Component List
Interior Lighting Systems Description and Operation
Courtesy Lamp Supply Voltage - 3 of 4
Inadvertent Power Supply Voltage - 4 of 4
Inadvertent Power Supply Voltage - 1 of 4 and Courtesy Lamp Supply Votlage - 1 of 4
Courtesy Lamp Supply Voltage - 3 of 4
G200-1 of 3
G200-2 of 3
G200-1 of 3
G304, G305
G306, G390
Figure 6:

Courtesy Lamp Supply Voltage - 3 of 4


Object Number: 870677  Size: FS
Master Electrical Component List
Interior Lighting Systems Description and Operation
Courtesy Lamp Supply Voltage - 4 of 4
Courtesy Lamp Supply Voltage - 2 of 4
Courtesy Lamp Supply Voltage - 2 of 4
Inadvertent Power Supply Voltage - 2 of 4
Inadvertent Power Supply Voltage - 2 of 4
G200-1 of 3
G200-3 of 3
G200-3 of 3
G200-1 of 3
G200-1 of 3
Figure 7:

Courtesy Lamp Supply Voltage - 4 of 4


Object Number: 870678  Size: FS
Master Electrical Component List
Interior Lighting Systems Description and Operation
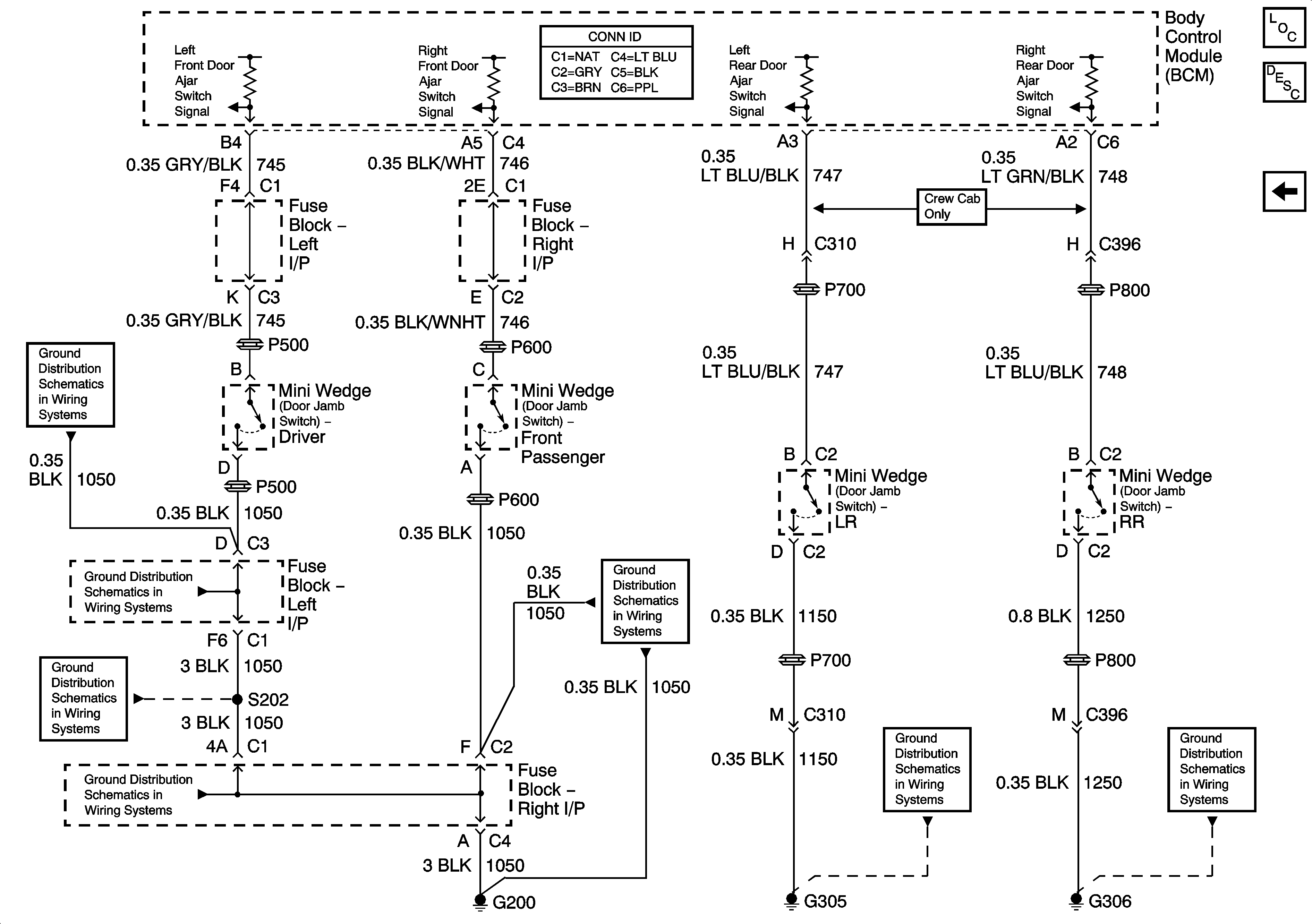
Door Jamb Switches - w/YE9 or Y91
Courtesy Lamp Supply Voltage - 3 of 4
SP205 - 1 of 2
Figure 8:

Door Jamb Switches - w/YE9 or Y91


Object Number: 870679  Size: FS
Master Electrical Component List
Interior Lighting Systems Description and Operation
Door Jamb Switches - w/o YE9
Courtesy Lamp Supply Voltage - 4 of 4
SP205 - 1 of 2
G304, G305
G306, G390
Figure 9:

Door Jamb Switches - w/oYE9


Object Number: 870680  Size: FS
Master Electrical Component List
Interior Lighting Systems Description and Operation
Door Jamb Switches - w/YE9 or Y91
G200-3 of 3
G200-3 of 3
G200-1 of 3
G200-1 of 3
G200-1 of 3
G304, G305
G306, G390