GM Service Manual Online
For 1990-2009 cars only
Makes
🢒
GMC_Truck
🢒
2003
🢒
GMC C Sierra - 2WD
🢒
Body and Accessories
🢒
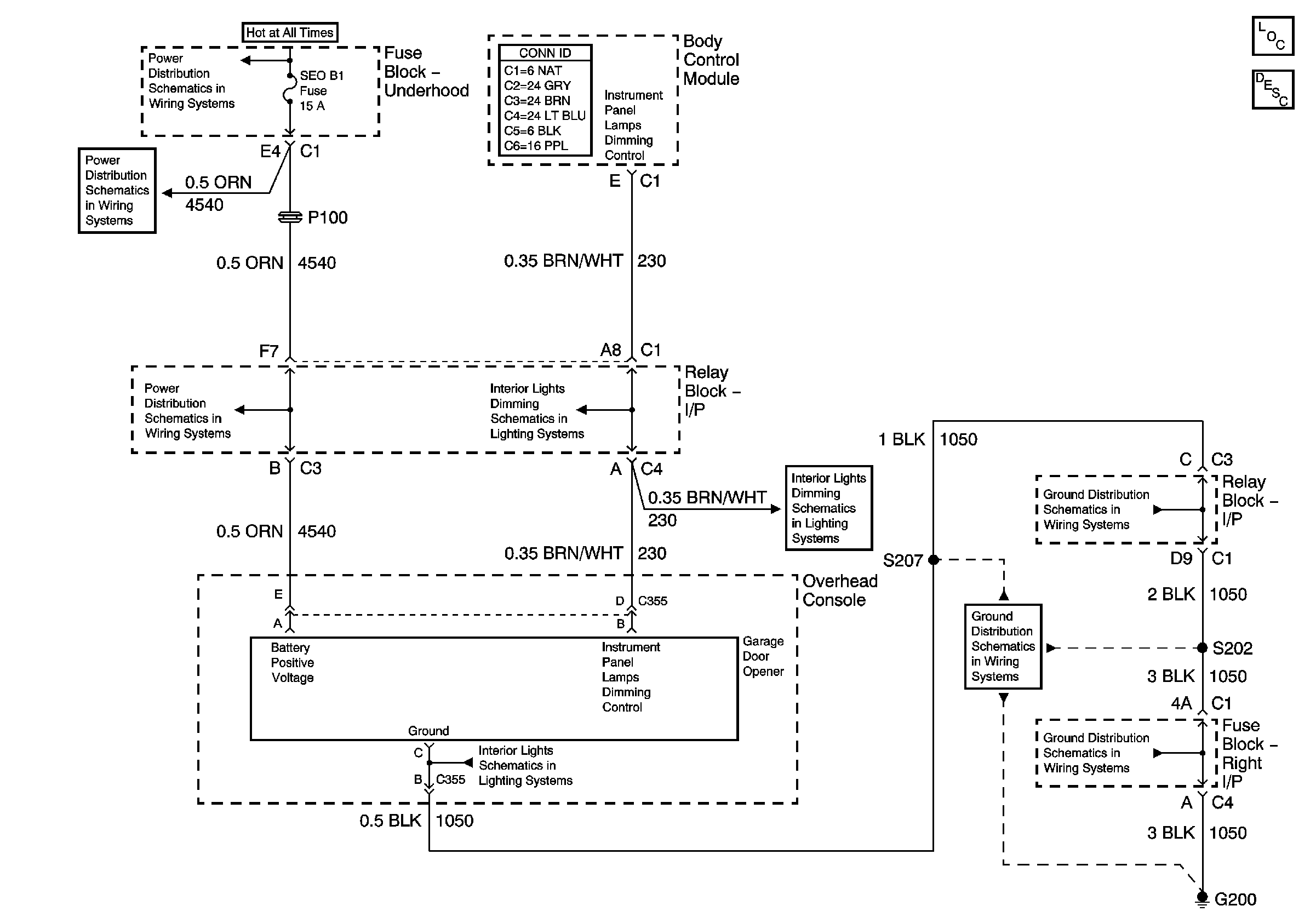
Garage Door Opener
🢒 Garage Door Opener Schematics
Garage Door Opener
Master Electrical Component List
Garage Door Opener Description and Operation
RTD/ECAS, RR WPR, EAP, SUNROOF, IPC/DIC, SEO 1
RTD/ECAS, RR WPR, EAP, SUNROOF, IPC/DIC, SEO 1
RTD/ECAS, RR WPR, EAP, SUNROOF, IPC/DIC, SEO 1
Interior Lights and LED Dimming Control
I/P Dimming Supply Voltage - 4 of 5
Interior Lights and LED Dimming Control
G200-3 of 3
G200-1 of 3
G200-1 of 3