GM Service Manual Online
For 1990-2009 cars only
Makes
🢒
GMC_Truck
🢒
2003
🢒
GMC C Sierra - 2WD
🢒 Right Rear Park Lamps - Chevrolet
Right Rear Park Lamps - Chevrolet
Right Rear Park Lamps - Chevrolet
Master Electrical Component List
Exterior Lighting Systems Description and Operation
Left Rear Park Lamps - GMC
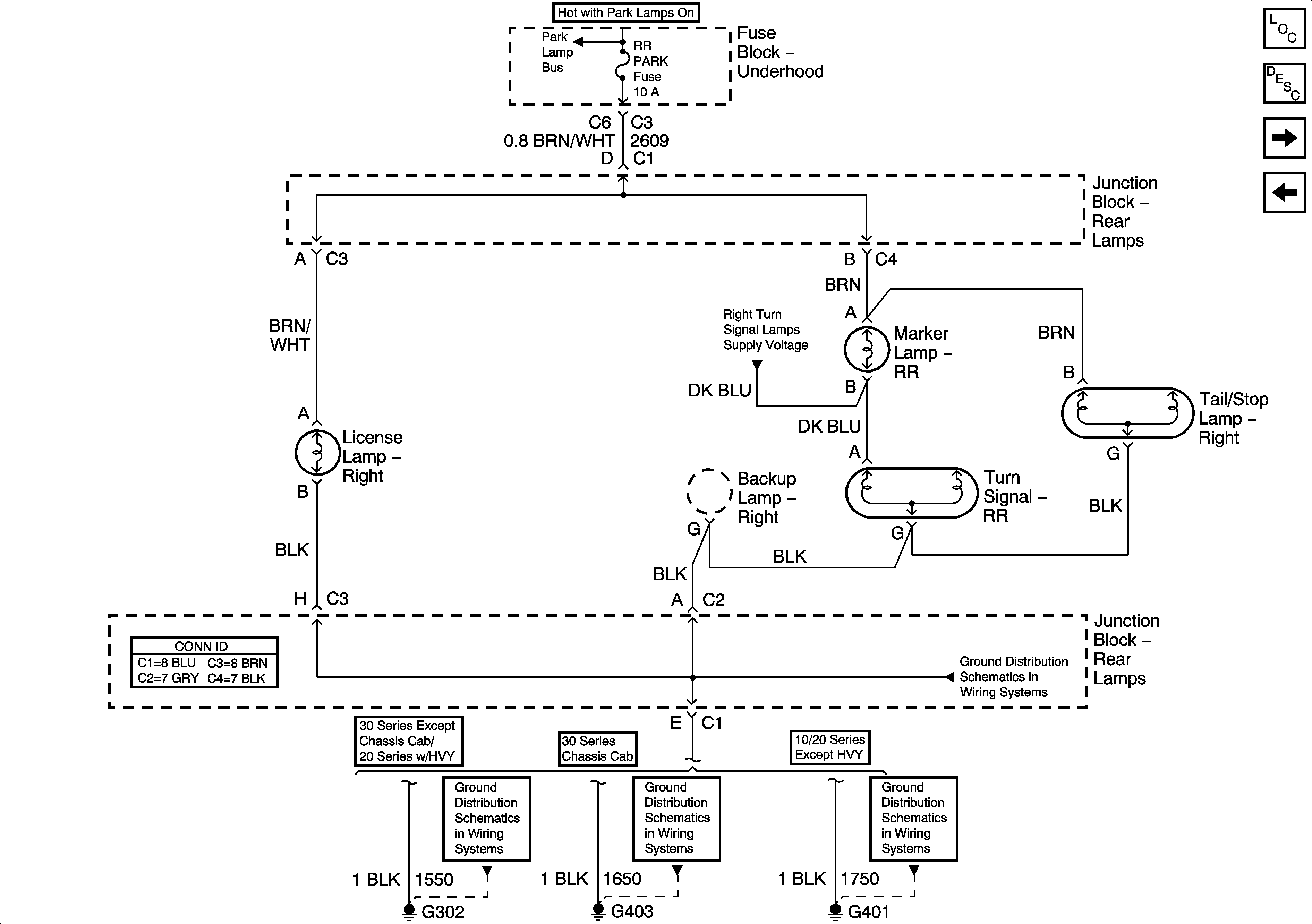
Right Rear Park Lamps - GMC
Park Lamp Relay - Domestic
Right Turn Signals - Domestic - Chevrolet
G302
G302
G403
G401, G402