GM Service Manual Online
For 1990-2009 cars only
Makes
🢒
GMC_Truck
🢒
2003
🢒
GMC C Sierra - 2WD
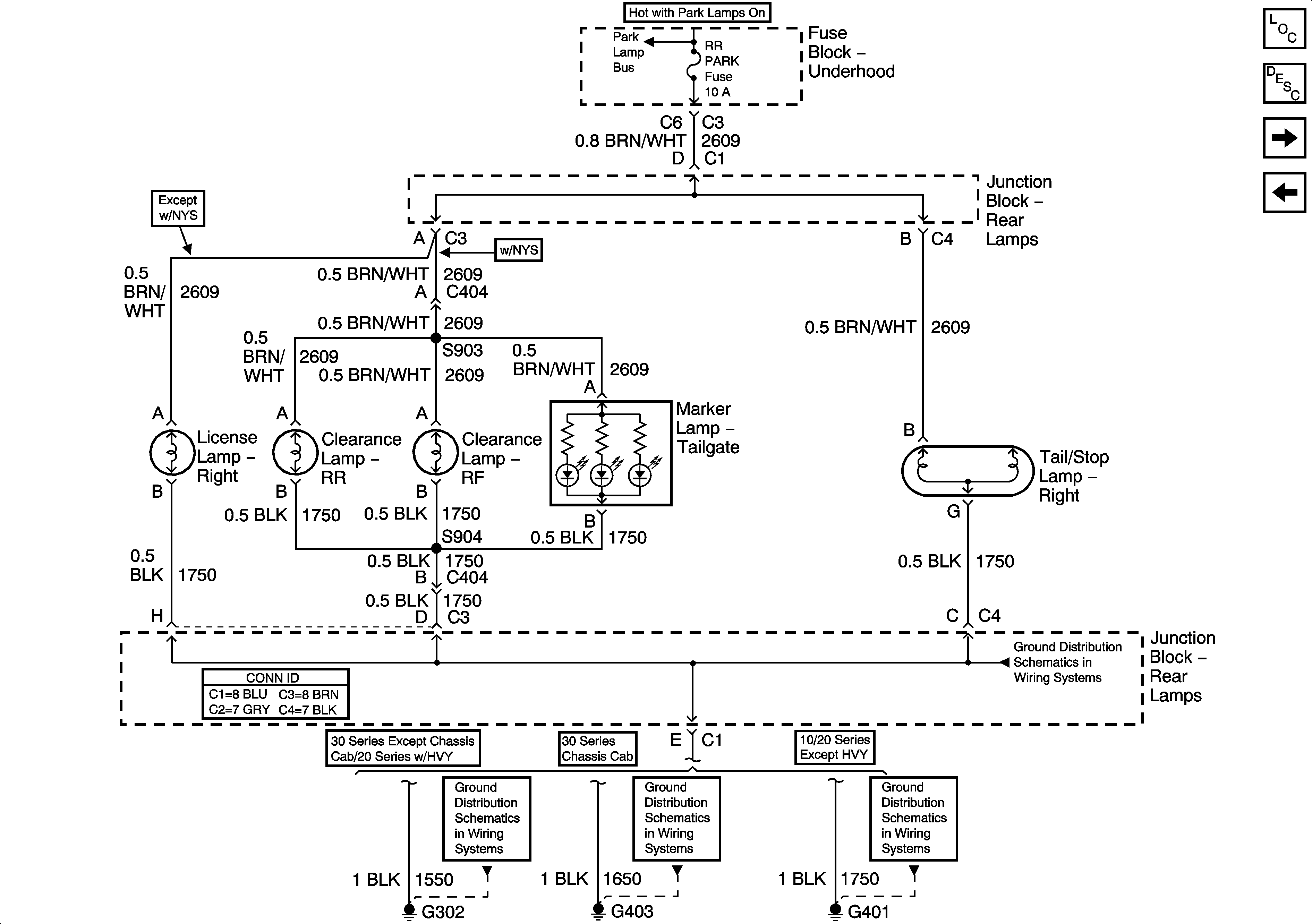
🢒 Right Rear Park Lamps - GMC
Right Rear Park Lamps - GMC
Right Rear Park Lamps - GMC
Master Electrical Component List
Exterior Lighting Systems Description and Operation
Right Rear Park Lamps - Chevrolet
Interior Park
Park Lamp Relay - Domestic
G302
G302
G403
G401, G402