GM Service Manual Online
For 1990-2009 cars only
Makes
🢒
GMC_Truck
🢒
2003
🢒
GMC C Sierra - 2WD
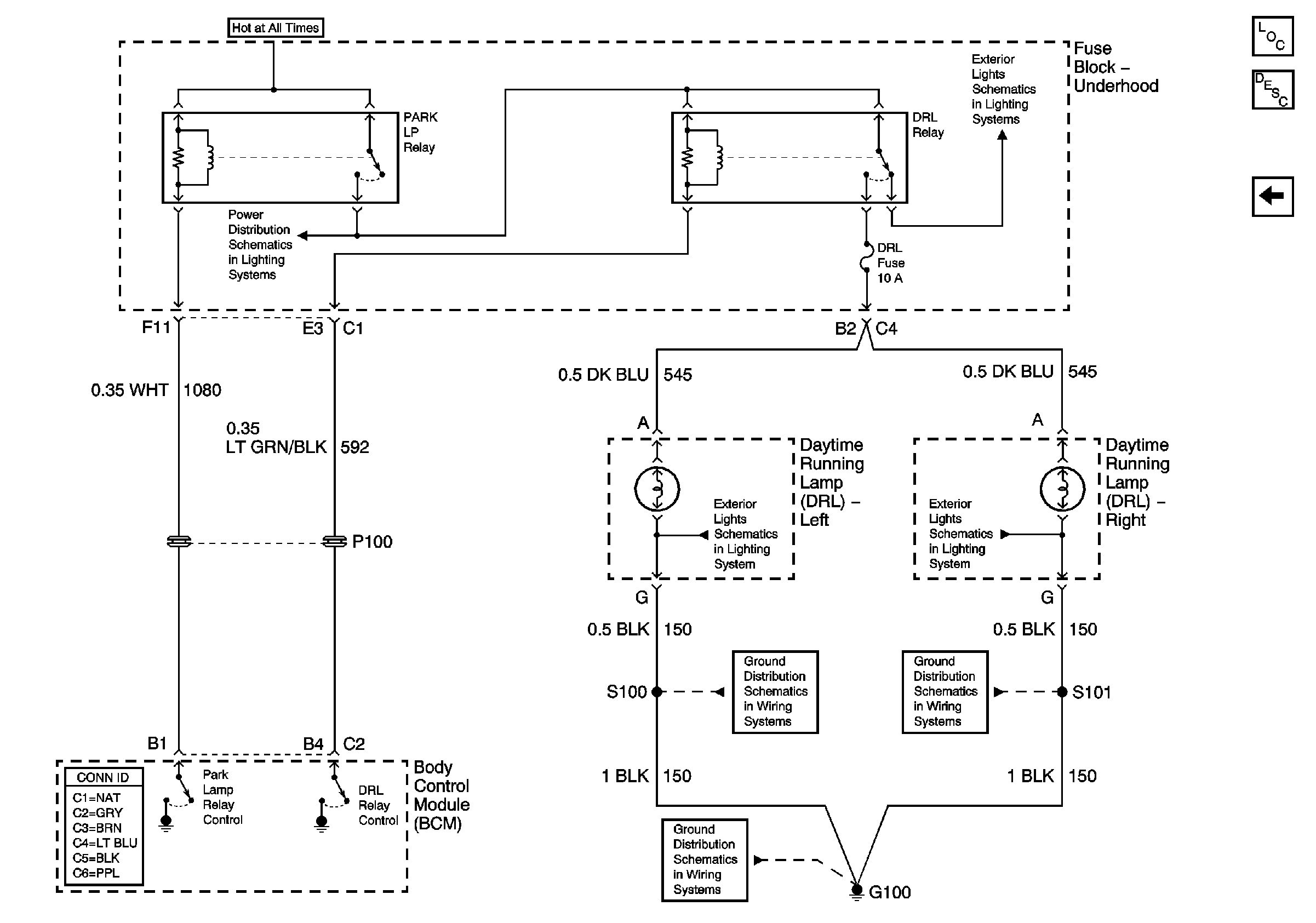
🢒 Daytime Running Lamps (DRL) - Export
Daytime Running Lamps (DRL) - Export
Daytime Running Lamps (DRL) - Export
Master Electrical Component List
Exterior Lighting Systems Description and Operation
Daytime Running Lamps (DRL) - Domestic
Park Lamp Relay - Export
Front Park Lamps - Export
Front Park Lamps - Export
S100-Export
S101-Export
G100, G101, G105