GM Service Manual Online
For 1990-2009 cars only
Makes
🢒
GMC_Truck
🢒
2003
🢒
GMC C Sierra - 2WD
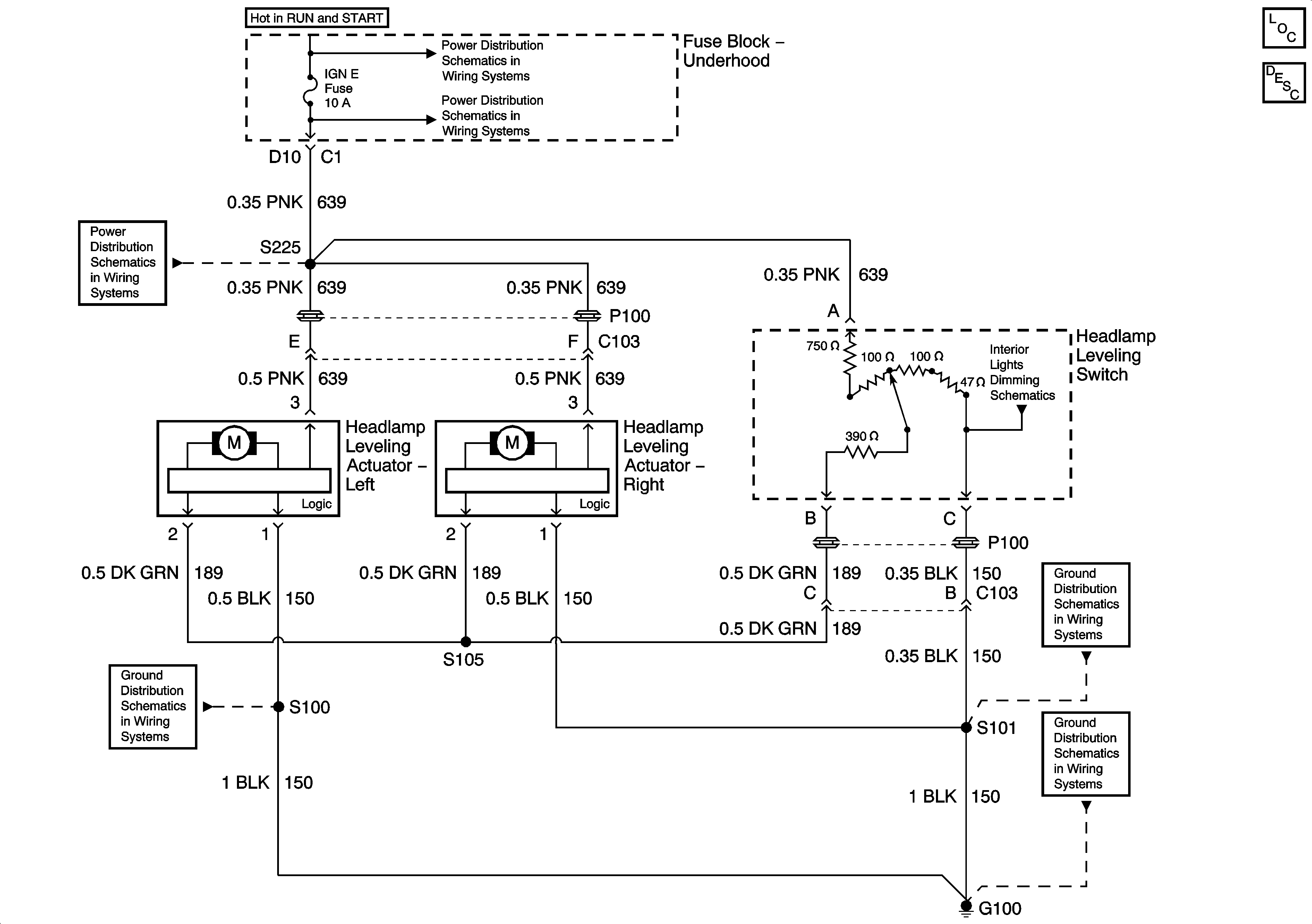
🢒 Headlight Leveling Schematic
Headlight Leveling Schematic
Master Electrical Component List
Exterior Lighting Systems Description and Operation
Ignition, Run, Start, Accy Bus Bar
IGN E
I/P Dimming Supply Voltage - 5 of 5
S100-Export
S101-Export
G100, G101, G105