GM Service Manual Online
For 1990-2009 cars only
Makes
🢒
GMC_Truck
🢒
2003
🢒
GMC C Sierra - 2WD
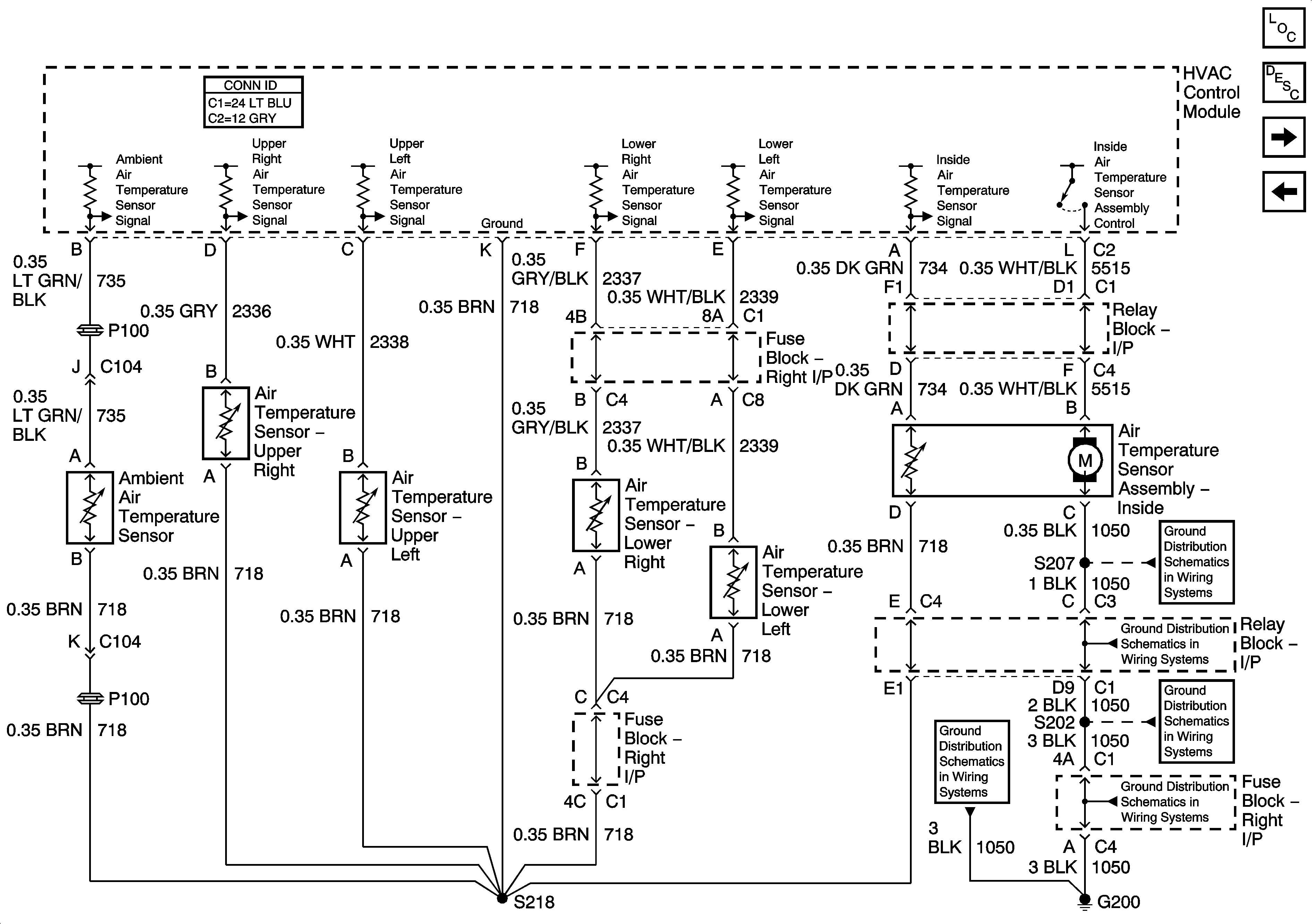
🢒 Front Air Temperature Sensors
Front Air Temperature Sensors
Front Air Temperature Sensors
Master Electrical Component List
Air Temperature Description and Operation
A/C Compressor Controls
Recirculation and Mode Door Controls
G200-3 of 3
G200-3 of 3
G200-1 of 3
G200-1 of 3
G200-1 of 3