GM Service Manual Online
For 1990-2009 cars only
Makes
🢒
GMC_Truck
🢒
2003
🢒
GMC C Sierra - 2WD
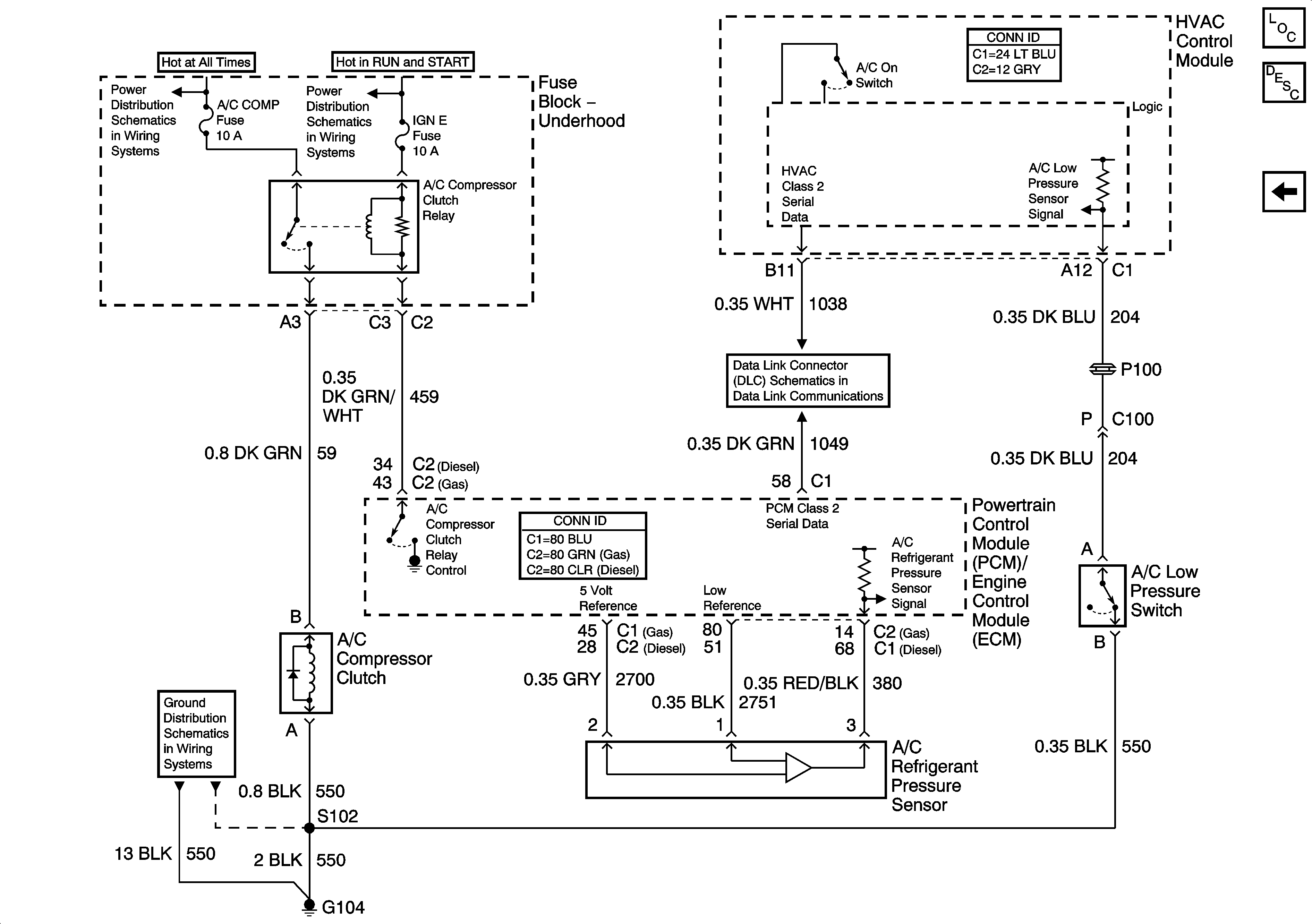
🢒 A/C Compressor Controls
A/C Compressor Controls
A/C Compressor Controls
Master Electrical Component List
Air Temperature Description and Operation
Front Air Temperature Sensors
B+ Bus Bar - 3 of 3
IGN E
SP205 - 1 of 2
G104, G106, G107