GM Service Manual Online
For 1990-2009 cars only
Makes
🢒
GMC_Truck
🢒
2003
🢒
GMC C Sierra - 2WD
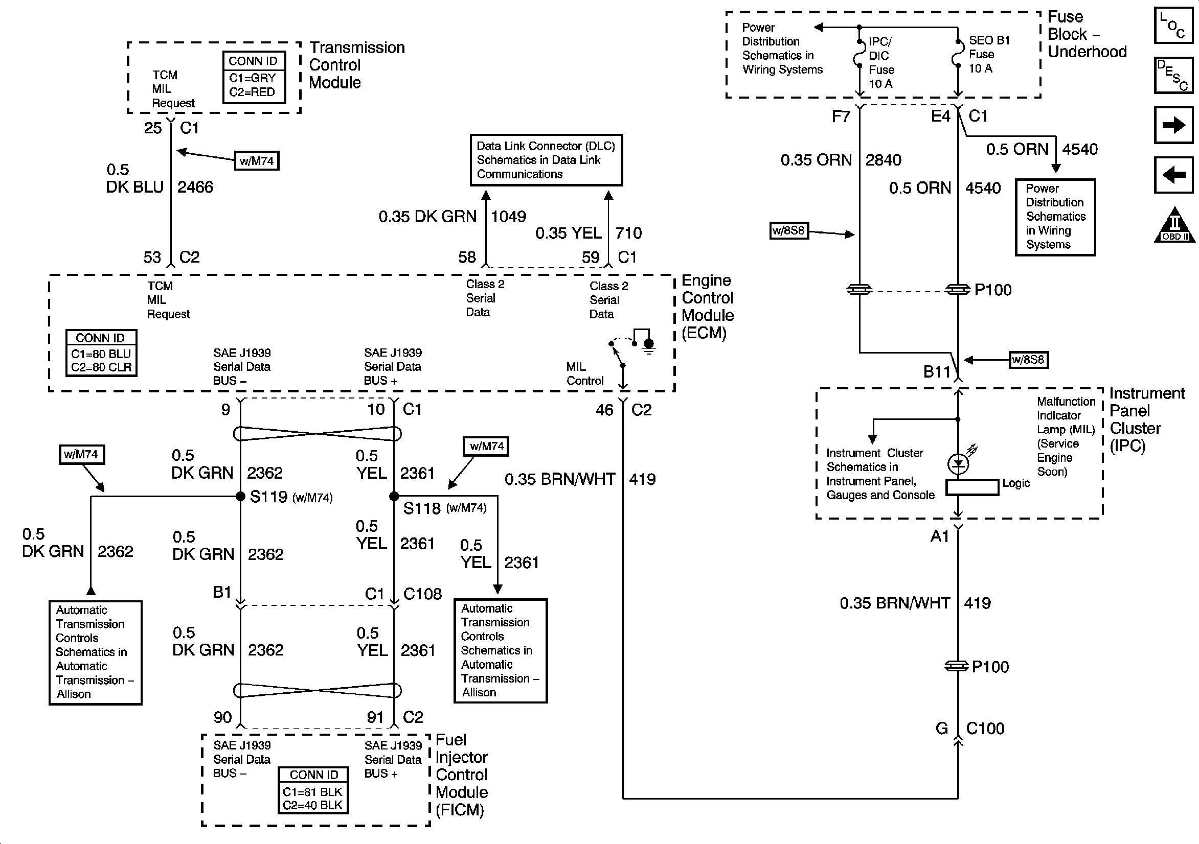
🢒 MIL Control and Serial Data
MIL Control and Serial Data
MIL Control and Serial Data
Master Electrical Component List
Engine Control Module Description
Engine Data Sensors - Pressure and Temperature
Power and Ground
OBD II Symbol Description Notice
SP205 - 2 of 2
B+ Bus Bar (Gas) - 1 of 3
RTD/ECAS, RR WPR, EAP, SUNROOF, IPC/DIC, SEO 1
Power, Ground, Serial Data
CAN Serial Data, VSS, and PNP Switch
CAN Serial Data, VSS, and PNP Switch