GM Service Manual Online
For 1990-2009 cars only
Makes
🢒
GMC_Truck
🢒
2003
🢒
GMC C Sierra - 2WD
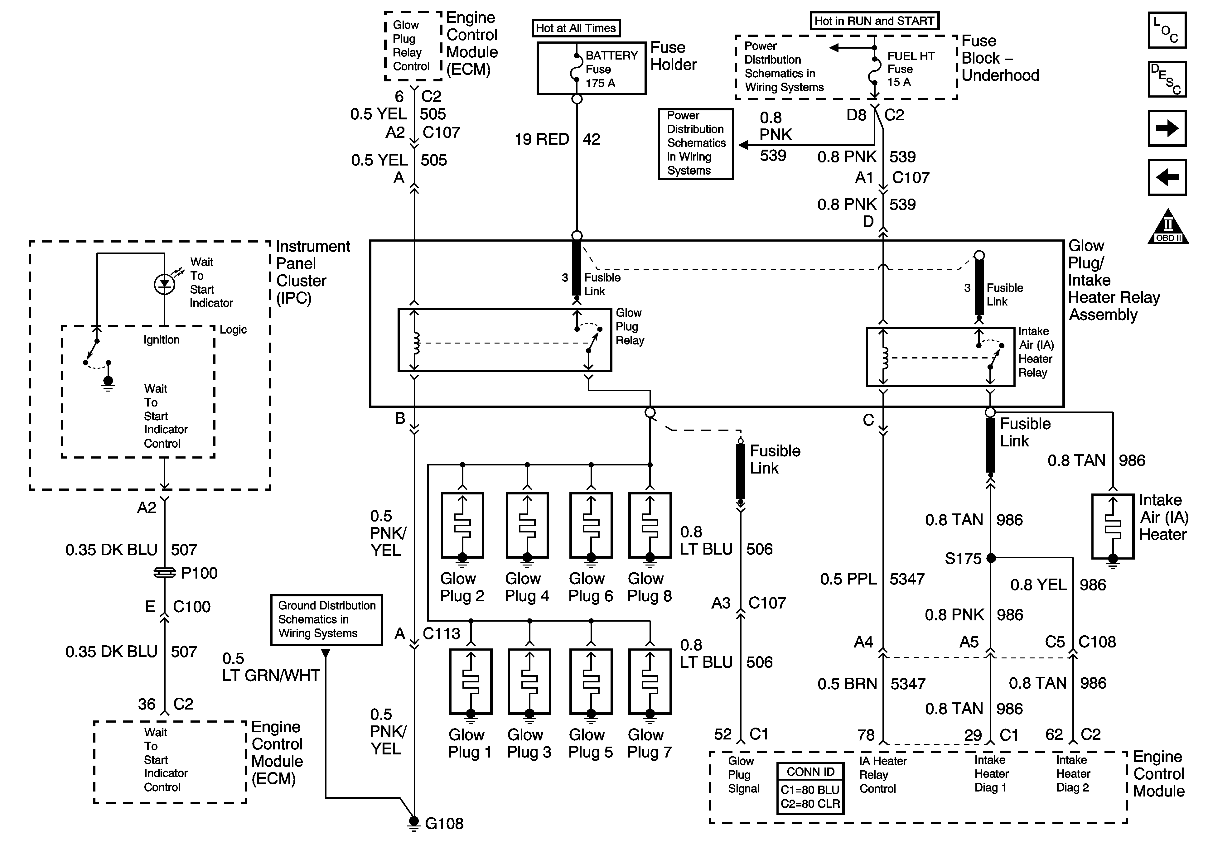
🢒 Data Sensors - Glow Plug Controls - Except California Emissions
Data Sensors - Glow Plug Controls - Except California Emissions
Engine Data Sensors - Glow Plug Controls - Except California Emissions
Master Electrical Component List
Engine Control Module Description
Engine Data Sensors - Glow Plug Controls - California Emissions
VSS and Injection Timing Controls
OBD II Symbol Description Notice
Ignition, Run, Start, Accy Bus Bar
FUEL HT and ECM I Fuses - Diesel Only
Ignition, Run, Start, Accy Bus Bar
Ignition, Run, Start, Accy Bus Bar
Indicators, DIC Controls, Washer Fluid Level Sensor
G104, G106, G107