GM Service Manual Online
For 1990-2009 cars only
Makes
🢒
GMC_Truck
🢒
2003
🢒
GMC C Sierra - 2WD
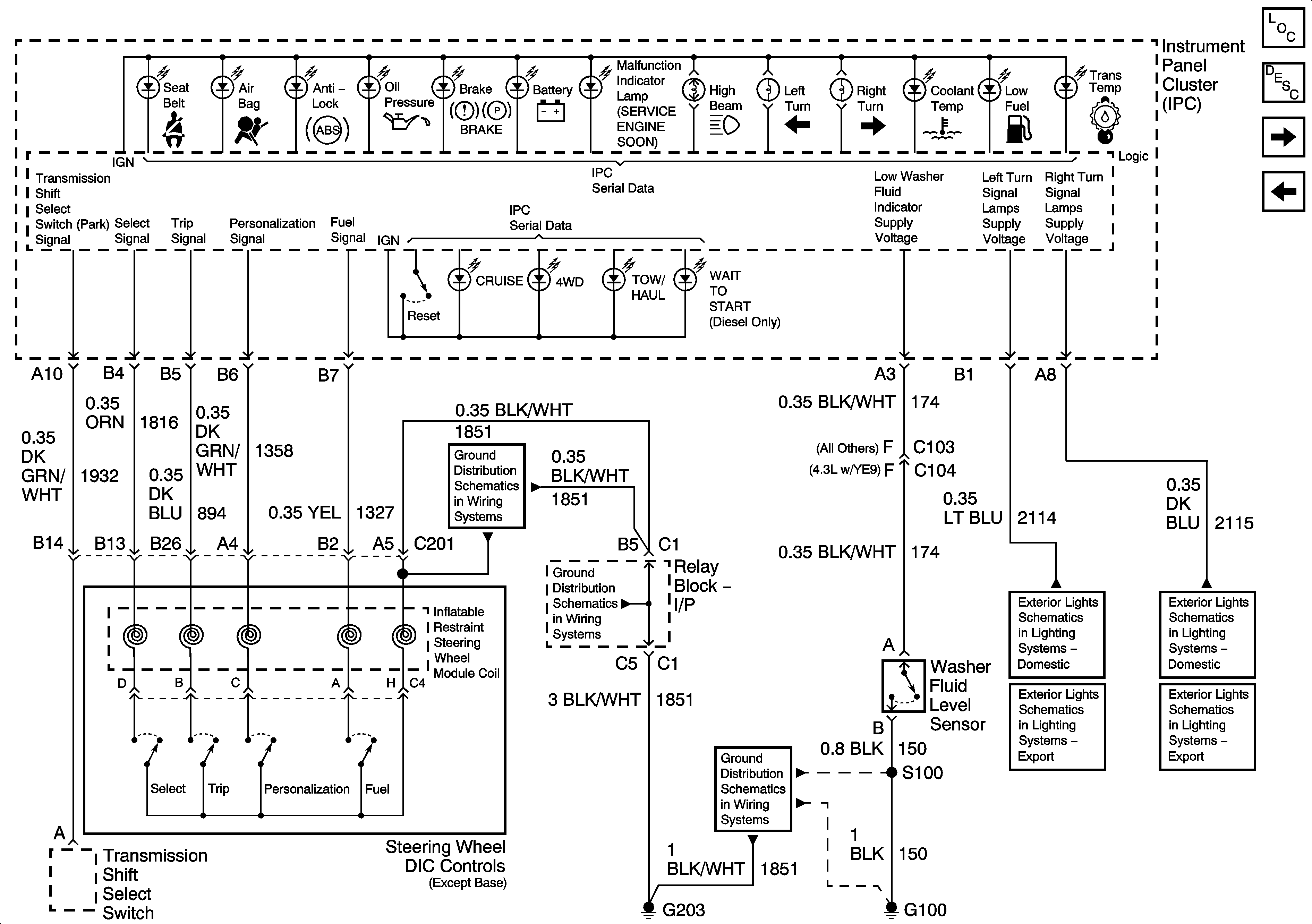
🢒 Indicators, DIC Controls, Washer Fluid Level Sensor
Indicators, DIC Controls, Washer Fluid Level Sensor
Indicators, DIC Controls, Washer Fluid Level Switch
Master Electrical Component List
Instrument Cluster Description and Operation
Fuel Gauge-Gas Only
Gauges, VSS, Engine Oil Signals-Diesel Only
G203-2 of 3
G203-1 of 3
G100, G101, G105
left Turn Signals - Domestic - GMC
left Turn Signals - Export - GMC
Right Turn Signals - Domestic - GMC
Right Turn Signals - Export - GMC