GM Service Manual Online
For 1990-2009 cars only
Makes
🢒
GMC_Truck
🢒
2004
🢒
GMC MD Steel Tilt (W Model)
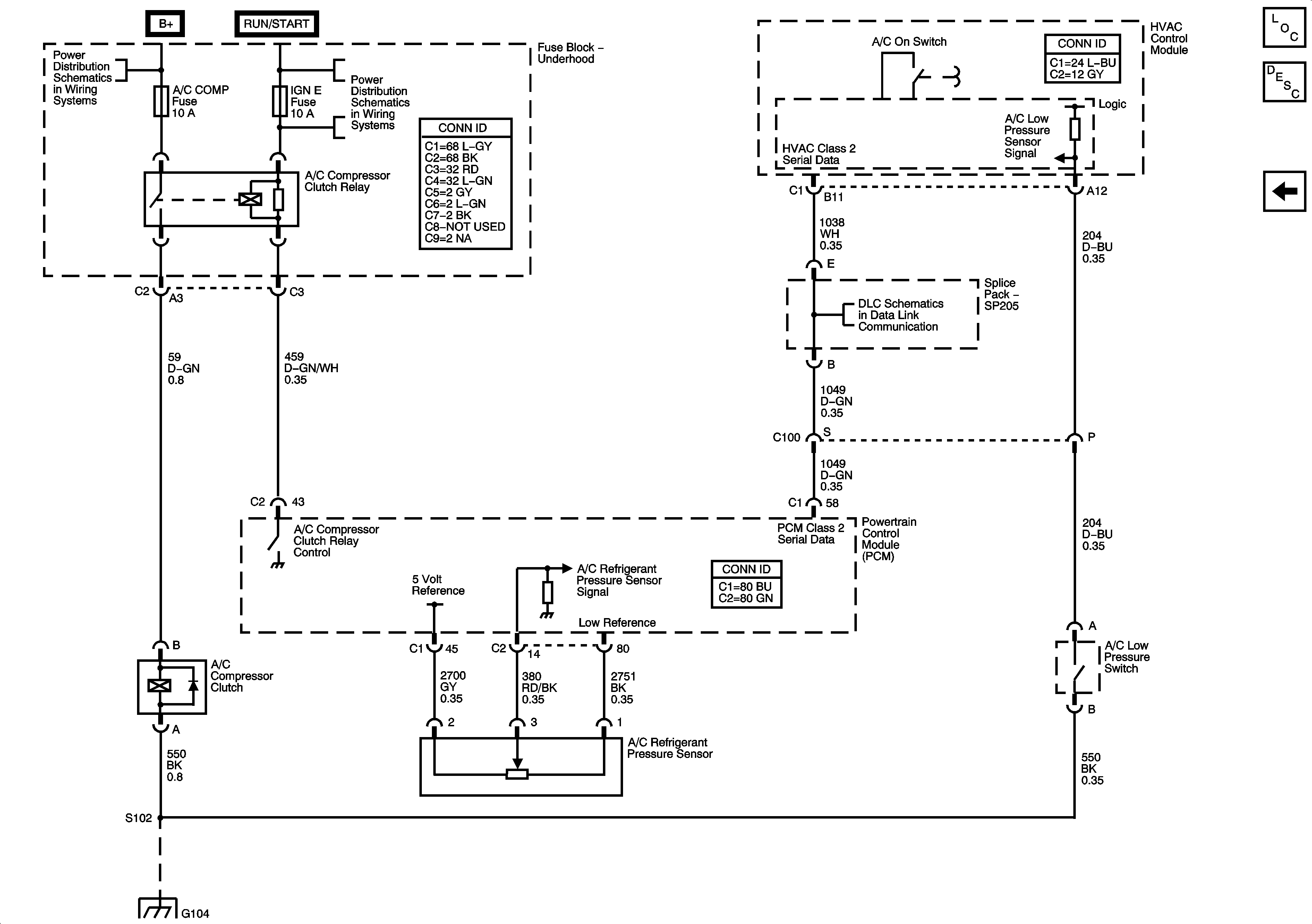
🢒 Air Conditioning Compressor Control
Air Conditioning Compressor Control
Air Conditioning Compressor Control
Master Electrical Component List
Air Temperature Description and Operation
Air Temperature Sensors
B+Bus
SEO IGN, SIR, and IGN E Fuses
Power, Ground, DLC, and Splice Pack SP205
G104 and G106