GM Service Manual Online
For 1990-2009 cars only
Makes
🢒
GMC_Truck
🢒
2004
🢒
GMC MD Steel Tilt (W Model)
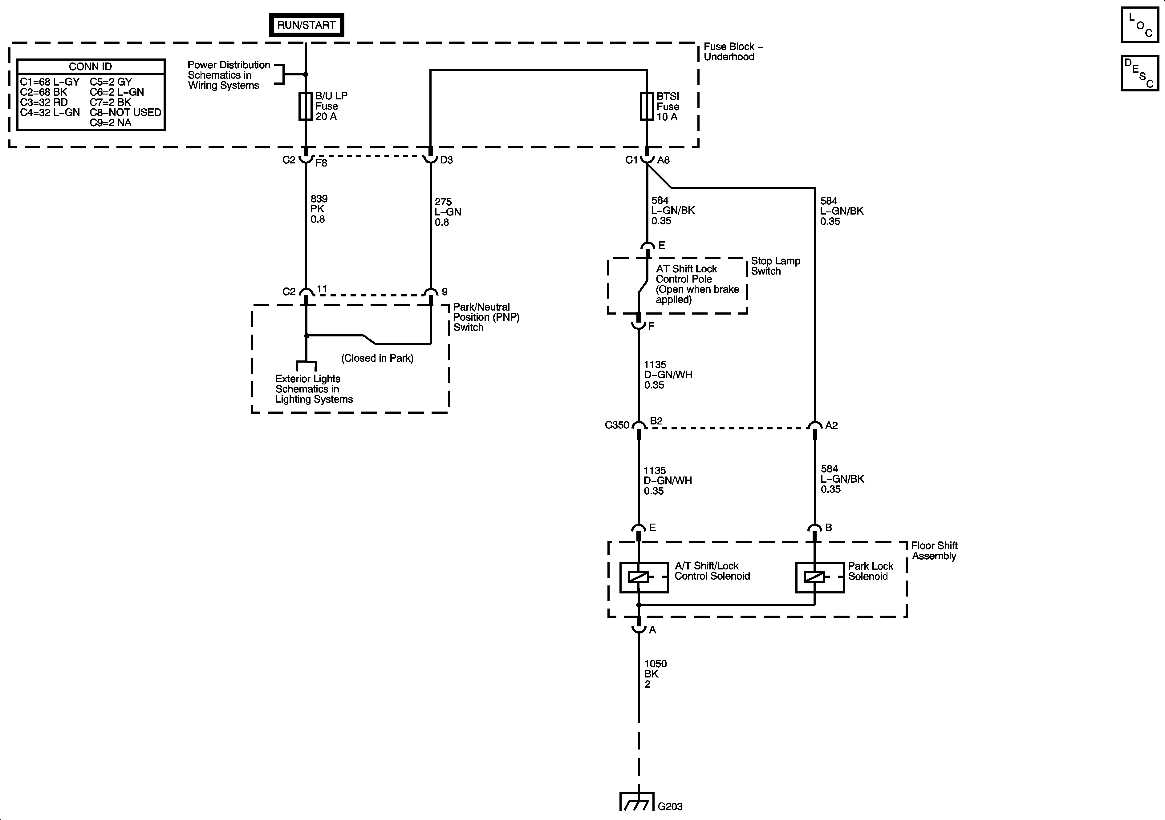
🢒 AutomaticTransmission Shift Lock Control Schematics
AutomaticTransmission Shift Lock Control Schematics
Master Electrical Component List
Automatic Transmission Shift Lock Control Description and Operation
B/U LP, O2A, O2B, TBC IGN 1, TRL B/U, and BTSI Fuses
Backup Lamps
CKT 1050: G203, S302, S303, S351, and S215