GM Service Manual Online
For 1990-2009 cars only
Makes
🢒
GMC_Truck
🢒
2004
🢒
GMC MD Steel Tilt (W Model)
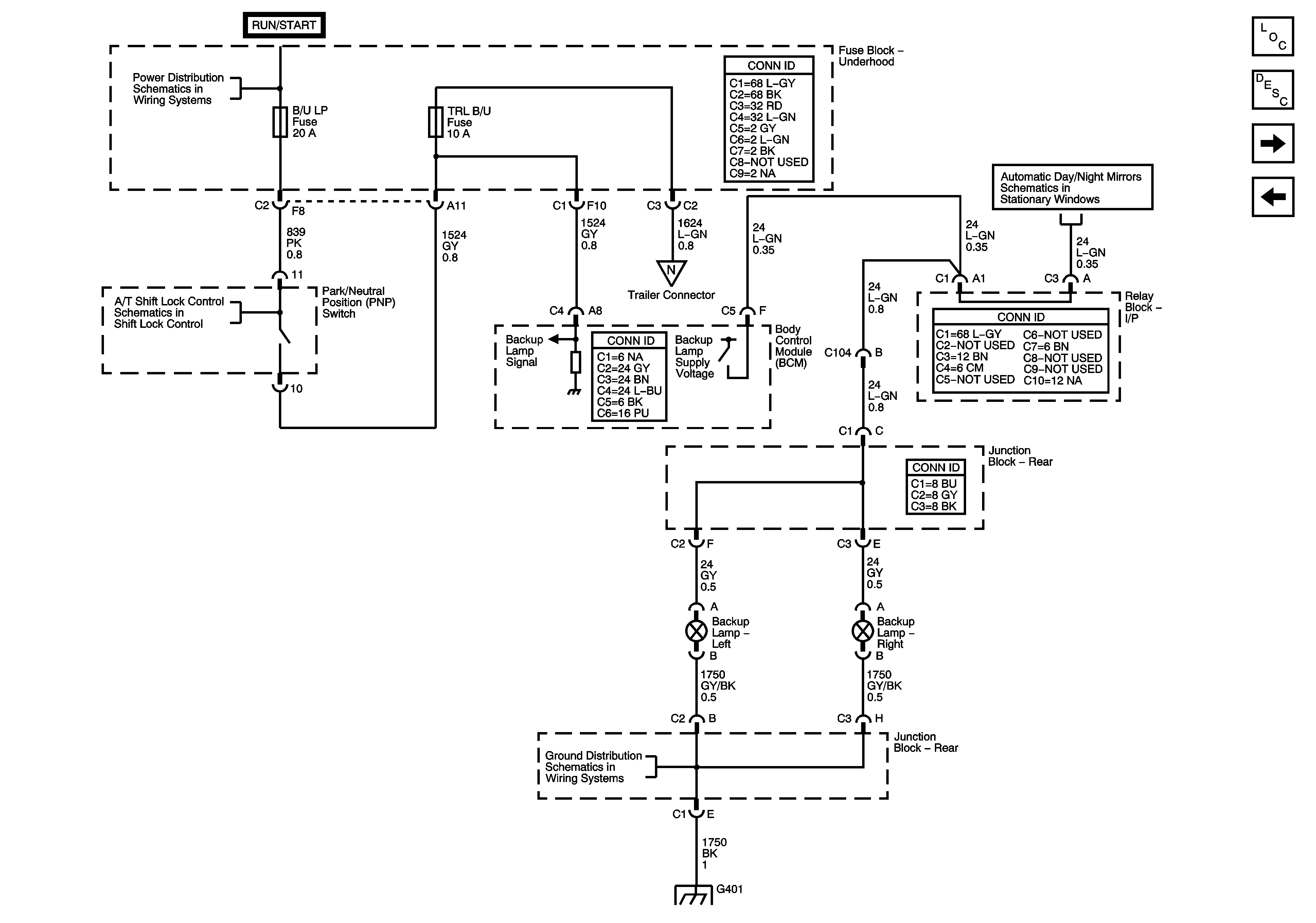
🢒 Backup Lamps
Backup Lamps
Backup Lamps
Master Electrical Component List
Exterior Lighting Systems Description and Operation
Trailer Lighting Provisions
Off-Road Lights
AutomaticTransmission Shift Lock Control Schematics
B/U LP, O2A, O2B, TBC IGN 1, TRL B/U, and BTSI Fuses
Inside Rear View Mirrer Schematics
G308, G310, G401, and G300