GM Service Manual Online
For 1990-2009 cars only
Makes
🢒
GMC_Truck
🢒
2004
🢒
GMC MD Steel Tilt (W Model)
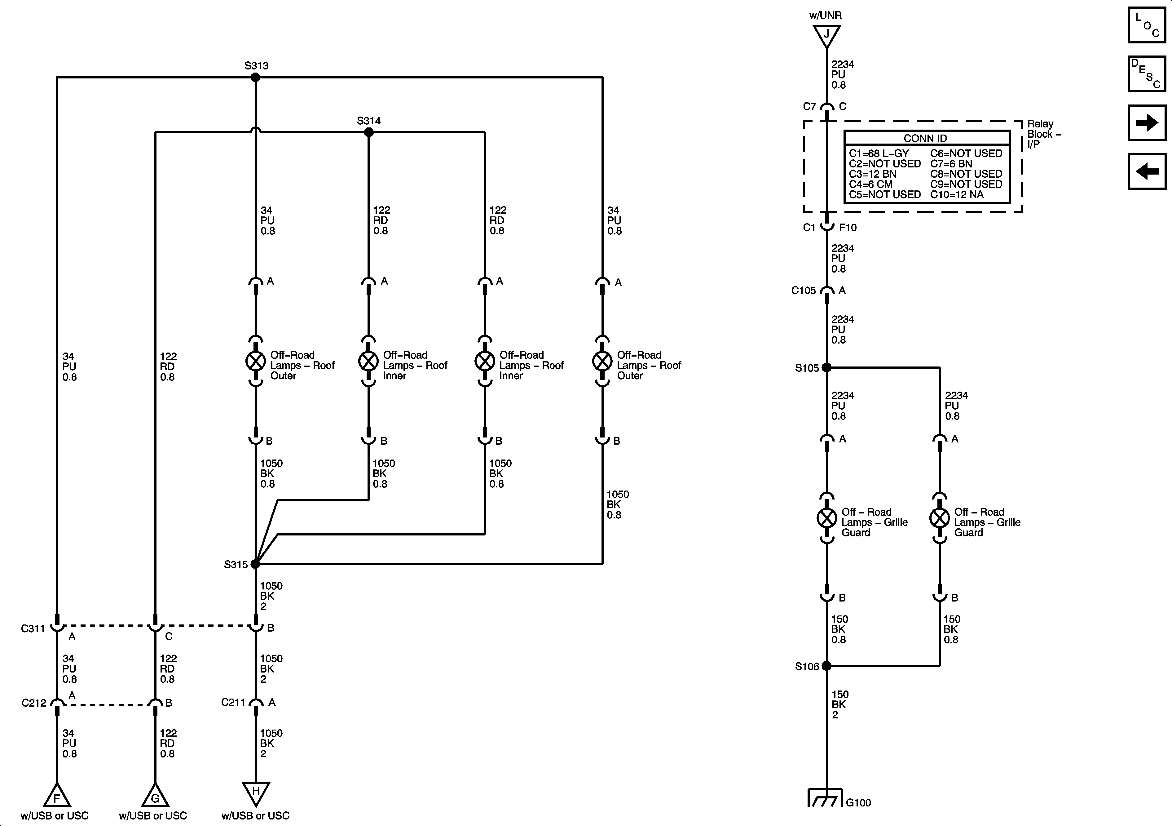
🢒 Off-Road Lights
Off-Road Lights
Off-Road Lights
Master Electrical Component List
Exterior Lighting Systems Description and Operation
Backup Lamps
Off-Road Lighting Control
Off-Road Lighting Control
G100
Off-Road Lighting Control