GM Service Manual Online
For 1990-2009 cars only
Makes
🢒
GMC_Truck
🢒
2004
🢒
GMC MD Steel Tilt (W Model)
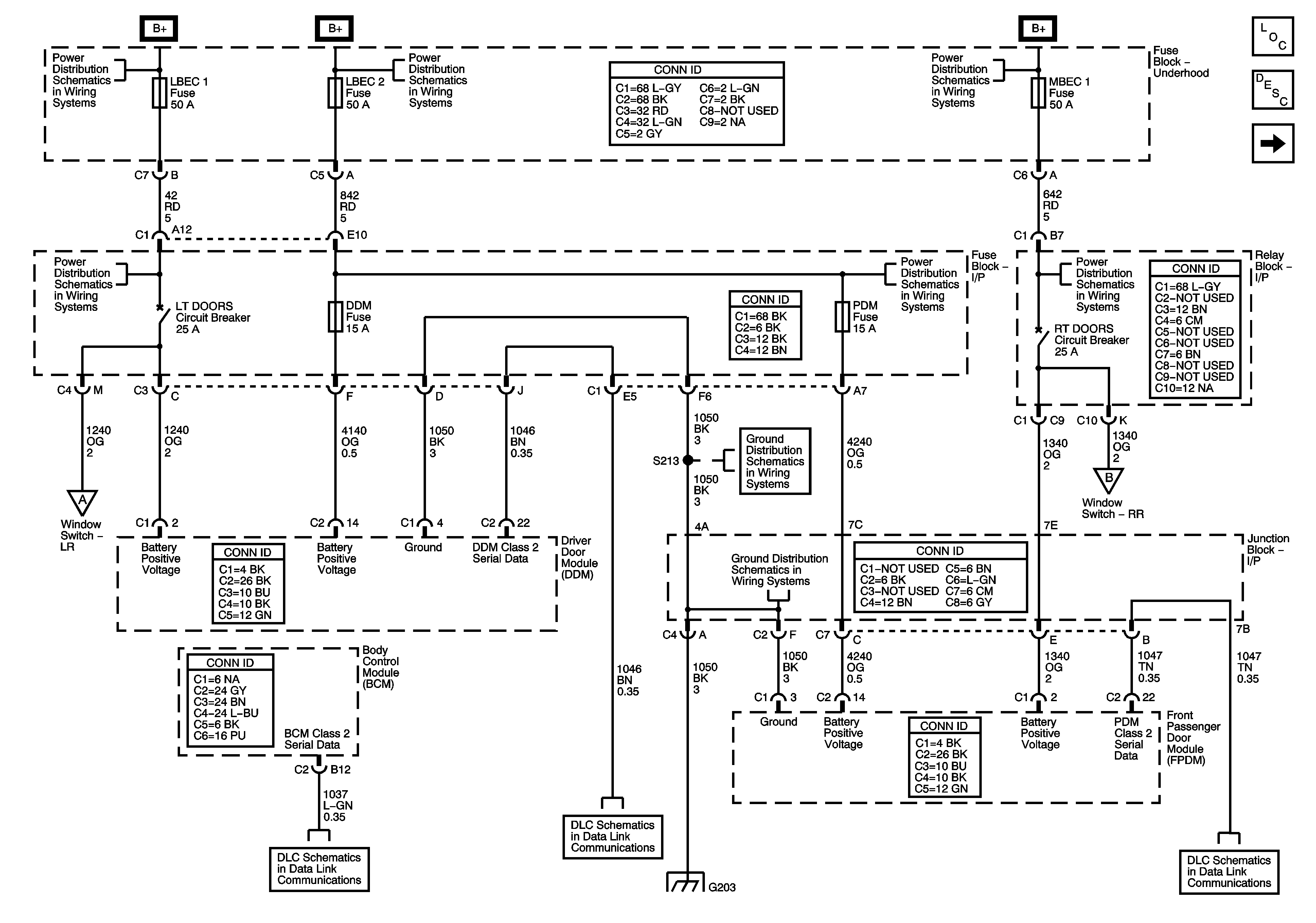
🢒 Door Modules - Power, Grounding, and DLC
Door Modules - Power, Grounding, and DLC
Door Modules -- Power, Grounding, and DLC
Master Electrical Component List
Power Windows Description and Operation
Front Door Windows
B+Bus
LBEC 1, LBEC 2, INFO, FPDM, AUX PWR, DDM, LOCKS, TBC 2A, 2B, and 2C, and LT DOORS Circuit Breaker
B+Bus
LBEC 1, LBEC 2, INFO, FPDM, AUX PWR, DDM, LOCKS, TBC 2A, 2B, and 2C, and LT DOORS Circuit Breaker
B+Bus
STUD 1, STUD 2, VSES/ECAS, BLOWER, ABS, MBEC 1 Fuses, RT DOORS and SEATS Circuit Breakers
Rear Door Windows
Power, Ground, DLC, and Splice Pack SP205
CKT 1050: S301 and S213
CKT 1050: G203, S302, S303, S351, and S215
CKT 1050: G203, S302, S303, S351, and S215
Power, Ground, DLC, and Splice Pack SP205
Power, Ground, DLC, and Splice Pack SP205
Rear Door Windows