GM Service Manual Online
For 1990-2009 cars only
Makes
🢒
GMC_Truck
🢒
2004
🢒
GMC MD Steel Tilt (W Model)
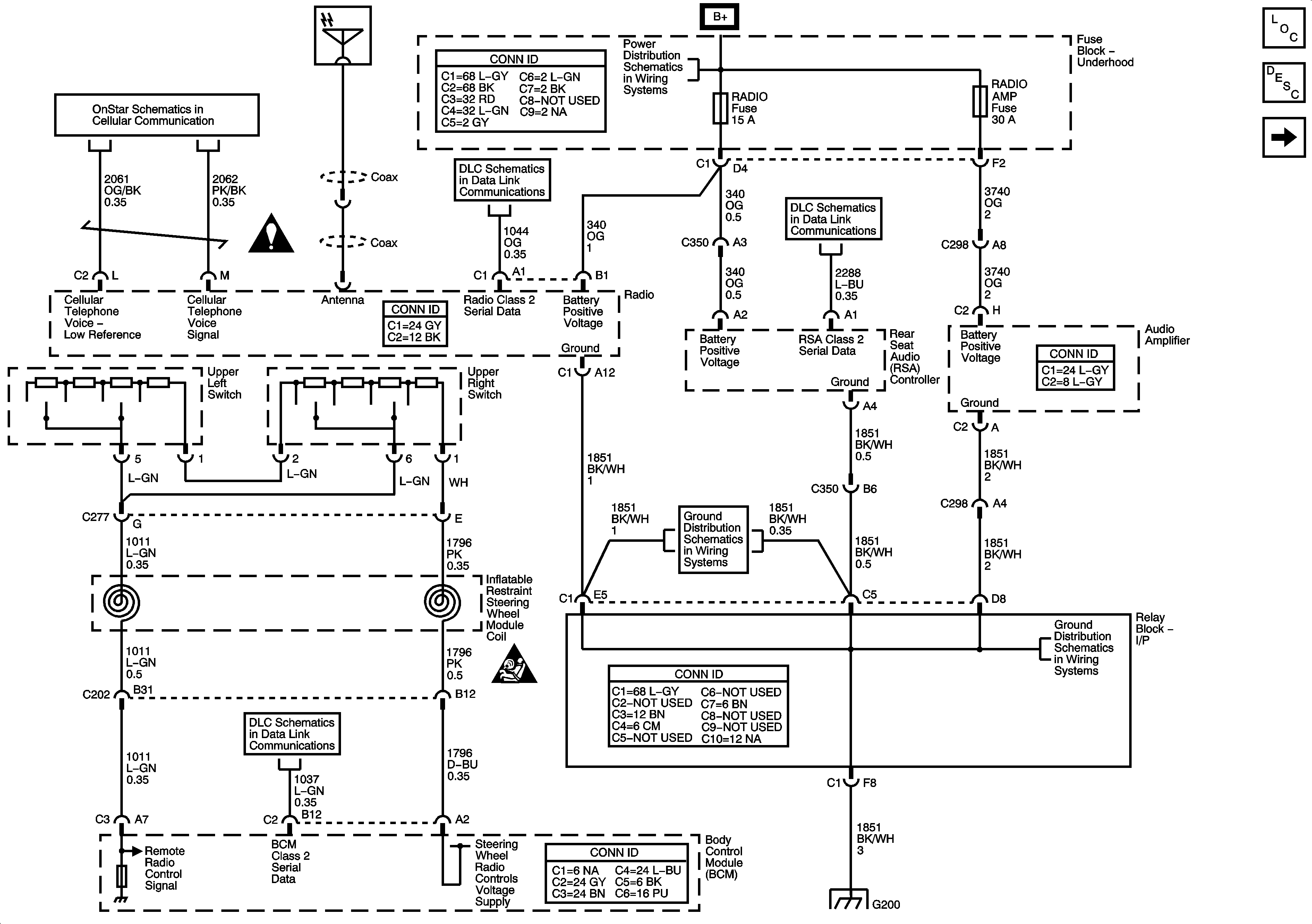
🢒 Power, Ground, DLC, and Steering Wheel Controls
Power, Ground, DLC, and Steering Wheel Controls
Power, Ground, DLC, and Steering Wheel Controls
Master Electrical Component List
Radio/Audio System Description and Operation
Radio Audio Outputs and VSS Input
OnStar Schematics
Entertainment Schematic Icons
Power, Ground, DLC, and Splice Pack SP205
B+Bus
Splice Packs SP 206 and SP 207, and Dedicated TAC Serial Data Circuits
G200
G200
G200
SIR Caution for Zoning
Power, Ground, DLC, and Splice Pack SP205