GM Service Manual Online
For 1990-2009 cars only
Makes
🢒
GMC_Truck
🢒
2004
🢒
GMC MD Steel Tilt (W Model)
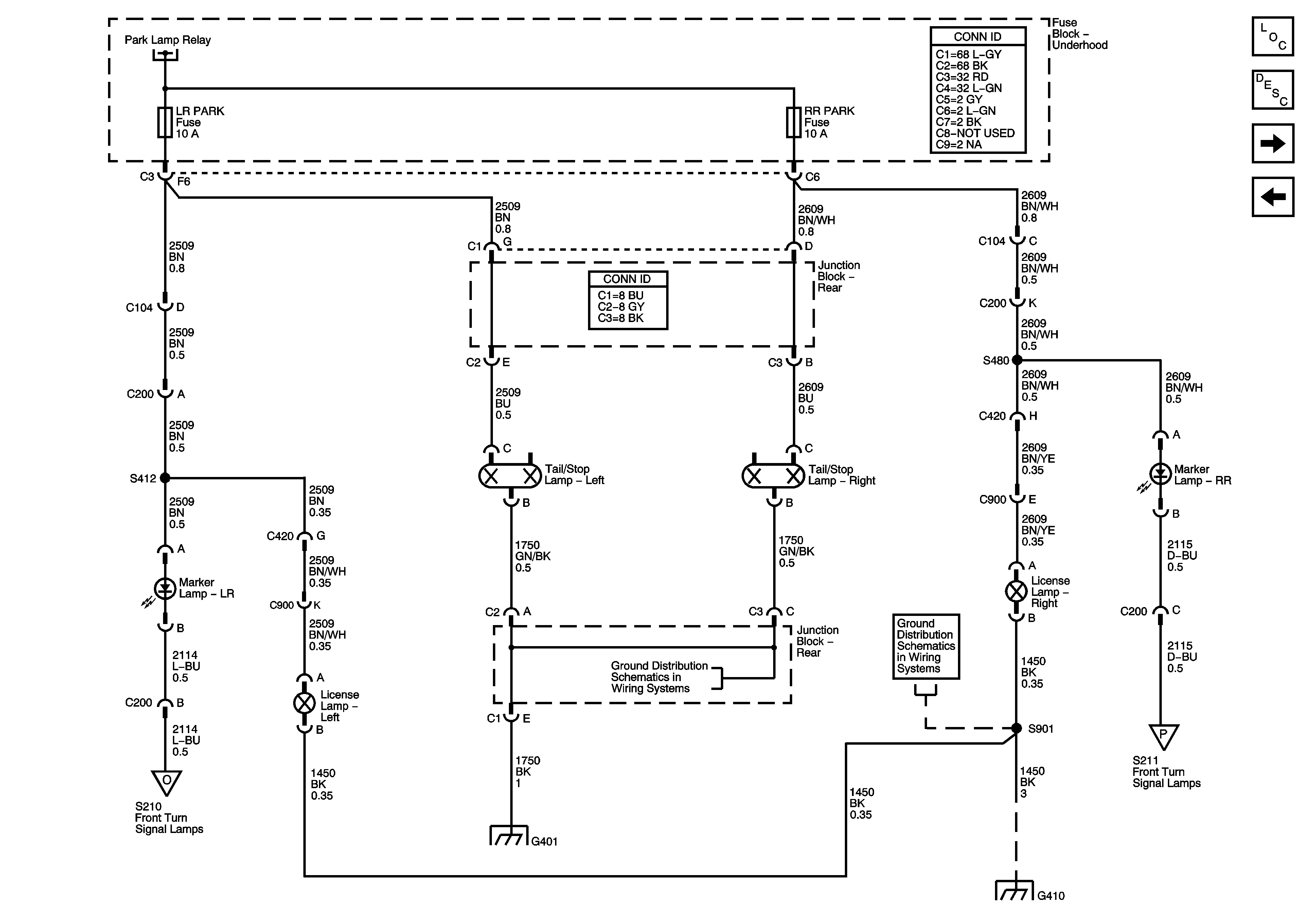
🢒 Tail Lamps, Rear Marker and License Lamps
Tail Lamps, Rear Marker and License Lamps
Tail Lamps, Rear Marker and License Lamps
Master Electrical Component List
Exterior Lighting Systems Description and Operation
Roof Lamps
Park Lamp Relay, Front Park and Marker Lamps
Park Lamp Relay, Front Park and Marker Lamps
Stop Lamps
Roof Lamps
G402, G405, and G410
G402, G405, and G410
Marker Lamps, Front Turn Signal Lamps
G308, G310, G401, and G300
G308, G310, G401, and G300
Marker Lamps, Front Turn Signal Lamps