GM Service Manual Online
For 1990-2009 cars only
Makes
🢒
GMC_Truck
🢒
2004
🢒
GMC MD Steel Tilt (W Model)
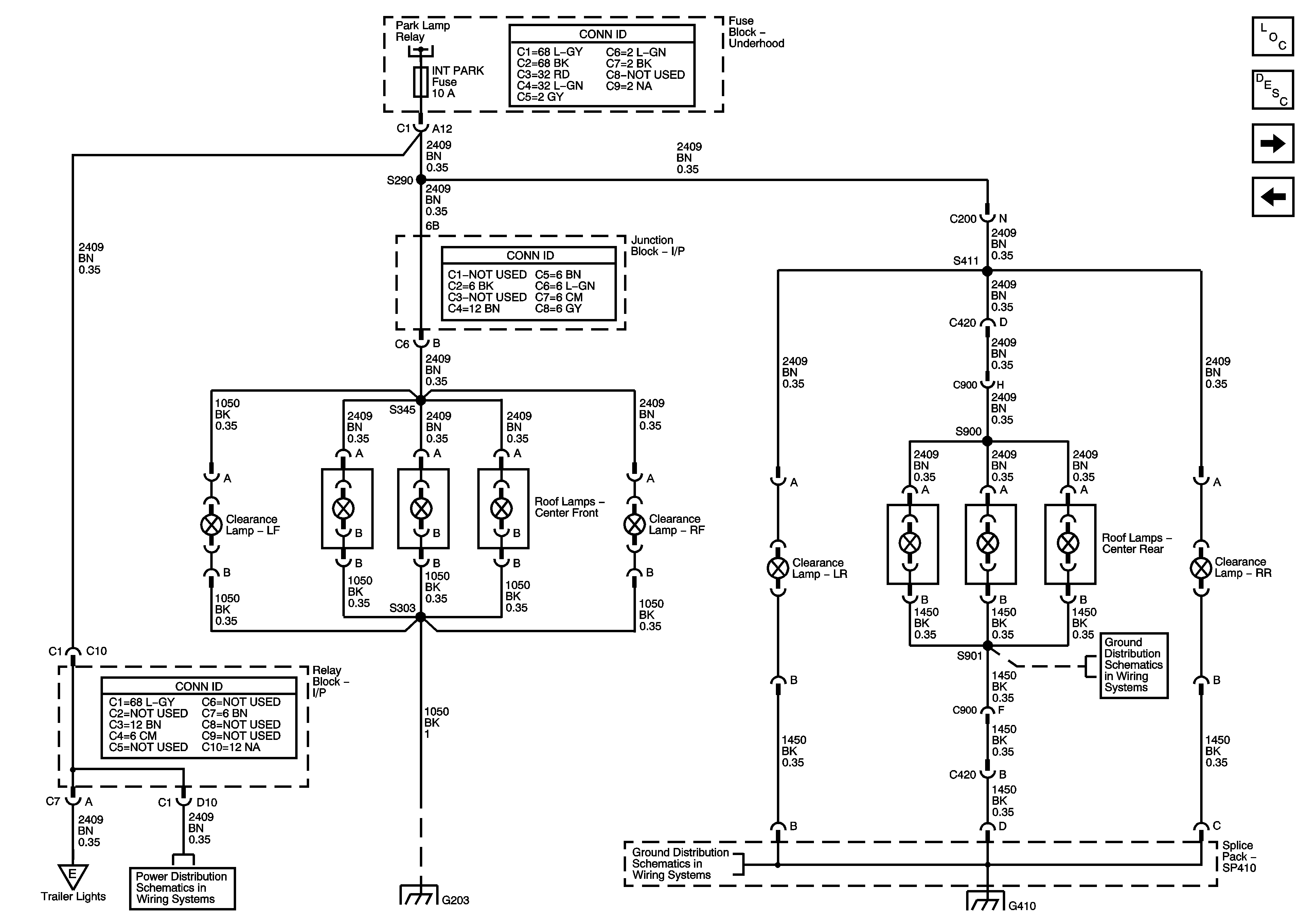
🢒 Roof Lamps
Roof Lamps
Roof Lamps
Master Electrical Component List
Exterior Lighting Systems Description and Operation
Turn Signal/Hazard Switch and Flasher Module
Tail Lamps, Rear Marker and License Lamps
Tail Lamps, Rear Marker and License Lamps
G402, G405, and G410
G402, G405, and G410
G402, G405, and G410
CKT 1050: G203, S302, S303, S351, and S215
INT PARK Fuse
Trailer Lighting Provisions