GM Service Manual Online
For 1990-2009 cars only
Makes
🢒
GMC_Truck
🢒
2004
🢒
GMC MD Steel Tilt (W Model)
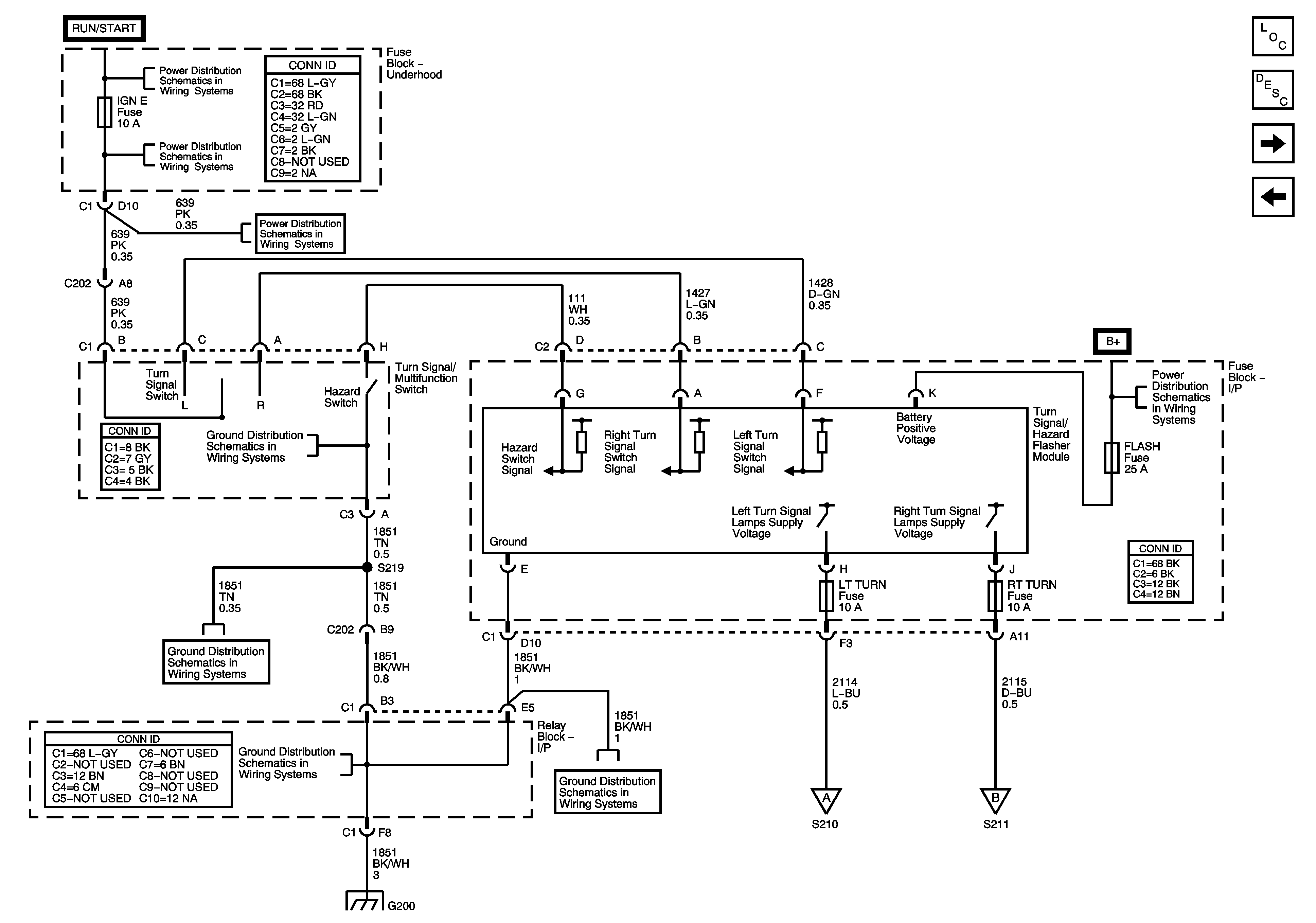
🢒 Turn Signal/Hazard Switch and Flasher Module
Turn Signal/Hazard Switch and Flasher Module
Turn Signal/Hazard Switch and Flasher Module
Master Electrical Component List
Exterior Lighting Systems Description and Operation
Marker Lamps, Front Turn Signal Lamps
Roof Lamps
ACCY/RUN and RUN/START Bus Bars
SEO IGN, SIR, and IGN E Fuses
SEO IGN, SIR, and IGN E Fuses
Stop Lamps
FLASH, LT TRLR, RT TRLR, LT TURN, and RT TURN Fuses
Marker Lamps, Front Turn Signal Lamps
Trailer Lighting Provisions
G200
G200
G200
G200
G200