GM Service Manual Online
For 1990-2009 cars only
Makes
🢒
GMC_Truck
🢒
2004
🢒
GMC MD Steel Tilt (W Model)
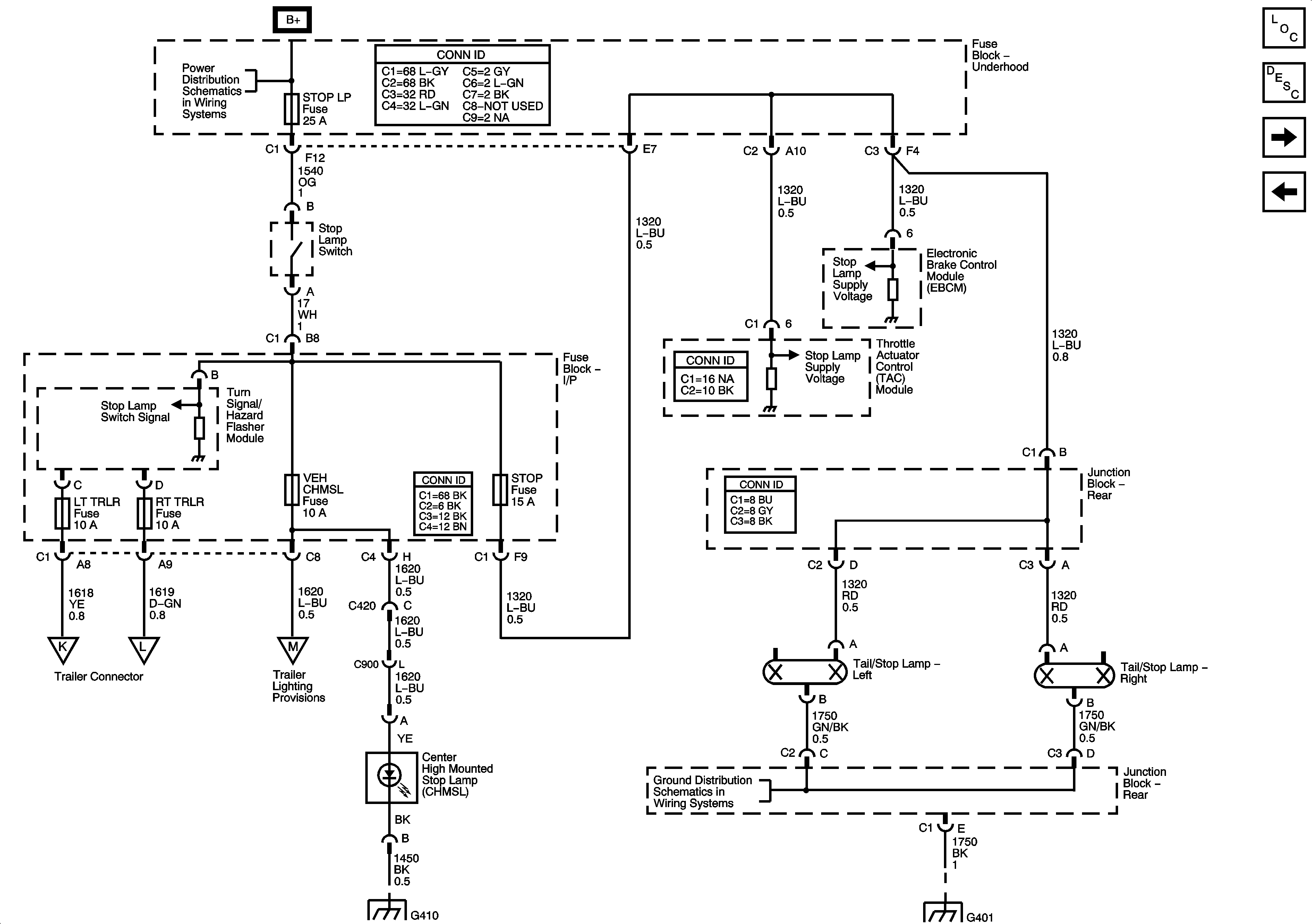
🢒 Stop Lamps
Stop Lamps
Stop Lamps
Master Electrical Component List
Exterior Lighting Systems Description and Operation
Off-Road Lighting Control
Rear Turn Signal Lamps
B+Bus
Turn Signal/Hazard Switch and Flasher Module
Tail Lamps, Rear Marker and License Lamps
G308, G310, G401, and G300
Tail Lamps, Rear Marker and License Lamps
G402, G405, and G410
Trailer Lighting Provisions