GM Service Manual Online
For 1990-2009 cars only
Makes
🢒
GMC_Truck
🢒
2004
🢒
GMC MD Steel Tilt (W Model)
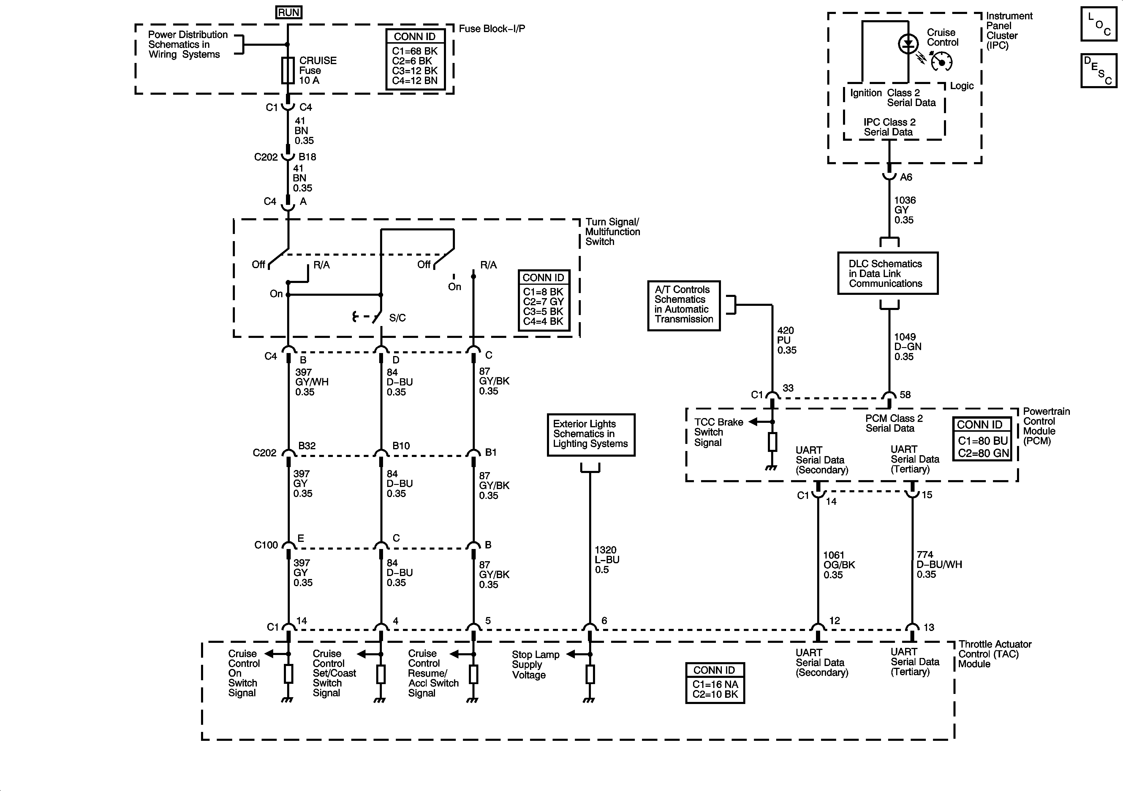
🢒 Cruise Control Schematics
Cruise Control Schematics
Master Electrical Component List
Cruise Control Description and Operation
BRAKE, 4WD, CRUISE, HVAC 1, and IGN 3 Fuses
Stop Lamps
Power, BCM, PCM, Class 2, Stop Lamp Switch, Tow/Haul Switch, and Shift Solenoids
Power, Ground, DLC, and Splice Pack SP205