GM Service Manual Online
For 1990-2009 cars only
Figure 1:

ECM B, ECM I and GAUGES Fuses, Ground, Generator and MIL


Object Number: 544682  Size: FS
Engine Controls Components
Vehicle Control Module Description
CLSTR and 4WD Fuses
OBD II Symbol Description Notice
ECM B Fuse and Horn, Rear Defogger Relays
Power and Grounding Connector End Views
ECM I Fuse
AUX PWR, RDO BATT and HDLP SW Fuses
Power and Ground
Power
Handling ESD Sensitive Parts Notice
G103 and G105 (4.3L)
VCM Connector End Views
G103 and G105 (4.3L)
Handling ESD Sensitive Parts Notice
Figure 2:

CLSTR and 4WD Fuses


Object Number: 544683  Size: FS
Engine Controls Components
Vehicle Control Module Description
Data Link Connector (DLC)
ECM B, ECM I and GAUGES Fuses, Ground, Generator and MIL
OBD II Symbol Description Notice
Ign ACC, RUN and RAP Bus Bar
Power
CRANK and CLSTR Fuses
VCM Connector End Views
Handling ESD Sensitive Parts Notice
Transfer Case Shift Control Switch
Power, Ground and Transfer Case
Four Wheel Drive Indicator Switch and Vehicle Control Module (VCM)
Power and Ground
Power, Ground and Transfer Case
CRANK Fuse, 4WD Indicator Switch and Axle Clutch Solenoid
Four Wheel Drive Indicator Switch and Vehicle Control Module (VCM)
CRANK Fuse, 4WD Indicator Switch and Axle Clutch Solenoid
Figure 3:

Data Link Connector (DLC)


Object Number: 544684  Size: FS
Engine Controls Components
Serial Data Communications
Engine Sensors (Pickup)
CLSTR and 4WD Fuses
OBD II Symbol Description Notice
INT BATT Fuse
Except Envoy
G200, G201 and G207 (Utility)
G103 and G105 (4.3L)
Power and Grounding Connector End Views
G103 and G105 (4.3L)
G103 and G105 (4.3L)
G103 and G105 (4.3L)
G103 and G105 (4.3L)
Power, Ground, Transfer Case Shift Control Module and Vehicle Interface Unit (VIU)
VCM Connector End Views
Handling ESD Sensitive Parts Notice
Automatic Transmission Switch Inputs
Body Control System Connector End Views
Handling ESD Sensitive Parts Notice
Figure 4:

Engine Sensors (Pickup)


Object Number: 544689  Size: FS
Engine Controls Components
Information Sensors/Switches Description
Engine Sensors (Utility)
Data Link Connector (DLC)
OBD II Symbol Description Notice
VCM Connector End Views
Handling ESD Sensitive Parts Notice
EGR and EVAP Valves
Automatic Transmission Switch Inputs
Fuel Level Sensor
EGR and EVAP Valves
Automatic Transmission and PNP Switch Inputs
Handling ESD Sensitive Parts Notice
Figure 5:

Engine Sensors (Utility)


Object Number: 544691  Size: FS
Engine Controls Components
Information Sensors/Switches Description
Heated Oxygen Sensors
Engine Sensors (Pickup)
OBD II Symbol Description Notice
VCM Connector End Views
Handling ESD Sensitive Parts Notice
EGR and EVAP Valves
Automatic Transmission Switch Inputs
EGR and EVAP Valves
Automatic Transmission and PNP Switch Inputs
Handling ESD Sensitive Parts Notice
Figure 6:

Heated Oxygen Sensors


Object Number: 544692  Size: FS
Engine Controls Components
Information Sensors/Switches Description
MAF Sensor and IAC Valve
Engine Sensors (Utility)
OBD II Symbol Description Notice
Power and Grounding Connector End Views
Ign RUN and START Bus Bar
VCM Connector End Views
Handling ESD Sensitive Parts Notice
G104 and G117
G102 (Except Export)
Figure 7:

MAF Sensor and IAC Valve


Object Number: 544693  Size: FS
Engine Controls Components
Information Sensors/Switches Description
Vehicle Speed Sensor (VSS)
Heated Oxygen Sensors
OBD II Symbol Description Notice
Power and Grounding Connector End Views
ENG I and OXYSEN Fuses
VCM Connector End Views
Handling ESD Sensitive Parts Notice
Ignition Controls
G103 and G105 (4.3L)
Handling ESD Sensitive Parts Notice
Figure 8:

Vehicle Speed Sensor (VSS)


Object Number: 544694  Size: FS
Engine Controls Components
Information Sensors/Switches Description
Ignition Controls
MAF Sensor and IAC Valve
OBD II Symbol Description Notice
VCM Connector End Views
Handling ESD Sensitive Parts Notice
Heated Oxygen Sensors
Speed Sensors
Speed Sensors
G104 and G117
Figure 9:

Ignition Controls


Object Number: 544685  Size: FS
Engine Controls Components
Information Sensors/Switches Description
Fuel Level Sensor
Vehicle Speed Sensor (VSS)
OBD II Symbol Description Notice
ENG I and OXYSEN Fuses
ECM I Fuse
Power and Grounding Connector End Views
MAF Sensor and IAC Valve
Handling ESD Sensitive Parts Notice
PCM/VCM, Data Link Connector (DLC), Engine Oil Pressure Gauge Sensor
VCM Connector End Views
G103 and G105 (4.3L)
Handling ESD Sensitive Parts Notice
G103 and G105 (4.3L)
Figure 10:

Fuel Level Sensor


Object Number: 544686  Size: FS
Engine Controls Components
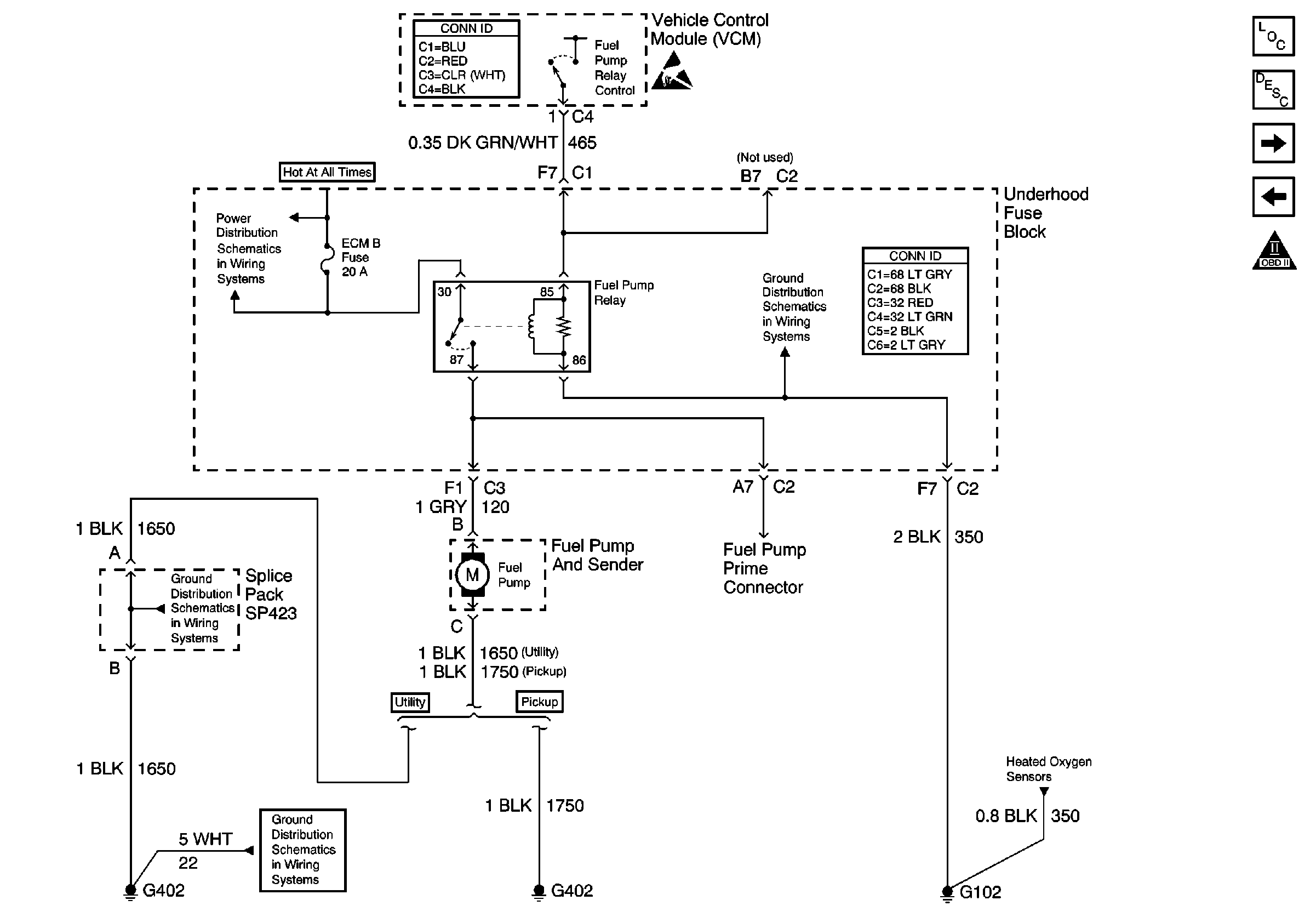
Fuel Supply Component Description
Fuel Pump Controls
Ignition Controls
OBD II Symbol Description Notice
Handling ESD Sensitive Parts Notice
Engine Sensors (Pickup)
Engine Sensors (Pickup)
VCM Connector End Views
Handling ESD Sensitive Parts Notice
Engine Sensors (Utility)
Figure 11:

Fuel Pump Controls


Object Number: 544687  Size: FS
Engine Controls Components
Fuel Supply Component Description
Fuel Injection Controls
Fuel Level Sensor
OBD II Symbol Description Notice
VCM Connector End Views
Handling ESD Sensitive Parts Notice
ECM B Fuse and Horn, Rear Defogger Relays
G102 (Except Export)
Power and Grounding Connector End Views
G402, G422 and G475 (Fleetside Pickup)
G402 (Utility)
Heated Oxygen Sensors
Figure 12:

Fuel Injection Controls


Object Number: 544688  Size: FS
Engine Controls Components
Central Sequential Duel Injection Fuel System Description
EGR and EVAP Valves
Fuel Pump Controls
OBD II Symbol Description Notice
ECM I Fuse
Power and Grounding Connector End Views
VCM Connector End Views
Handling ESD Sensitive Parts Notice
Figure 13:

EGR and EVAP Valves


Object Number: 544697  Size: FS
Engine Controls Components
Evaporative Emission Control System Operation Description Enhanced
Secondary AIR Pump Control
Fuel Injection Controls
OBD II Symbol Description Notice
Handling ESD Sensitive Parts Notice
MAF Sensor and IAC Valve
Power and Grounding Connector End Views
ENG I and OXYSEN Fuses
Engine Sensors (Pickup)
Engine Sensors (Pickup)
VCM Connector End Views
Figure 14:

Secondary AIR Pump Control


Object Number: 544695  Size: FS
Engine Controls Components
Vehicle Control Module Description
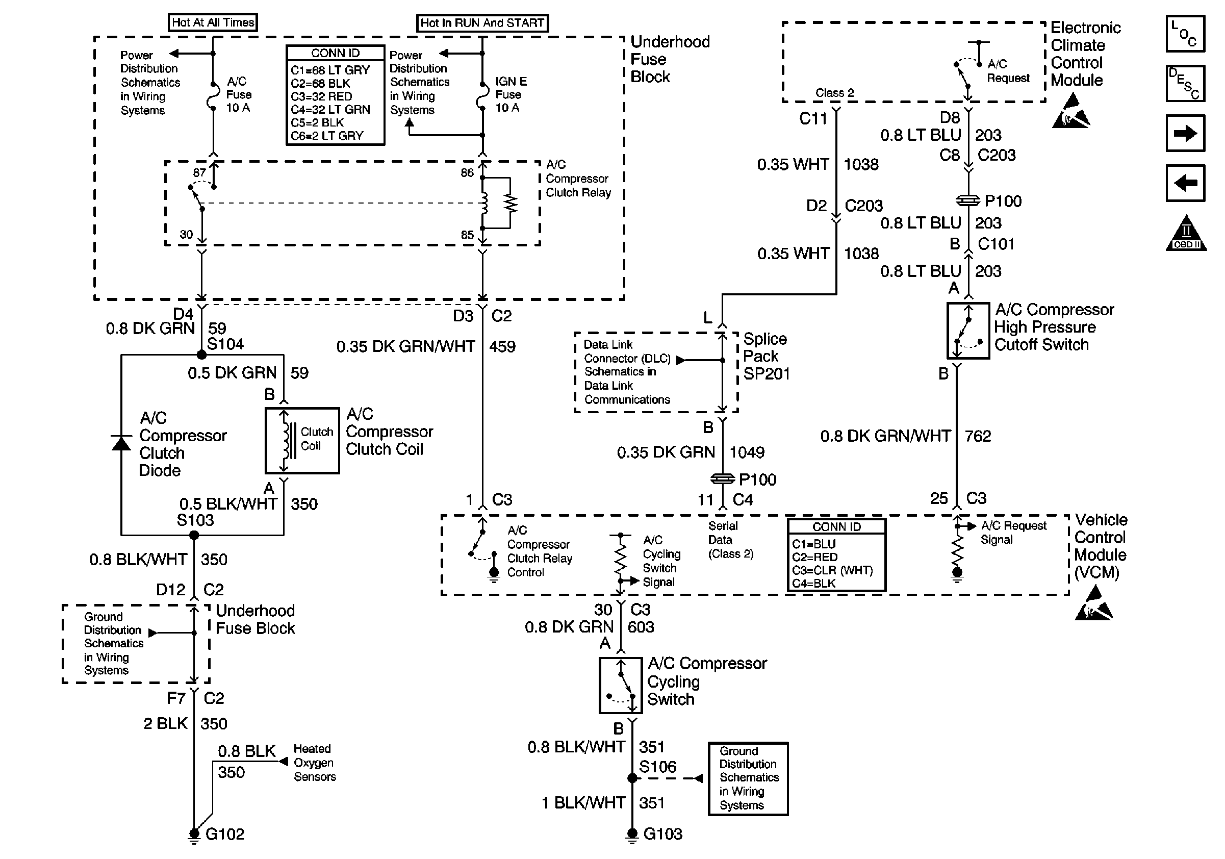
Manual A/C Compressor Control
EGR and EVAP Valves
OBD II Symbol Description Notice
Ign RUN and START Bus Bar
Power and Grounding Connector End Views
B+ Bus Bar
B+ Bus Bar
VCM Connector End Views
Handling ESD Sensitive Parts Notice
Figure 15:

Manual A/C Compressor Control


Object Number: 544709  Size: FS
Engine Controls Components
Vehicle Control Module Description
Automatic A/C Compressor Control
Secondary AIR Pump Control
OBD II Symbol Description Notice
B+ Bus Bar
Power and Grounding Connector End Views
Ign RUN and START Bus Bar
Ign ACC, RUN and RAP Bus Bar
G102 (Except Export)
Heated Oxygen Sensors
VCM Connector End Views
HVAC Connector End Views
G103 and G105 (4.3L)
Handling ESD Sensitive Parts Notice
RPO C60
Figure 16:

Automatic A/C Compressor Control


Object Number: 544711  Size: FS
Engine Controls Components
Vehicle Control Module Description
Brake Switch Input
Manual A/C Compressor Control
OBD II Symbol Description Notice
B+ Bus Bar
Power and Grounding Connector End Views
Ign RUN and START Bus Bar
Handling ESD Sensitive Parts Notice
G102 (Except Export)
Heated Oxygen Sensors
Automatic Transmission Switch Inputs
VCM Connector End Views
Handling ESD Sensitive Parts Notice
G103 and G105 (4.3L)
Figure 17:

Brake Switch Input


Object Number: 544705  Size: FS
Engine Controls Components
Vehicle Control Module Description
Vehicle Speed Signal, Transfer Case Shift Control Module and 4WD IndicAtor Switch
Automatic A/C Compressor Control
OBD II Symbol Description Notice
Ign ACC, RUN and RAP Bus Bar
Power and Ground (310 ABS)
Clutch Pedal Position Switch and Stoplamp Switch
Clutch Pedal Position Switch and Stoplamp Switch
VCM Connector End Views
Handling ESD Sensitive Parts Notice
Clutch Pedal Position Switch and Stoplamp Switch
Figure 18:

Vehicle Speed Signal, Transfer Case Shift Control Module and 4WD Indicator Switch


Object Number: 544698  Size: FS
Engine Controls Components
Vehicle Control Module Description
Automatic Transmission and PNP Switch Inputs
Brake Switch Input
OBD II Symbol Description Notice
Handling ESD Sensitive Parts Notice
Entertainment Connector End Views
Handling ESD Sensitive Parts Notice
Handling ESD Sensitive Parts Notice
Antilock Brake System Connector End Views
Handling ESD Sensitive Parts Notice
w/o Trip Computer
Power and Ground
Transfer Case Control Connector End Views
Handling ESD Sensitive Parts Notice
Class 2 Communication (310 ABS)
VCM Connector End Views
Handling ESD Sensitive Parts Notice
Figure 19:

Automatic Transmission and PNP Switch Inputs


Object Number: 544706  Size: FS
Engine Controls Components
Vehicle Control Module Description
Automatic Transmission Valve Controls
Vehicle Speed Signal, Transfer Case Shift Control Module and 4WD IndicAtor Switch
OBD II Symbol Description Notice
VCM Connector End Views
Handling ESD Sensitive Parts Notice
Engine Sensors (Pickup)
Handling ESD Sensitive Parts Notice
Shift Lock Control Connector End Views
G103 and G105 (4.3L)
Figure 20:

Automatic Transmission Valve Controls


Object Number: 544708  Size: FS
Engine Controls Components
Vehicle Control Module Description
Automatic Transmission and PNP Switch Inputs
OBD II Symbol Description Notice
Power
Column/Ignition Lock Schematics
Column/Ignition Lock Schematics
CLSTR and 4WD Fuses
VCM Connector End Views
Handling ESD Sensitive Parts Notice