GM Service Manual Online
For 1990-2009 cars only
Makes
🢒
GMC_Truck
🢒
2000
🢒
Jimmy - 2WD
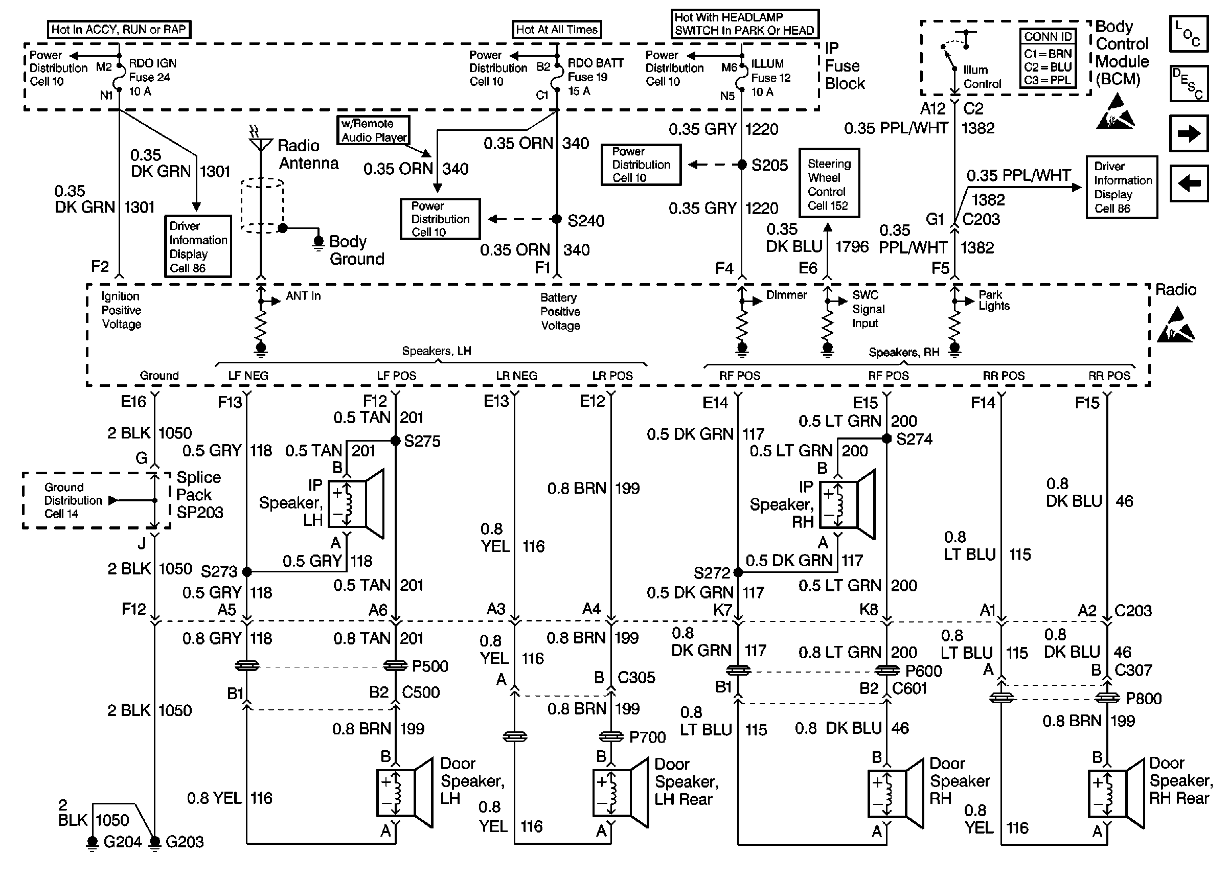
🢒 Cell 150: Radio Power, Ground and Speakers (Bravada w/o Amplifier)
Cell 150: Radio Power, Ground and Speakers (Bravada w/o Amplifier)
Cell 150: Radio Power, Ground and Speakers (Bravada w/o Amplifier)
Entertainment Components
Radio/Audio System Circuit Description
Cell 10: RDO IGN and STR WHL RDO IGN Fuses
Cell 10: AUX PWR, RDO BATT and HDLP SW Fuses
Cell 10: ILLUM, PARK LP Fuses
Body Control System Connector End Views
Handling ESD Sensitive Parts Notice
Cell 86: Outside Ambient Temperature Display Sensor (w/ Trip Computer)
Cell 152
Cell 10: ILLUM Power (Utility)
Cell 10: AUX PWR, RDO BATT and HDLP SW Fuses
Cell 86: Power and Ground (w/ Trip Computer)
Cell 150: Radio Power and Ground (Bravada w/ Amplifier)
Cell 150: Rear Seat Audio Module (Envoy)
Handling ESD Sensitive Parts Notice
Cell 14: G203 and G204 (Utility w/ Auto A/C)