GM Service Manual Online
For 1990-2009 cars only
Figure 1:

Power, Ground, Serial Data, Indicator and Stop Lamp Switch - w/o JL4


Object Number: 1256859  Size: FS
Master Electrical Component List
ABS Description and Operation w/JL4
Wheel Speed Sensors and VSS - w/o VSES
IGN A Fuse, Start, ACCY/RUN/START and RUN Bus Bars
IGN B Fuse, ACCY/RUN and RUN/START Bus Bars
Spare, IGN E, SIR, TBC IGN 1 and ISRV Fuses
PCM BAT, ABS, TRLR, BLOW, STOP LP, IPC AUX PWR and CIGAR Fuses
Data Link Connector (DLC)
Fuel Controls - EVAP and Device Controls
Fuel Controls - EVAP and Device Controls
w/o JL4
Figure 2:

Wheel Speed Sensors and VSS - w/o JL4


Object Number: 1256922  Size: FS
Master Electrical Component List
ABS Description and Operation w/JL4
Power, Ground, Serial Data, Indicator, VSS and Stop Lamp Switch - JL4
Power, Ground, Serial Data, Indicator and Stop Lamp Switch - w/o VSES
Antilock Brake System Schematic Icons
Antilock Brake System Schematic Icons
Figure 3:

Power, Ground, Serial Data, Indicator, VSS and Stop Lamp Switch - JL4


Object Number: 1261703  Size: FS
Master Electrical Component List
ABS Description and Operation W/O JL4
Wheel Speed Sensors - JL4
Wheel Speed Sensors and VSS - w/o VSES
IGN B Fuse, ACCY/RUN and RUN/START Bus Bars
Spare, IGN E, SIR, TBC IGN 1 and ISRV Fuses
IGN A Fuse, Start, ACCY/RUN/START and RUN Bus Bars
B+ Bus - Body Fuse Block
RR Blower, AUXILIARY 1, OSRVM and SPARE Fuses, PWR WND Circuit Breaker
PCM BAT, ABS, TRLR, BLOW, STOP LP, IPC AUX PWR and CIGAR Fuses
TBC, TBC 2, TBC 3, TBC 4, RADIO BAT, RR DEF/HTD MIR, FLASHER and RFA Fuses, PWR SEAT Circuit Breaker
JL4
Data Link Connector (DLC)
Figure 4:

Wheel Speed Sensors - JL4


Object Number: 1261704  Size: FS
Master Electrical Component List
ABS Description and Operation W/O JL4
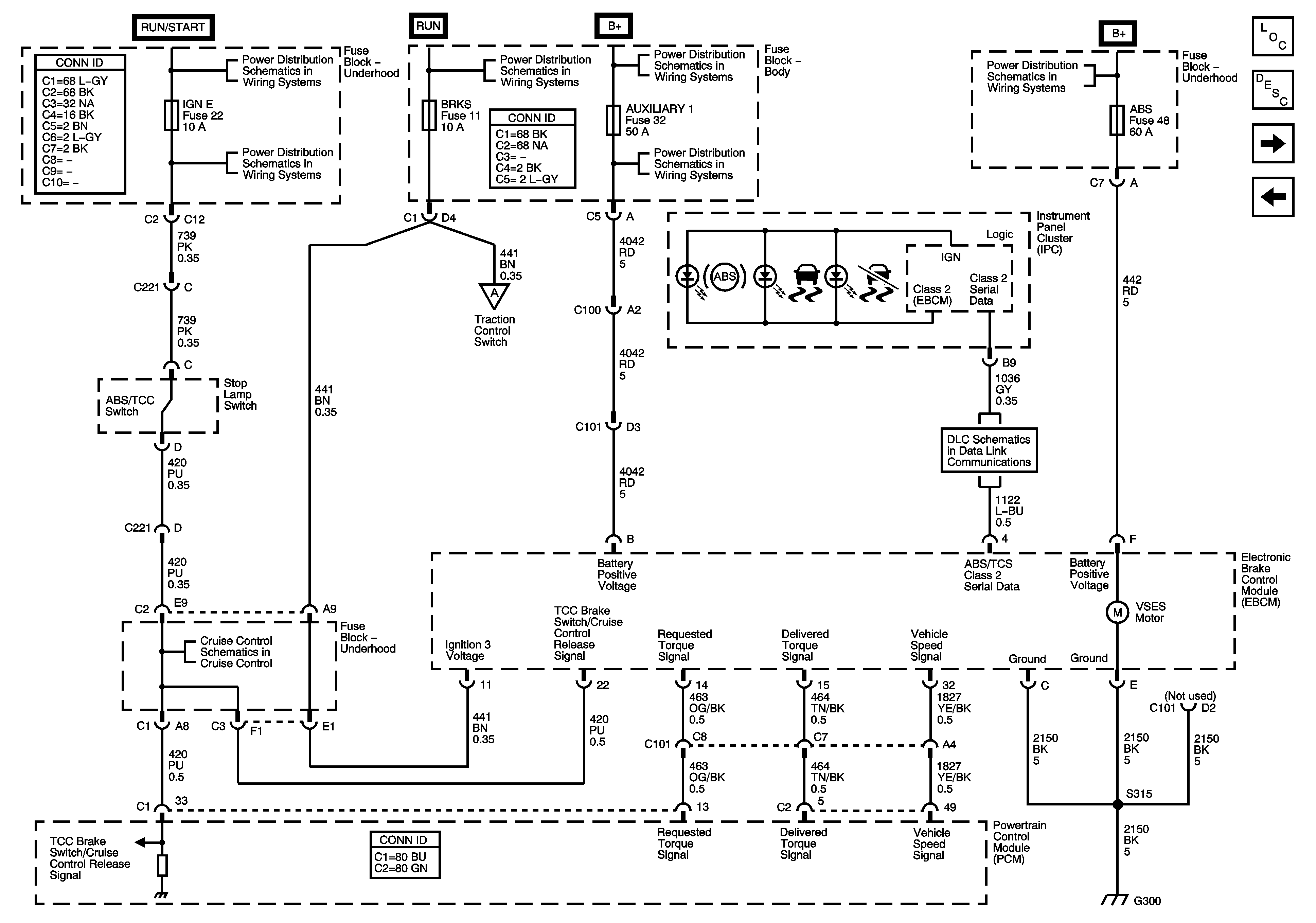
Yaw and Lateral Acceleration Sensor Inputs - JL4
Power, Ground, Serial Data, Indicator, VSS and Stop Lamp Switch - JL4
Antilock Brake System Schematic Icons
Antilock Brake System Schematic Icons
Antilock Brake System Schematic Icons
Antilock Brake System Schematic Icons
Antilock Brake System Schematic Icons
Antilock Brake System Schematic Icons
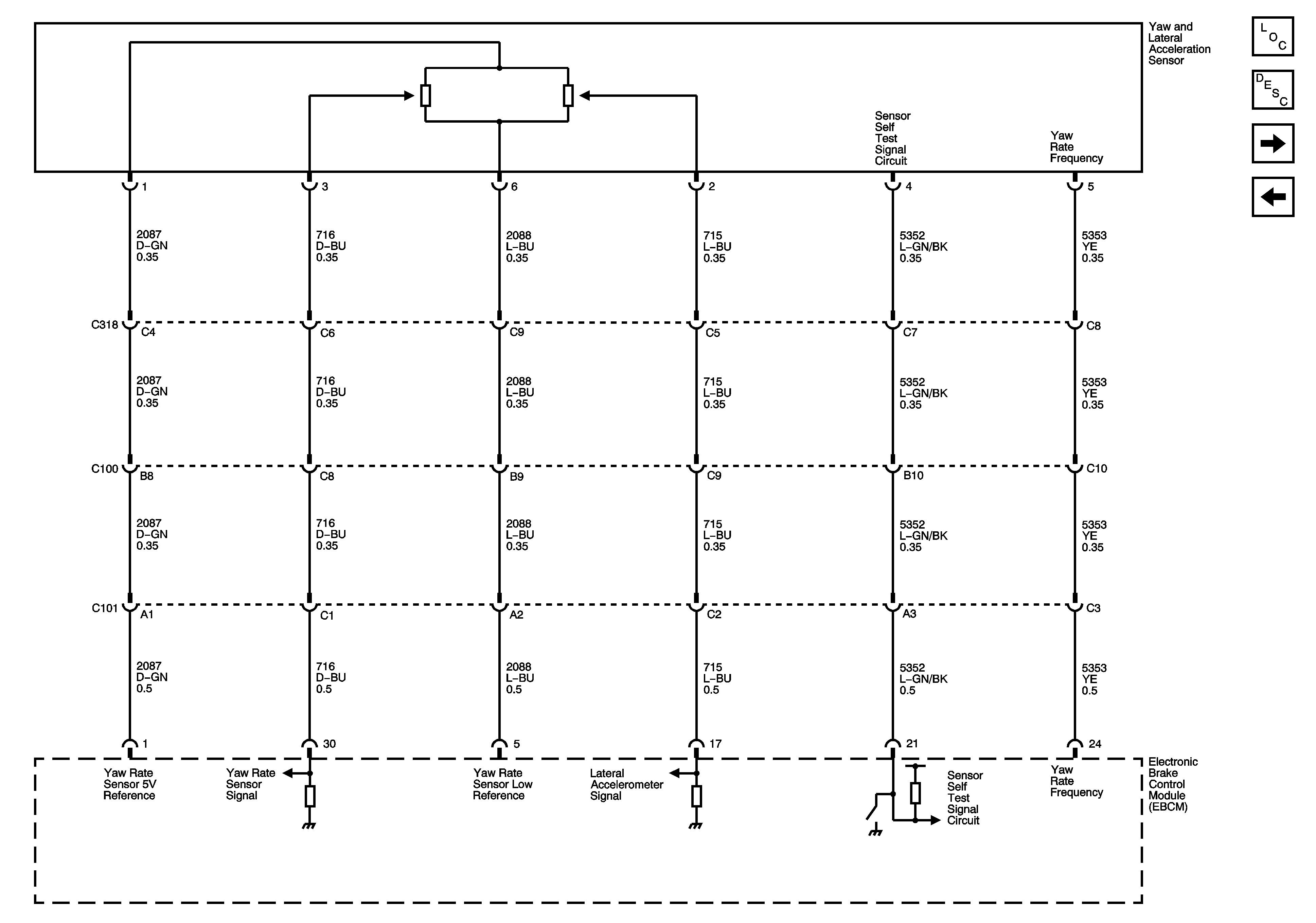
Figure 5:

Yaw and Lateral Acceleration Sensor Inputs - JL4


Object Number: 1261705  Size: FS
Master Electrical Component List
ABS Description and Operation W/O JL4
Steering Wheel/Speed Position Inputs, Traction Control Switch and Precharge Pump - JL4
Wheel Speed Sensors - JL4
Figure 6:

Steering Wheel/Speed Position Inputs, Traction Control Switch and Precharge Pump - JL4


Object Number: 1261706  Size: FS
Master Electrical Component List
ABS Description and Operation W/O JL4
Yaw and Lateral Acceleration Sensor Inputs - JL4
IGN B Fuse, ACCY/RUN and RUN/START Bus Bars
O2A, O2B, SPARE, BTSI/BU, PCM IGN 1, BTSI and TRLR BU Fuses
O2A, O2B, SPARE, BTSI/BU, PCM IGN 1, BTSI and TRLR BU Fuses
Power, Ground, Serial Data, Indicator, VSS and Stop Lamp Switch - JL4
I/P Dimming Supply Voltage 1 of 3 and LED Dimming Supply Voltage
G303 and G304
G303 and G304