GM Service Manual Online
For 1990-2009 cars only
Makes
🢒
GMC_Truck
🢒
2004
🢒
Savana - AWD
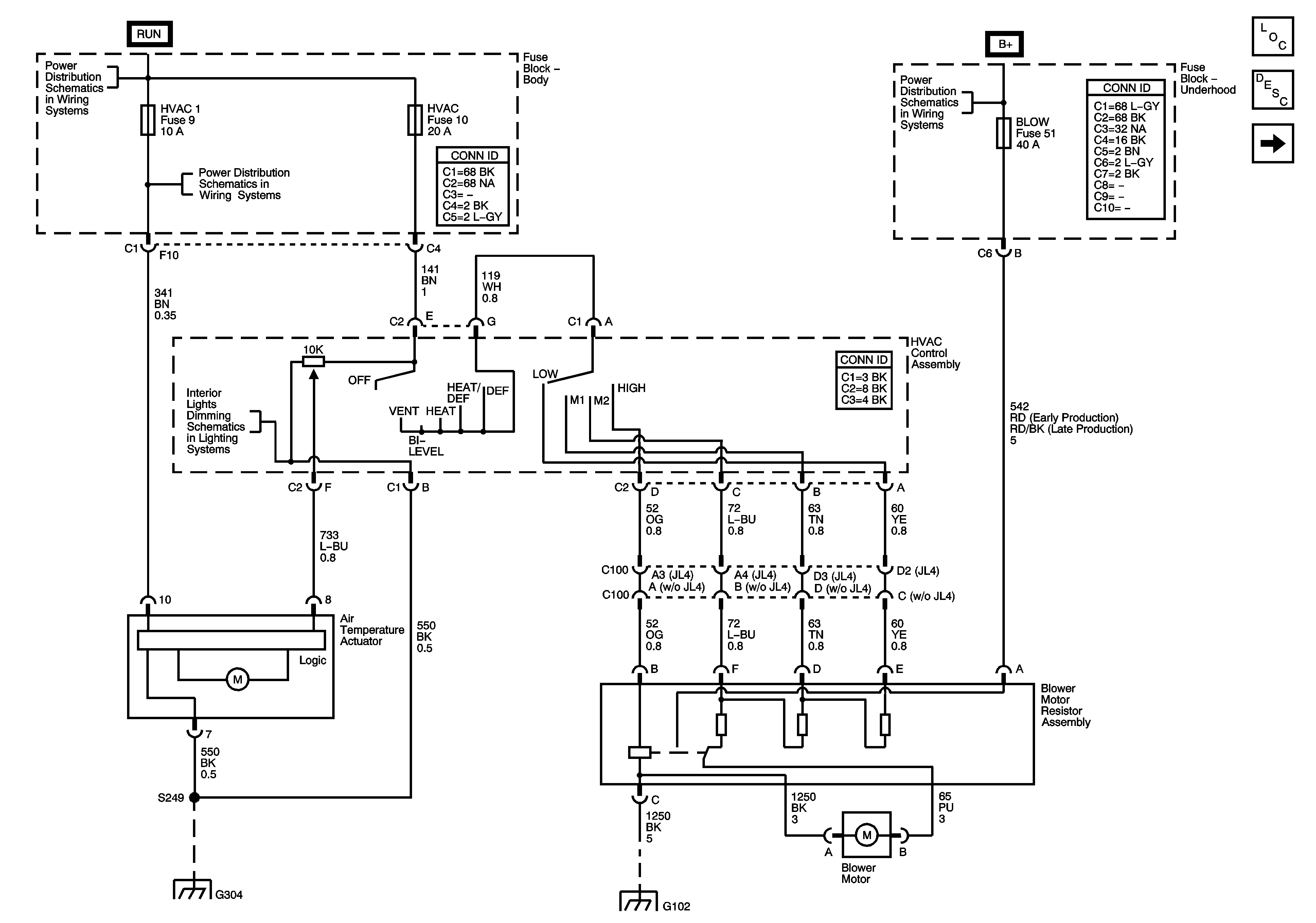
🢒 Primary Blower and Air Delivery Controls - C42
Primary Blower and Air Delivery Controls - C42
Primary Blower and Air Delivery Controls - C42
Master Electrical Component List
Air Delivery Description and Operation
Primary Blower and Air Delivery Controls - C60
IGN A Fuse, Start, ACCY/RUN/START and RUN Bus Bars
HVAC 1 Fuse
B+ Bus - Underhood Fuse Block
I/P Dimming Supply Voltage 1 of 3 and LED Dimming Supply Voltage
G303 and G304
G102