GM Service Manual Online
For 1990-2009 cars only
Figure 1:

B+ Bus


Object Number: 1492732  Size: FS
Master Electrical Component List
Ignition Switch, OFF/RUN/START, RUN/START, and START Bus Bars
Figure 2:

Ignition Switch - OFF/RUN/START, RUN/START, and START Busses


Object Number: 1492733  Size: FS
Master Electrical Component List
Ignition Switch, RUN and ACC/RUN Bus Bars
B+ Bus Bar
B+ Bus Bar
Figure 3:

Ignition Switch - RUN and ACC/RUN Busses


Object Number: 1492734  Size: FS
Master Electrical Component List
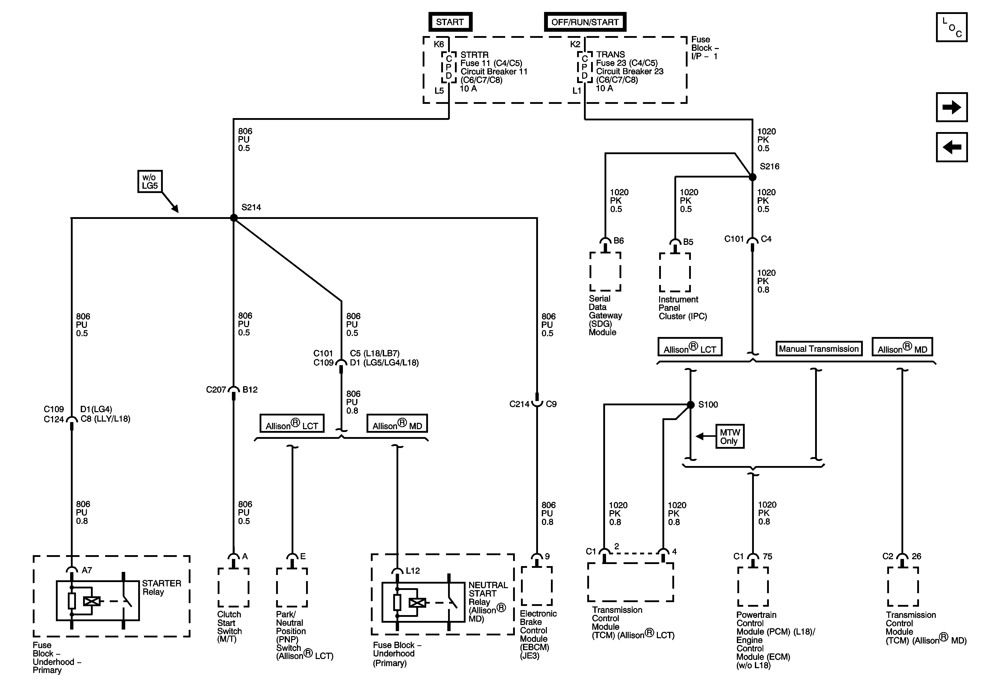
I/P Fuse Block, START and TRANS Fuses/Circuit Breakers
Ignition Switch, OFF/RUN/START, RUN/START, and START Bus Bars
B+ Bus Bar
Figure 4:

START and TRANS Fuses/Circuit Breakers


Object Number: 1492736  Size: FS
Master Electrical Component List
I/P Fuse Block, TURN/BACKUP Fuse/Circuit Breaker
Ignition Switch, RUN and ACC/RUN Bus Bars
Figure 5:

TURN/BACKUP Fuse/Circuit Breaker


Object Number: 1492737  Size: FS
Master Electrical Component List
I/P Fuse Block, R-RR TRUCK, L-RR TRUCK, GAGES, and SIR Fuses/Circuit Breaker
I/P Fuse Block, START and TRANS Fuses/Circuit Breakers
Ignition Switch, OFF/RUN/START, RUN/START, and START Bus Bars
Underhood Fuse Block, I/P Fuse Block, BATT/HAZ Fuse, PWR ACCY, HAZARD, TRLR TRN/HAZ, and STOP Fuses/Circuit Breakers
I/P Fuse Block, R-RR TRUCK, L-RR TRUCK, GAGES, and SIR Fuses/Circuit Breaker
I/P Fuse Block, R-RR TRUCK, L-RR TRUCK, GAGES, and SIR Fuses/Circuit Breaker
Figure 6:

GAGES, L-RR TRUCK, R-RR TRUCK, and SIR Fuses/Circuit Breakers


Object Number: 1492738  Size: FS
Master Electrical Component List
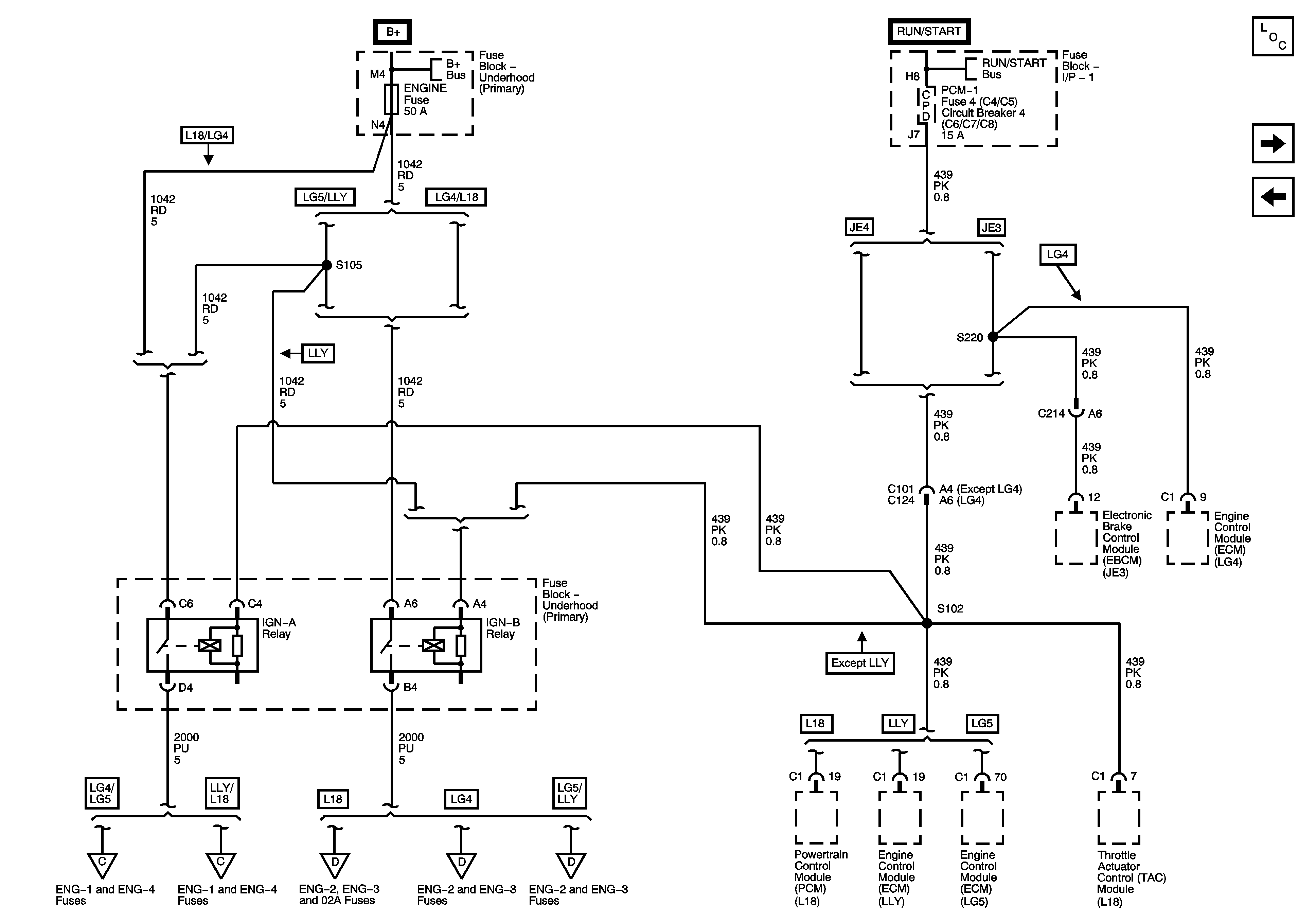
Underhood Fuse Block, ENGINE Fuse and I/P Fuse Block, PCM-I Fuse/Circuit Breaker
I/P Fuse Block, TURN/BACKUP Fuse/Circuit Breaker
I/P Fuse Block, TURN/BACKUP Fuse/Circuit Breaker
I/P Fuse Block, TURN/BACKUP Fuse/Circuit Breaker
B+ Bus Bar
Figure 7:

ENGINE and PCM-1 Fuses/Circuit Breakers


Object Number: 1492739  Size: FS
Master Electrical Component List
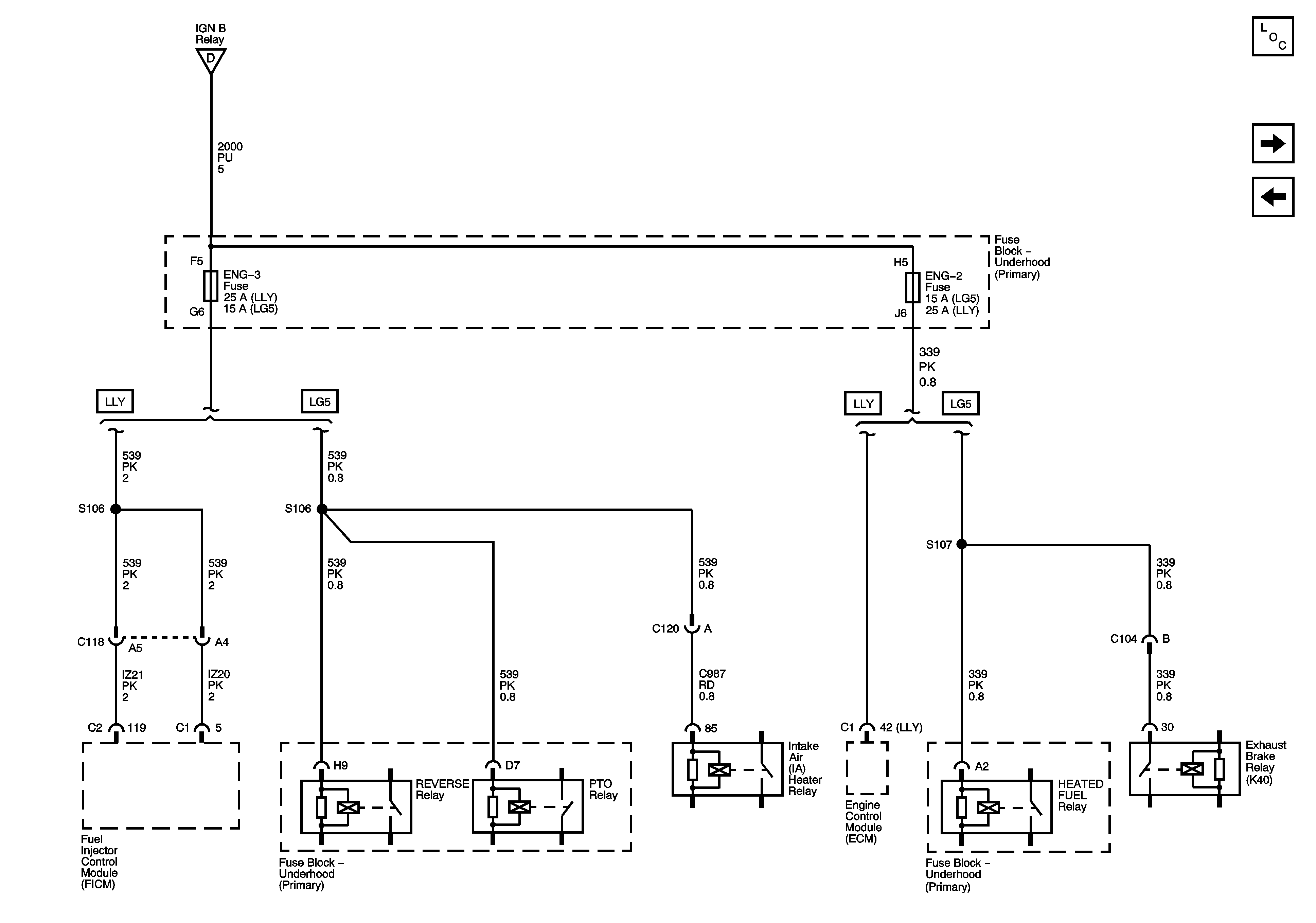
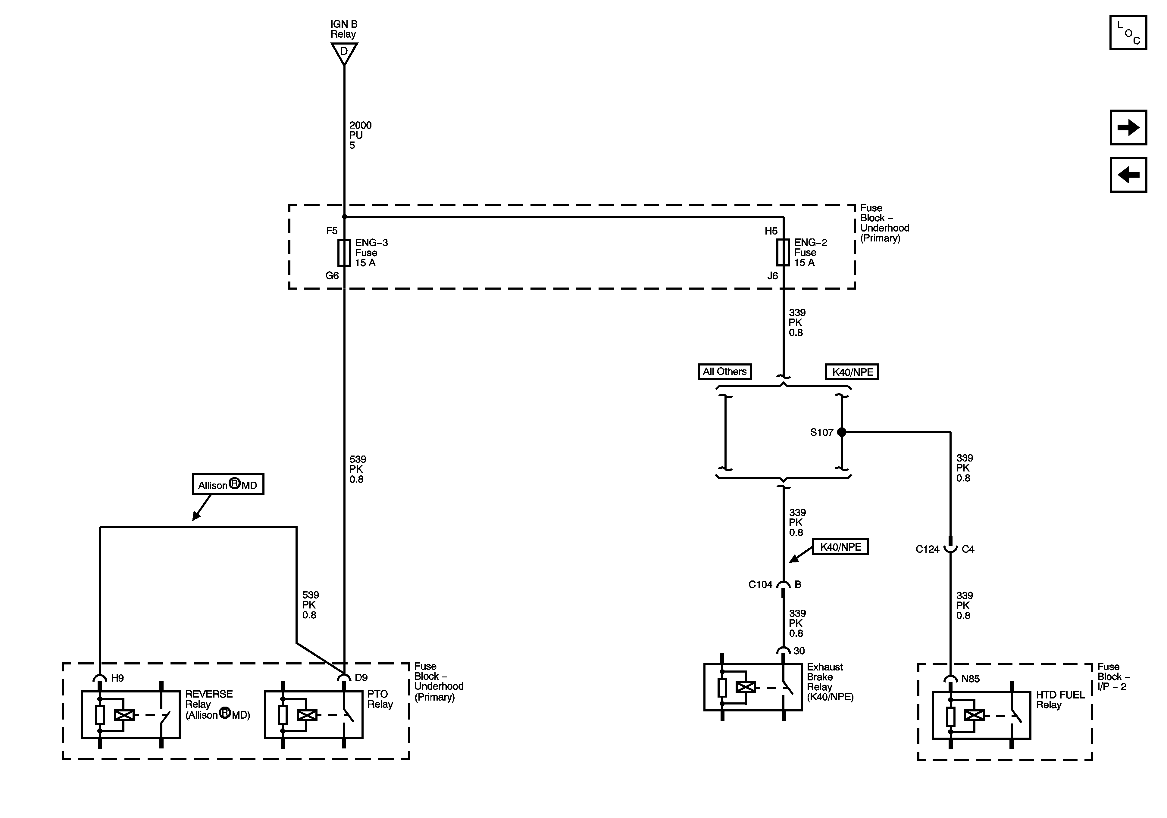
Underhood Fuse Block, ENG 3 and ENG 2 Fuses (L18)
I/P Fuse Block, R-RR TRUCK, L-RR TRUCK, GAGES, and SIR Fuses/Circuit Breaker
B+ Bus Bar
B+ Bus Bar
Underhood Fuse Block, ENG4 and ENG1 Fuses (LG4/LG5)
Underhood Fuse Block, ENG 4 and ENG 1 Fuses (L18/LB7)
Underhood Fuse Block, ENG 3 and ENG 2 Fuses (L18)
Underhood Fuse Block, ENG 3, O2A, and ENG 2 Fuses (LG4)
Underhood Fuse Block, ENG 3 and ENG 2 Fuses (LG5/LB7)
Figure 8:

ENG-2, ENG-3, and O2S Fuses - L18


Object Number: 1492740  Size: FS
Master Electrical Component List
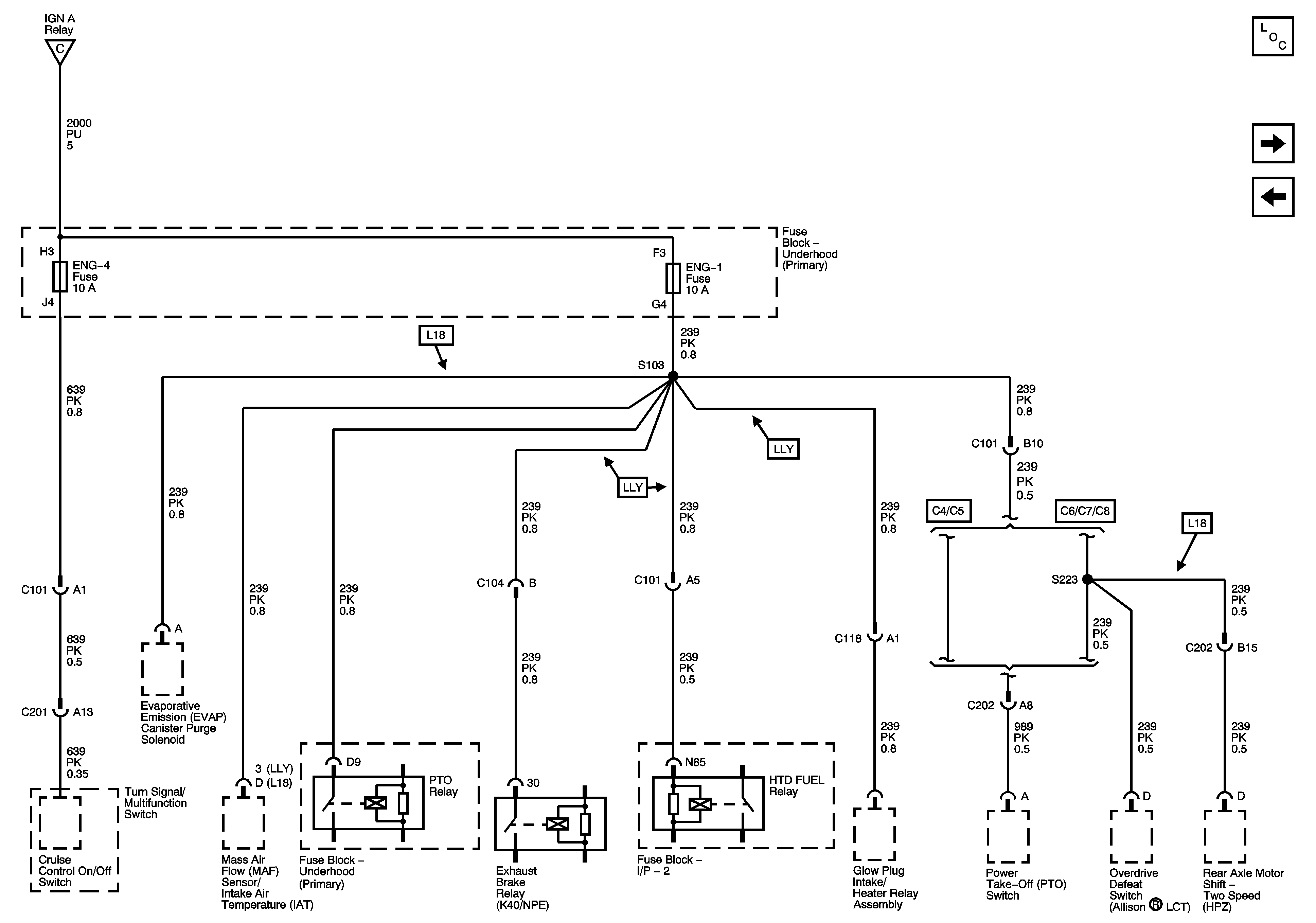
Underhood Fuse Block, ENG 3, O2A, and ENG 2 Fuses (LG4)
Underhood Fuse Block, ENGINE Fuse and I/P Fuse Block, PCM-I Fuse/Circuit Breaker
Underhood Fuse Block, ENGINE Fuse and I/P Fuse Block, PCM-I Fuse/Circuit Breaker
Figure 9:

ENG-2, ENG-3, and O2A Fuses - LG4


Object Number: 1492741  Size: FS
Master Electrical Component List
Underhood Fuse Block, ENG 3 and ENG 2 Fuses (LG5/LB7)
Underhood Fuse Block, ENG 3 and ENG 2 Fuses (L18)
Underhood Fuse Block, ENGINE Fuse and I/P Fuse Block, PCM-I Fuse/Circuit Breaker
Figure 10:

ENG-2 and ENG-3 Fuses - LG5/LLY


Object Number: 1492743  Size: FS
Master Electrical Component List
Underhood Fuse Block, ENG4 and ENG1 Fuses (LG4/LG5)
Underhood Fuse Block, ENG 3, O2A, and ENG 2 Fuses (LG4)
Underhood Fuse Block, ENGINE Fuse and I/P Fuse Block, PCM-I Fuse/Circuit Breaker
Figure 11:

ENG-1 and ENG-4 Fuses - LG4/LG5


Object Number: 1492744  Size: FS
Master Electrical Component List
Underhood Fuse Block, ENG 4 and ENG 1 Fuses (L18/LB7)
Underhood Fuse Block, ENG 3 and ENG 2 Fuses (LG5/LB7)
Underhood Fuse Block, ENGINE Fuse and I/P Fuse Block, PCM-I Fuse/Circuit Breaker
Figure 12:

ENG-1 and ENG-4 Fuses - L18/LLY


Object Number: 1492745  Size: FS
Master Electrical Component List
BRAKE, CHASSIS, HTR/AC, and AXLE/4WD Fuses/Circuit Breakers
Underhood Fuse Block, ENG4 and ENG1 Fuses (LG4/LG5)
Underhood Fuse Block, ENGINE Fuse and I/P Fuse Block, PCM-I Fuse/Circuit Breaker
Figure 13:

AXLE/4WD, BRAKE, CHASSIS, and HTR/AC Fuses/Circuit Breakers


Object Number: 1492746  Size: FS
Master Electrical Component List
I/P Fuse Block, IGN 4, and AUX RLY Fuses/Circuit Breakers
Underhood Fuse Block, ENG 4 and ENG 1 Fuses (L18/LB7)
Figure 14:

AUX RLY and IGN 4 - I/P Fuse Block Fuses/Circuit Breakers


Object Number: 1492748  Size: FS
Master Electrical Component List
IGN 4 and HDLP Fuses, ELECTRIC BRAKE (C4/C5), BRAKE LAMP (C6/C7/C8), AND PWR WINDOW Circuit Breakers, RADIO, DRL, and MARKER Fuses/Circuit Breakers
BRAKE, CHASSIS, HTR/AC, and AXLE/4WD Fuses/Circuit Breakers
Figure 15:

BRAKE LAMP - C6/C7/C8, DRL, ELECTRIC BRAKE - C4/C5, HDLP, IGN - Underhood Fuse Block, MARKER, PWR WINDOW, and RADIO Fuses/Circuit Breakers


Object Number: 1492749  Size: FS
Master Electrical Component List
Underhood Fuse Block, LIGHTING and HVAC Fuses, I/P Fuse Block, and COURTESY, PARK, ILLUM, RH PARK LP, and LH PARK LP Fuses/Circuit Breakers
I/P Fuse Block, IGN 4, and AUX RLY Fuses/Circuit Breakers
B+ Bus Bar
Figure 16:

COURTESY, HVAC, ILLUM, LH PARK LP, LIGHTING, PARK, and RH PARK LP Fuses/Circuit Breakers - 1 of 2


Object Number: 1492750  Size: FS
Master Electrical Component List
COURTESY, and LH PARK LP Fuse/Circuit Breaker
IGN 4 and HDLP Fuses, ELECTRIC BRAKE (C4/C5), BRAKE LAMP (C6/C7/C8), AND PWR WINDOW Circuit Breakers, RADIO, DRL, and MARKER Fuses/Circuit Breakers
B+ Bus Bar
COURTESY, and LH PARK LP Fuse/Circuit Breaker
COURTESY, and LH PARK LP Fuse/Circuit Breaker
COURTESY, and LH PARK LP Fuse/Circuit Breaker
Figure 17:

COURTESY and LH PARK LP Fuses/Circuit Breakers - 2 of 2


Object Number: 1492751  Size: FS
Master Electrical Component List
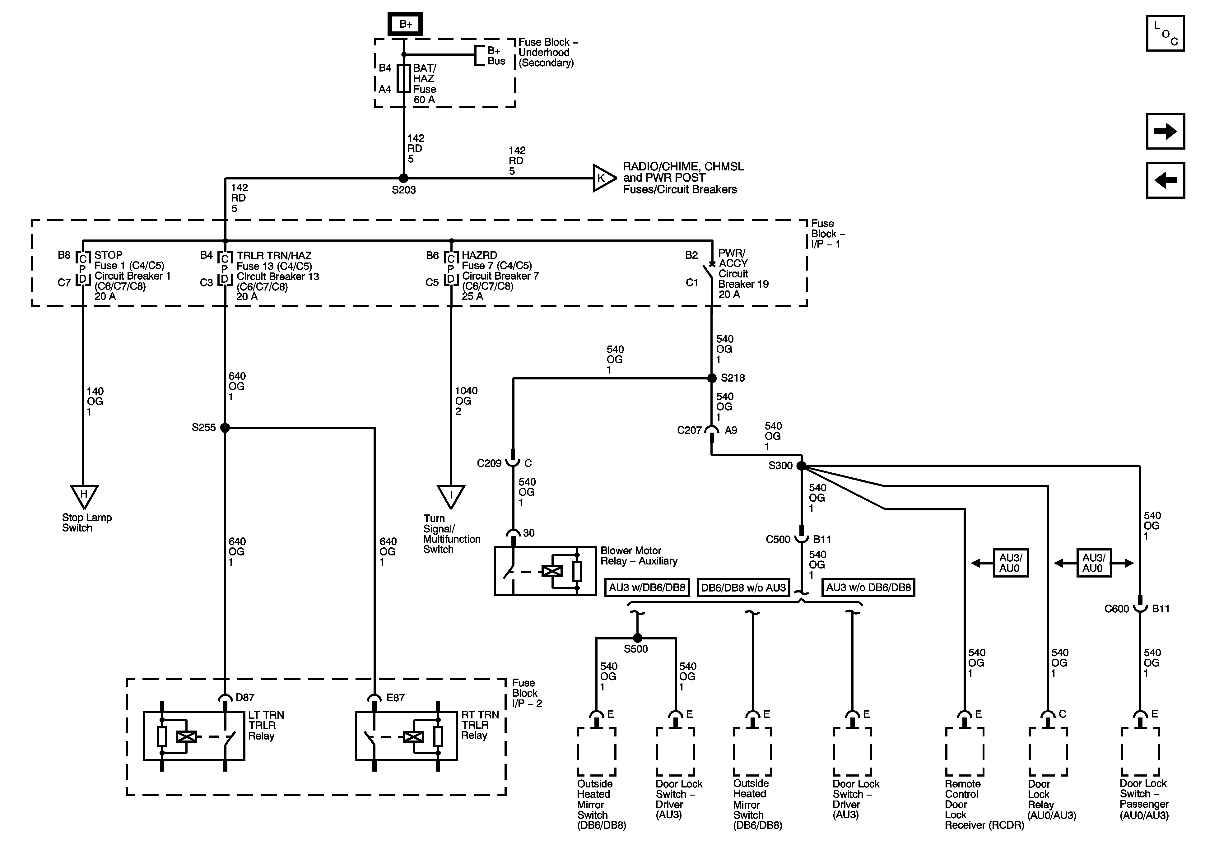
Underhood Fuse Block, I/P Fuse Block, BATT/HAZ Fuse, PWR ACCY, HAZARD, TRLR TRN/HAZ, and STOP Fuses/Circuit Breakers
Underhood Fuse Block, LIGHTING and HVAC Fuses, I/P Fuse Block, and COURTESY, PARK, ILLUM, RH PARK LP, and LH PARK LP Fuses/Circuit Breakers
Underhood Fuse Block, LIGHTING and HVAC Fuses, I/P Fuse Block, and COURTESY, PARK, ILLUM, RH PARK LP, and LH PARK LP Fuses/Circuit Breakers
Underhood Fuse Block, LIGHTING and HVAC Fuses, I/P Fuse Block, and COURTESY, PARK, ILLUM, RH PARK LP, and LH PARK LP Fuses/Circuit Breakers
Underhood Fuse Block, LIGHTING and HVAC Fuses, I/P Fuse Block, and COURTESY, PARK, ILLUM, RH PARK LP, and LH PARK LP Fuses/Circuit Breakers
Figure 18:

BAT/HAZ, HAZARD, PWR ACCY, STOP, and TRLR TRN/HAZ Fuses/Circuit Breakers


Object Number: 1492752  Size: FS
Master Electrical Component List
I/P Fuse Block, BRAKE ISO Fuse/Circuit Breaker
COURTESY, and LH PARK LP Fuse/Circuit Breaker
B+ Bus Bar
RADIO/CHIME, CHMSL, and PWR POST Fuses/Circuit Breakers
I/P Fuse Block, BRAKE ISO Fuse/Circuit Breaker
I/P Fuse Block, TURN/BACKUP Fuse/Circuit Breaker
Figure 19:

BRAKE ISO Fuse/Circuit Breaker


Object Number: 1492753  Size: FS
Master Electrical Component List
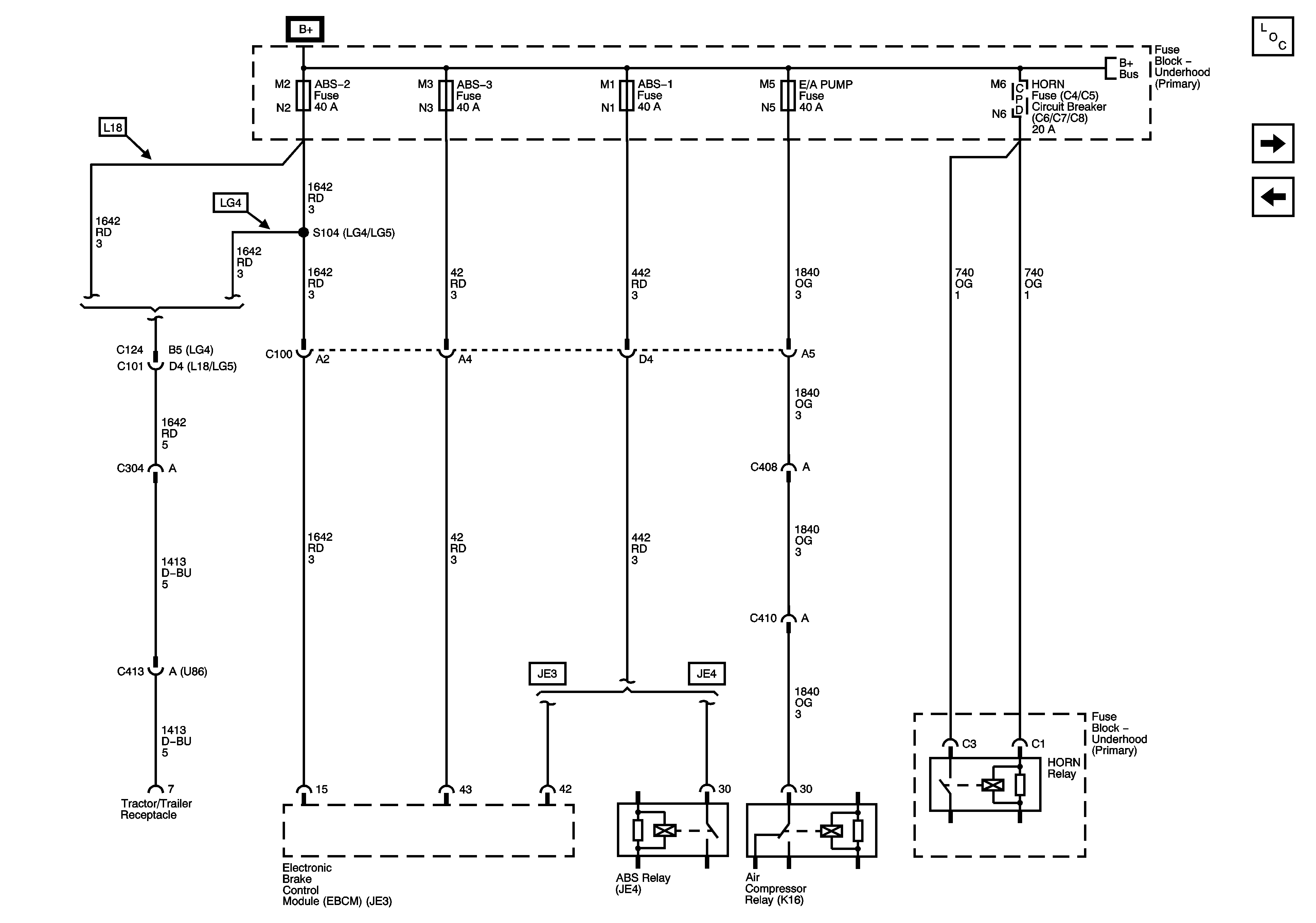
ABS 2, ABS 3, ABS 1, and E/A Pump Fuses and HORN Fuse/Circuit Breaker
Underhood Fuse Block, I/P Fuse Block, BATT/HAZ Fuse, PWR ACCY, HAZARD, TRLR TRN/HAZ, and STOP Fuses/Circuit Breakers
Underhood Fuse Block, I/P Fuse Block, BATT/HAZ Fuse, PWR ACCY, HAZARD, TRLR TRN/HAZ, and STOP Fuses/Circuit Breakers
Figure 20:

ABS 1, ABS 2, ABS 3, E/A PUMP, and HORN Fuses/Circuit Breakers


Object Number: 1492754  Size: FS
Master Electrical Component List
Underhood Fuse Block, PCM-B, HTD FUEL, A/C COMP, and RR DEFOG Fuses
I/P Fuse Block, BRAKE ISO Fuse/Circuit Breaker
B+ Bus Bar
Figure 21:

A/C COMP, HTD FUEL, PCM-B, and RR DEFOG Fuses


Object Number: 1492755  Size: FS
Master Electrical Component List
FUEL Fuse/Circuit Breaker (L18/LB7), PCV Circuit Breaker (LG4), and ECM-B Circuit Breaker (LG5)
ABS 2, ABS 3, ABS 1, and E/A Pump Fuses and HORN Fuse/Circuit Breaker
FUEL Fuse/Circuit Breaker (L18/LB7), PCV Circuit Breaker (LG4), and ECM-B Circuit Breaker (LG5)
Figure 22:

FUEL Fuse/Circuit Breaker - L18/LLY, PCV Circuit Breaker - LG4, and ECM-B Circuit Breaker - LG5


Object Number: 1492756  Size: FS
Master Electrical Component List
RADIO/CHIME, CHMSL, and PWR POST Fuses/Circuit Breakers
Underhood Fuse Block, PCM-B, HTD FUEL, A/C COMP, and RR DEFOG Fuses
B+ Bus Bar
Underhood Fuse Block, PCM-B, HTD FUEL, A/C COMP, and RR DEFOG Fuses
Figure 23:

PWR ST, RADIO/CHIME, and STOP LPS Fuses/Circuit Breakers


Object Number: 1492758  Size: FS
Master Electrical Component List
FUEL Fuse/Circuit Breaker (L18/LB7), PCV Circuit Breaker (LG4), and ECM-B Circuit Breaker (LG5)
Underhood Fuse Block, I/P Fuse Block, BATT/HAZ Fuse, PWR ACCY, HAZARD, TRLR TRN/HAZ, and STOP Fuses/Circuit Breakers