GM Service Manual Online
For 1990-2009 cars only
Makes
🢒
GMC_Truck
🢒
2003
🢒
Yukon - 2WD
🢒
Body and Accessories
🢒
Stationary Windows
🢒 Defogger Schematics
Figure
1:
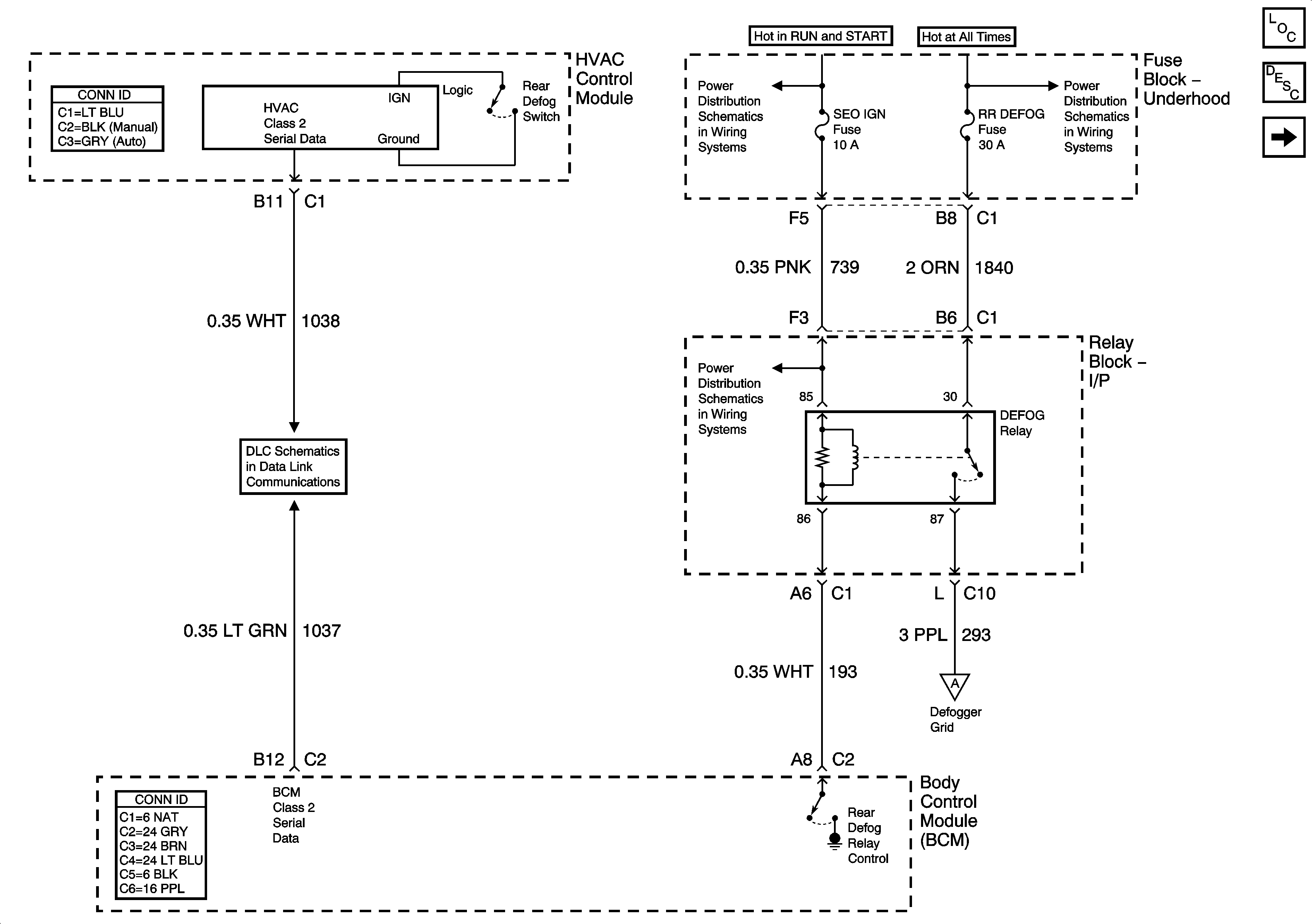
Rear Window Defogger Control
Master Electrical Component List
Rear Window Defogger Description and Operation
Defogger Grid and Ground
IGN 1 Relay Bus, SEO B2, RR DEFOG, SEO IGN, B/U LP
IGN 1 Relay Bus, SEO B2, RR DEFOG, SEO IGN, B/U LP
SP205 - 1 of 2
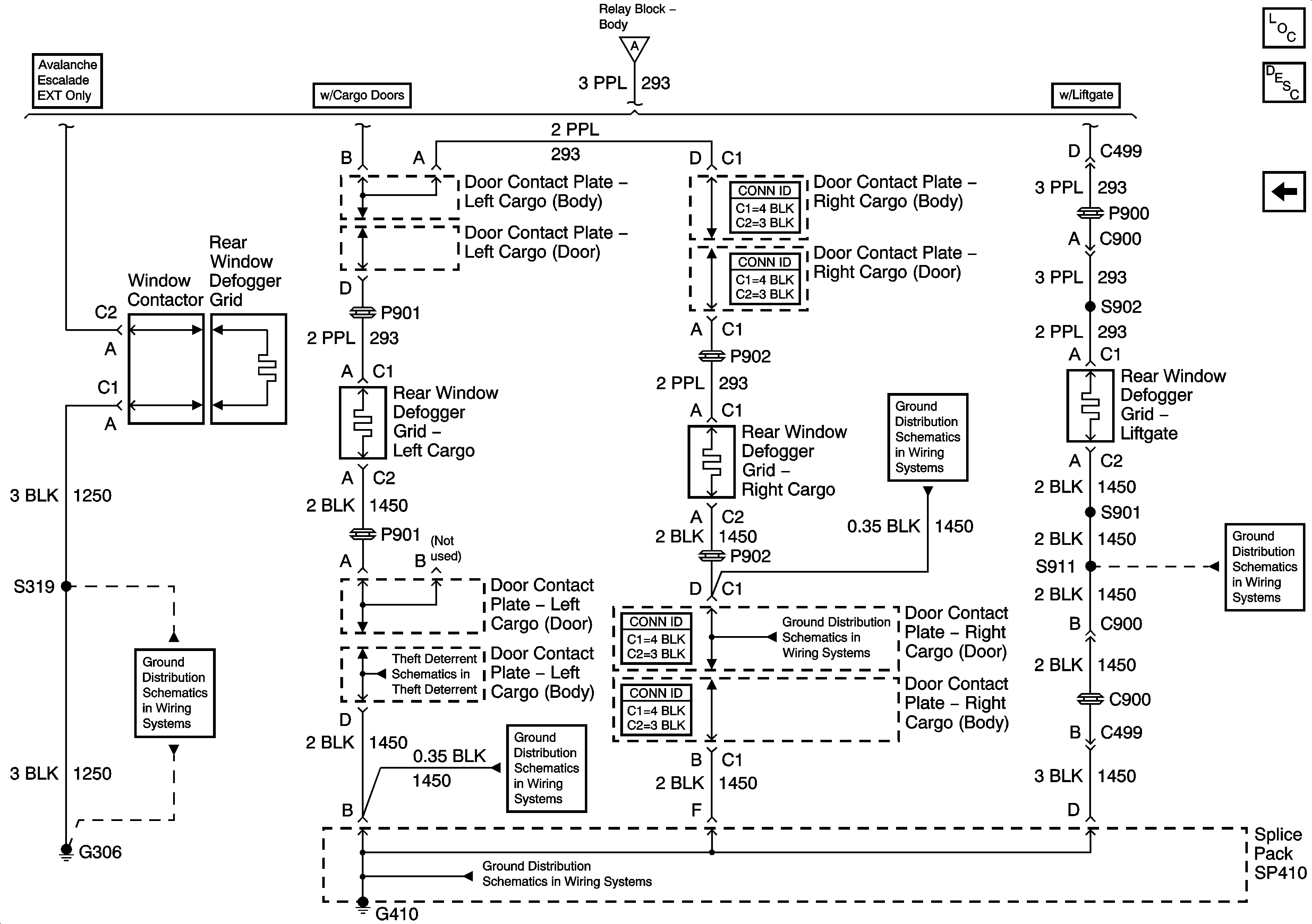
Defogger Grid and Ground
Figure
2:
Defogger Grid and Ground
Master Electrical Component List
Rear Window Defogger Description and Operation
Rear Window Defogger Control
Rear Window Defogger Control
G306
Cargo Door and Liftgate Switches
G410 - 1 Of 3
G410 - 3 Of 3
G410 - 2 Of 3
G410 - 1 Of 3
G410 - 3 Of 3