GM Service Manual Online
For 1990-2009 cars only
Makes
🢒
GMC_Truck
🢒
2003
🢒
Yukon - 2WD
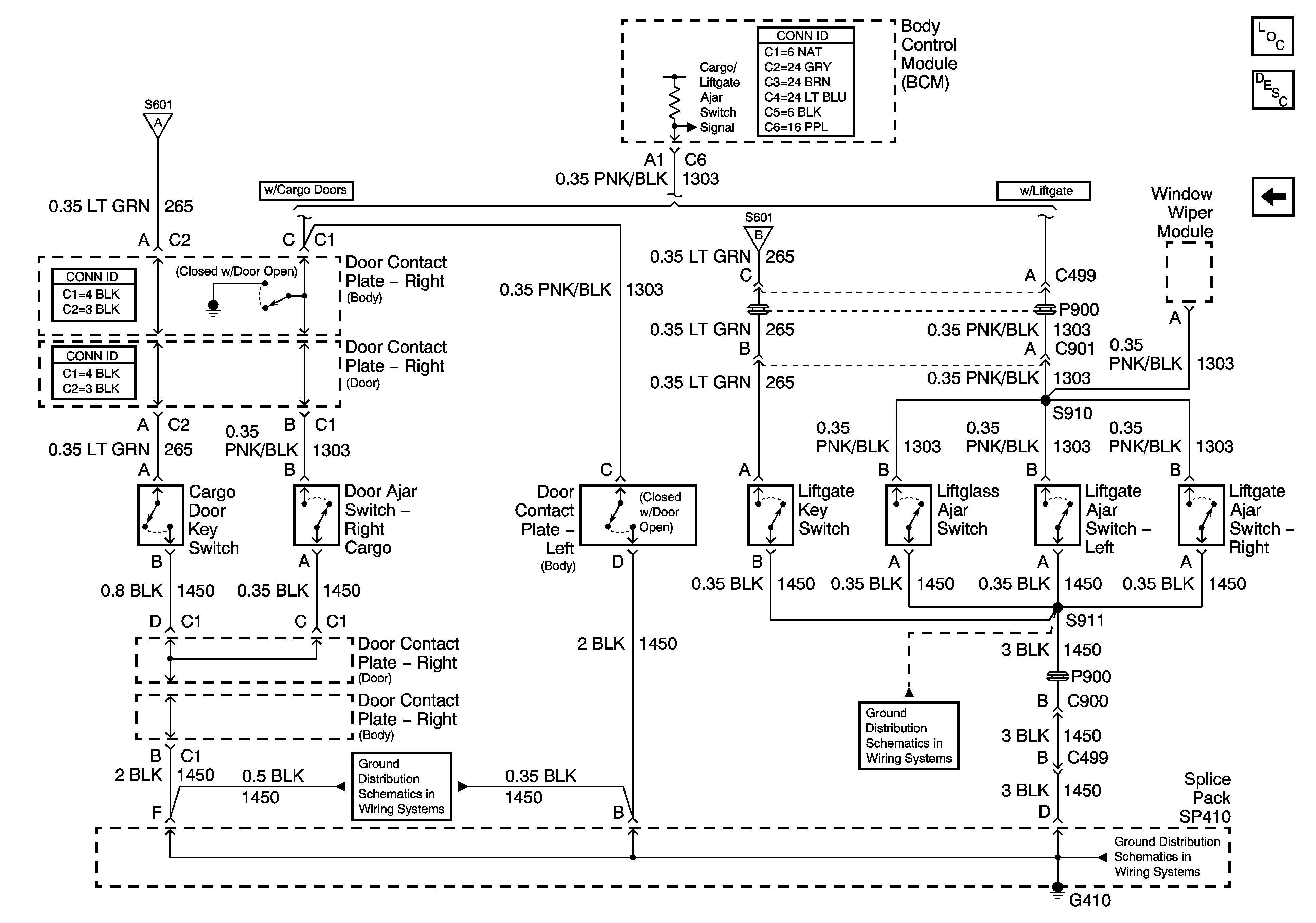
🢒 Cargo Door and Liftgate Switches
Cargo Door and Liftgate Switches
Cargo Door and Liftgate Switches
Master Electrical Component List
Theft Systems Description and Operation
Rear Door Switches
Front Door Switches
Front Door Switches
G410 - 3 Of 3
G410 - 2 Of 3
G410 - 1 Of 3