GM Service Manual Online
For 1990-2009 cars only
Makes
🢒
GMC_Truck
🢒
2003
🢒
Yukon - 2WD
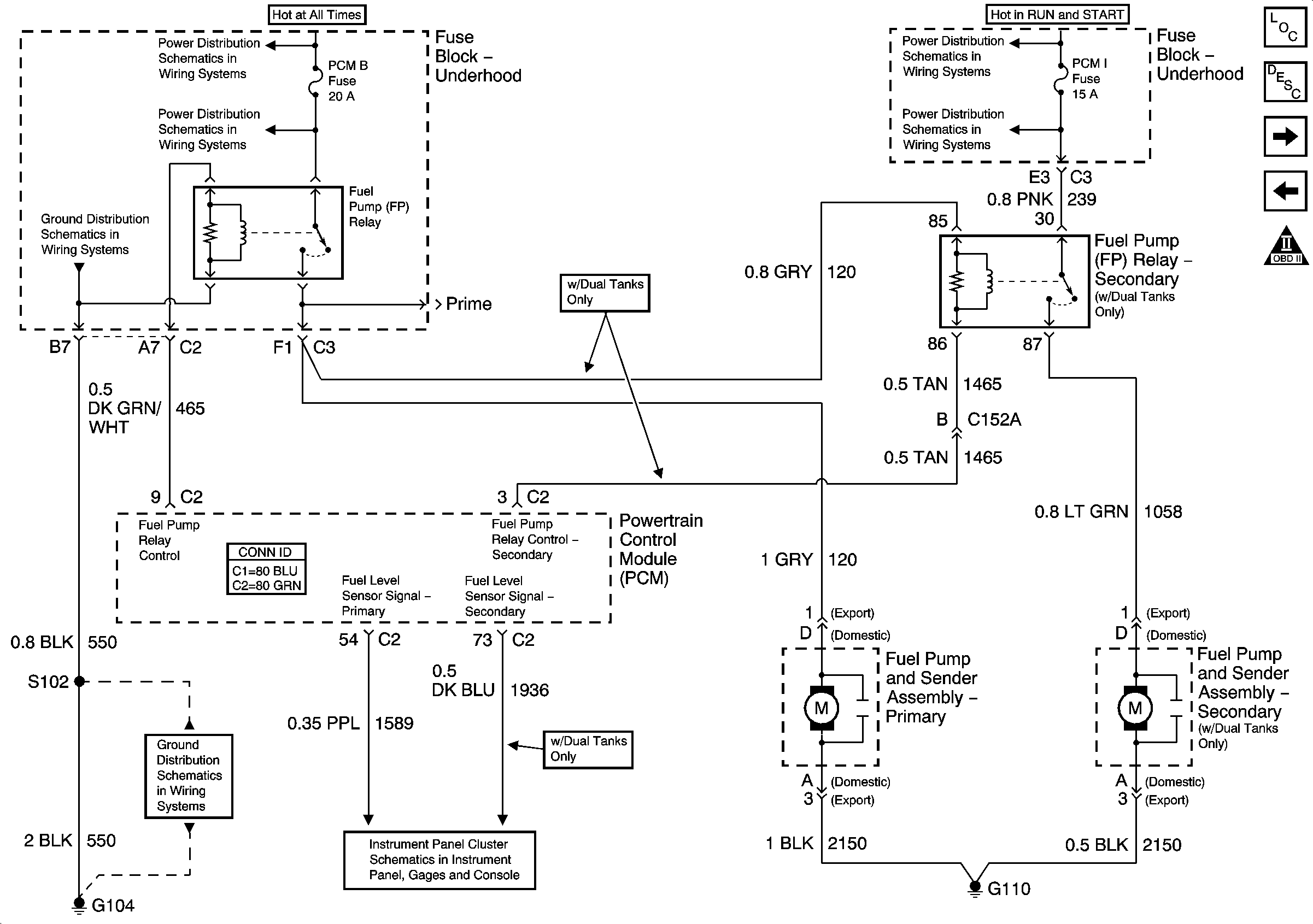
🢒 Fuel Controls - Fuel Pump Controls
Fuel Controls - Fuel Pump Controls
Fuel Controls - Fuel Pump Controls
Master Electrical Component List
Powertrain Control Module Description
Fuel Controls - Fuel Injectors
Ignition Controls - Sensors
Engine Controls Schematic Icons
B+ Bus Bar - 1 of 2
LH HID, RT HID, PCM B, CRANK, HORN, SIR
G104, G107
IGN 1 Relay Bus, SEO B2, RR DEFOG, SEO IGN, B/U LP
SBA, ETC/ECM, PCM 1, BTSI, TRL B/U
G104, G107
Fuel Gauge