GM Service Manual Online
For 1990-2009 cars only
Makes
🢒
GMC_Truck
🢒
2003
🢒
Yukon - 2WD
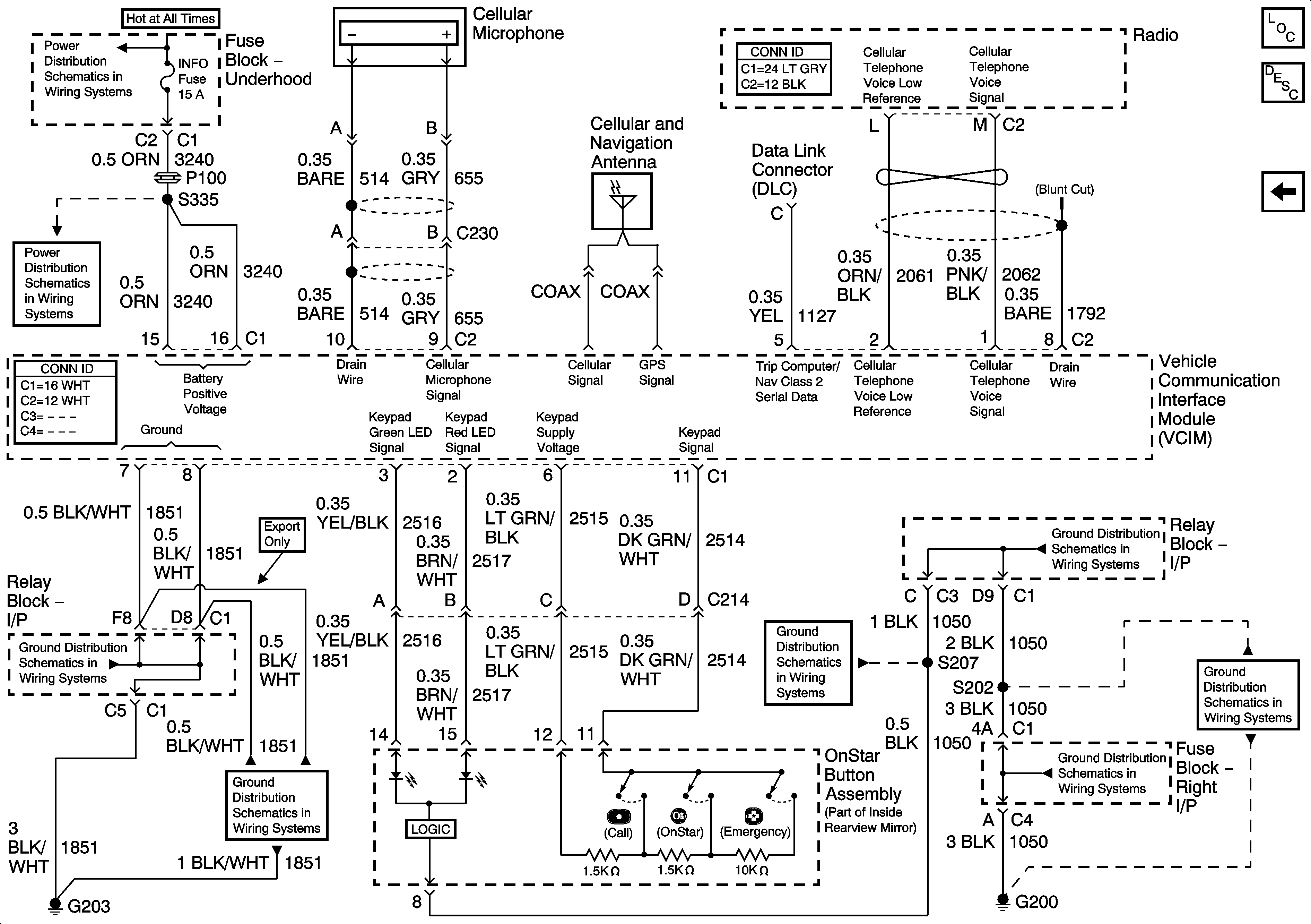
🢒 OnStar - Y91 Only
OnStar - Y91 Only
Y91 Only
Master Electrical Component List
OnStar Description and Operation
OnStar - Except Y91
B+ Bus Bar - 1 of 2
INFO, CGR LTR
G203 - 1 Of 2
G203 - 1 Of 2
G200 - 3 Of 3
G200 - 3 Of 3
G200 - 1 of 3
G200 - 1 of 3