GM Service Manual Online
For 1990-2009 cars only
Makes
🢒
GMC_Truck
🢒
2003
🢒
Yukon - 2WD
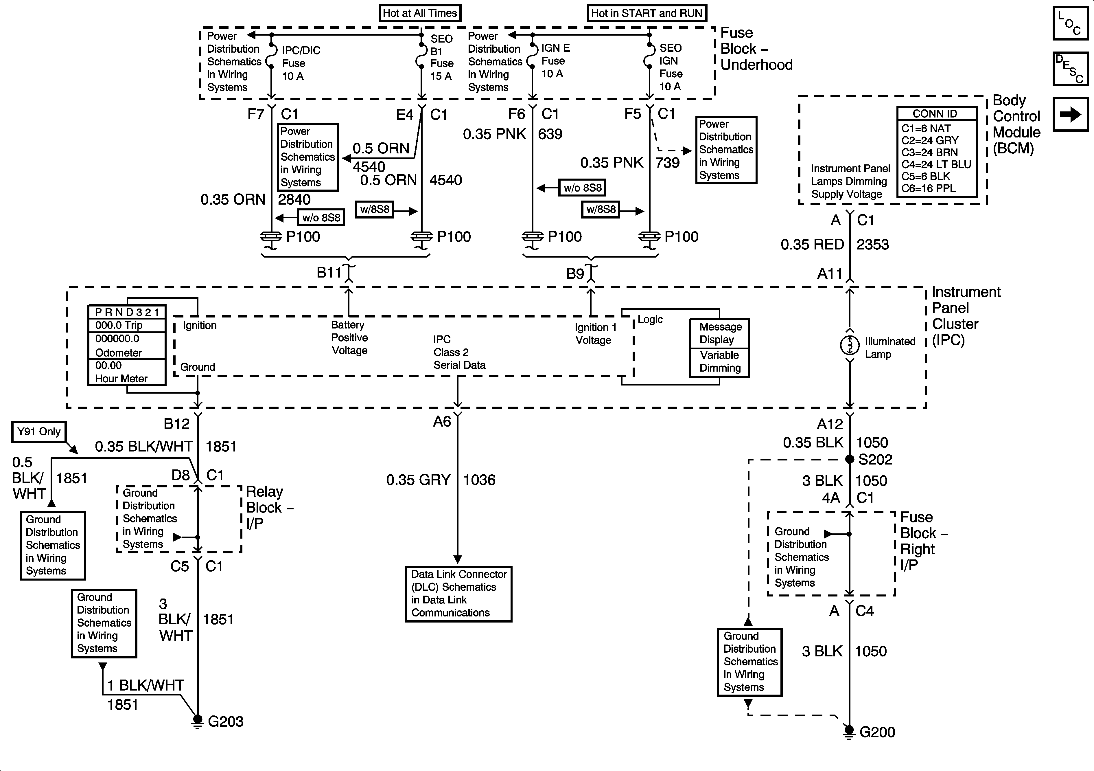
🢒 Power, Ground, Serial Data
Power, Ground, Serial Data
Power, Ground, Serial Data
Master Electrical Component List
Instrument Cluster Description and Operation
Gauges, VSS, Engine Oil Signals
B+ Bus Bar - 1 of 2
RTD, RR WPR, EAP, SUNROOF, IPC/DIC, SEO B1
Ignition, Run, Start, Accy Bus Bar
O2A, O2B, TBC IGN 1, SEO IGN
G203 - 2 Of 2
G203 - 1 Of 2
G203 - 1 Of 2
SP205 - 1 of 2
G200 - 1 of 3
G200 - 1 of 3