| Figure 1: |
B+ Bus
|
| Figure 2: |
ABS, BLOWER, MBEC, STUD 1, STUD 2, and VSES/ECAS Fuses and RT DOORS and SEATS Circuit Breakers
|
| Figure 3: |
STUD #2, OFF-ROAD LAMP SWITCH, OFF-ROAD LAMPS 1, OFF-ROAD LAMPS 2 Fuses
|
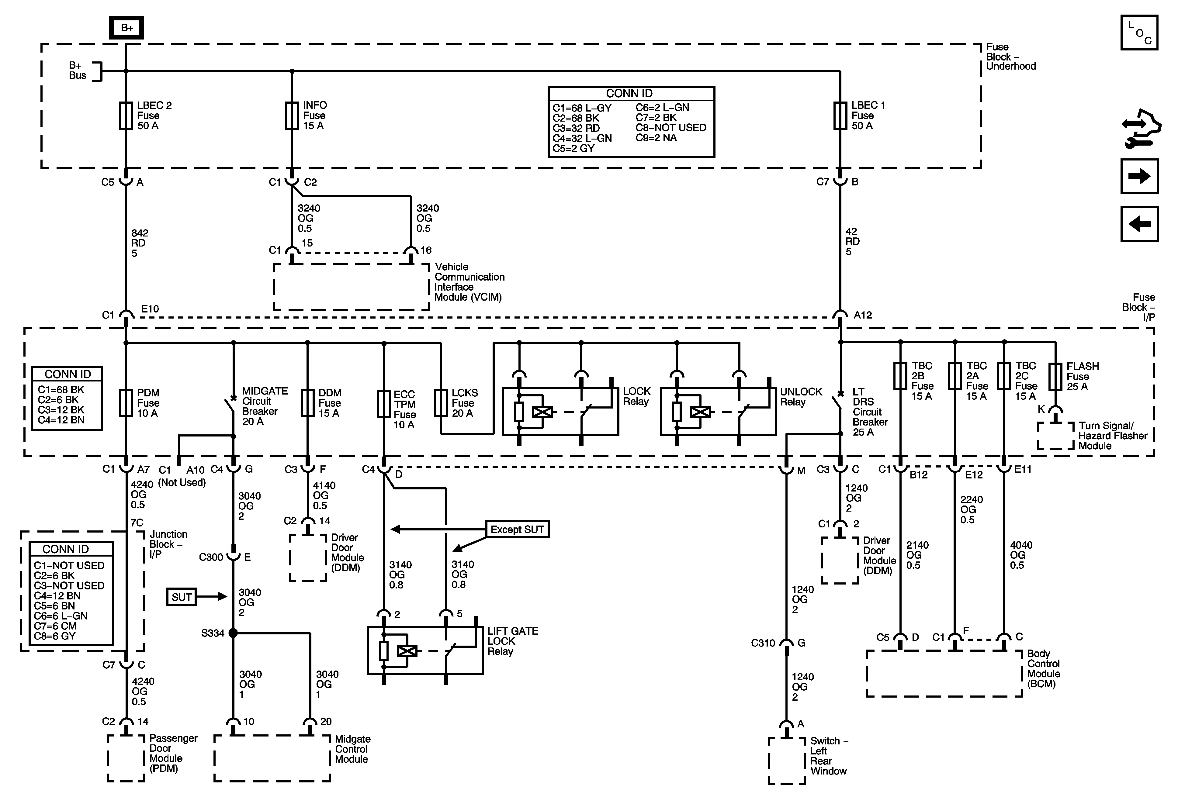
| Figure 4: |
DDM, INFO, LBEC 1, LBEC 2, LGATE, LOCKS, PDM, TBC 2A, TBC 2B, and TBC 2C Fuses and LEFT DOOR and MIDGATE Circuit Breakers
|
| Figure 5: |
4WS, RR DEFOG, RR WPR, STOP LP, VEH CHMSL, and VEH STOP Fuses
|
| Figure 6: |
HVAC/ECAS, IPC/DIC, PCM B, SEO B1, SEO B2, TBC BATT, and TREC Fuses
|
| Figure 7: |
AUX PWR, CIG LTR, RADIO, RADIO AMP, and SUNROOF Fuses
|
| Figure 8: |
FRT PARK, LR PARK, RR PARK, and TRL PARK Fuses
|
| Figure 9: |
INT PARK Fuse
|
| Figure 10: |
Ignition Switch - ACCY/RUN/START, RUN, and START Bus Bars, and CRANK and IGN A Fuses
|
| Figure 11: |
Ignition Switch - ACCY/RUN and RUN/START Bus Bars and IGN B Fuse
|
| Figure 12: |
B/U LP, BTSI, 02A, 02B, TBC IGN1, and TRL B/U Fuses
|
| Figure 13: |
IGN E, SEO IGN and SIR Fuses
|
| Figure 14: |
IGN 0, RR WPR, SEO ACCY, TBC ACCY, TBC IGN 0, and WS WPR Fuses
|
| Figure 15: |
4WD, BRAKE, CRUISE, HVAC 1, and IGN 3 Fuses
|
| Figure 16: |
FLASH, LT TRLR, LT TURN, RT TRLR, and RT TURN Fuses
|
| Figure 17: |
HI HDLP LT, HI HLDP RT, LO HDLP LT, and LO HDLP RT Fuses
|
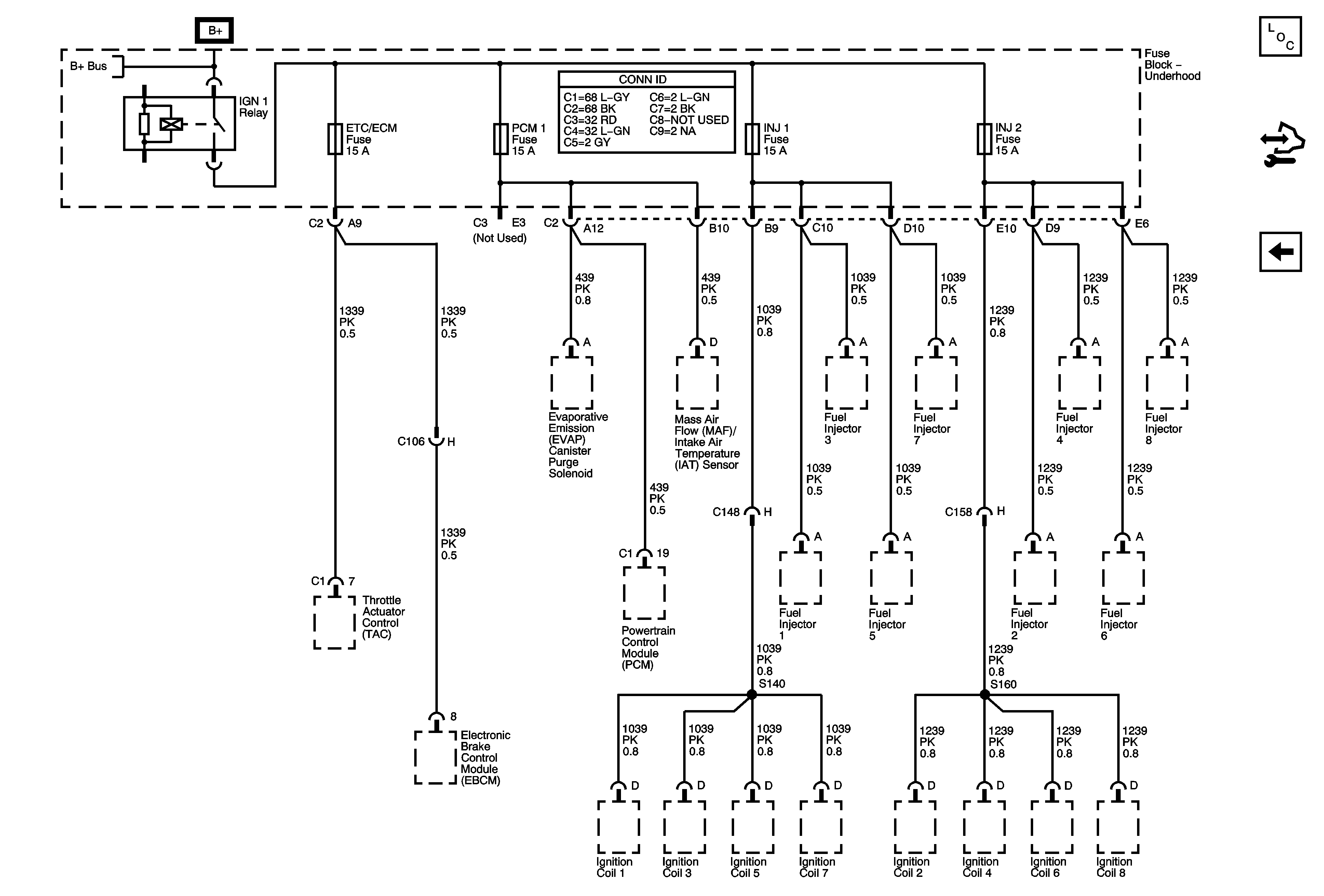
| Figure 18: |
ETC/ECM, INJ 1, INJ 2, and PCM 1 Fuses
|