GM Service Manual Online
For 1990-2009 cars only
Figure 1:

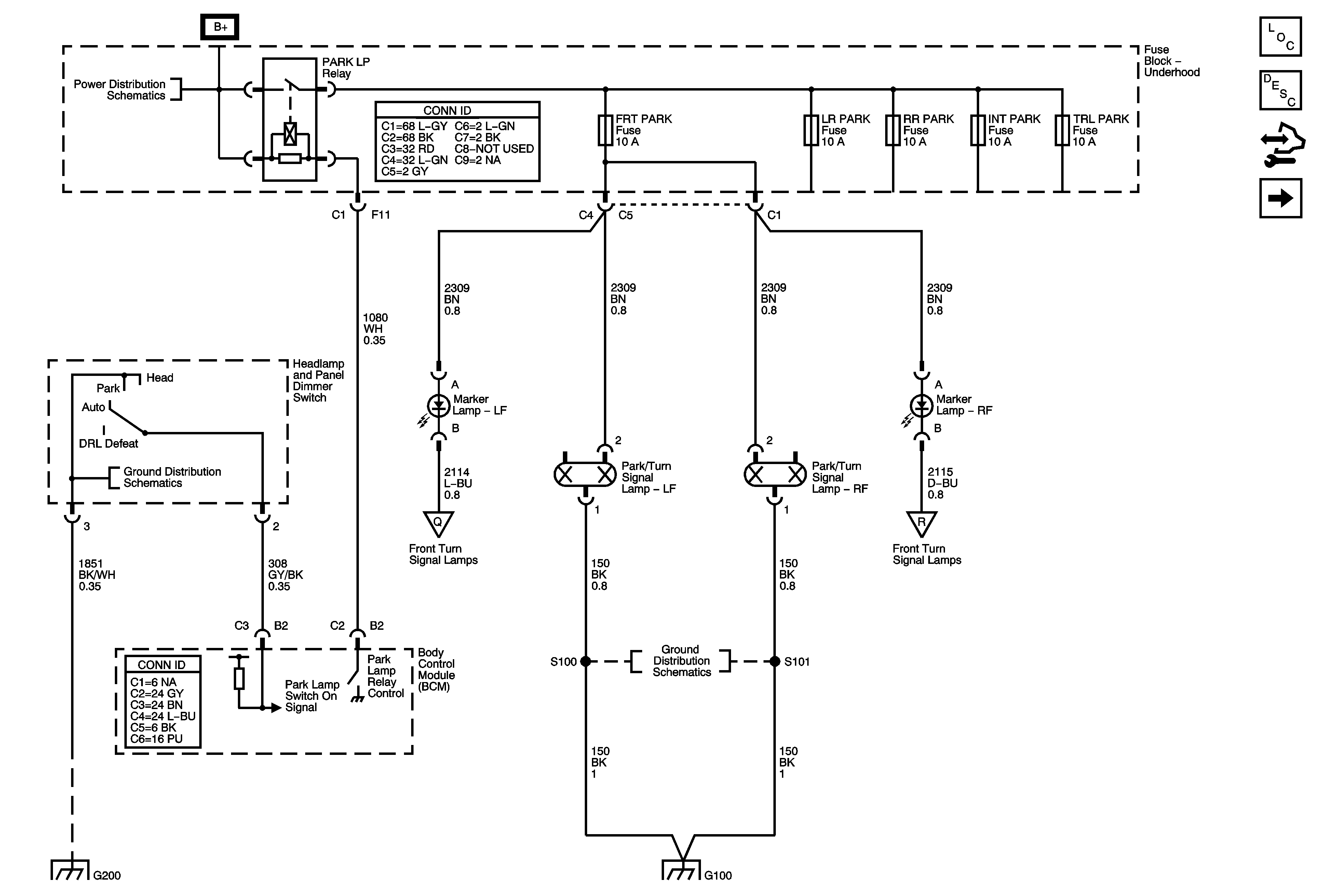
Park Lamp Relay, Front Park, and Marker Lamps


Object Number: 1805386  Size: FS
Master Electrical Component List
Exterior Lighting Systems Description and Operation
Control Module References
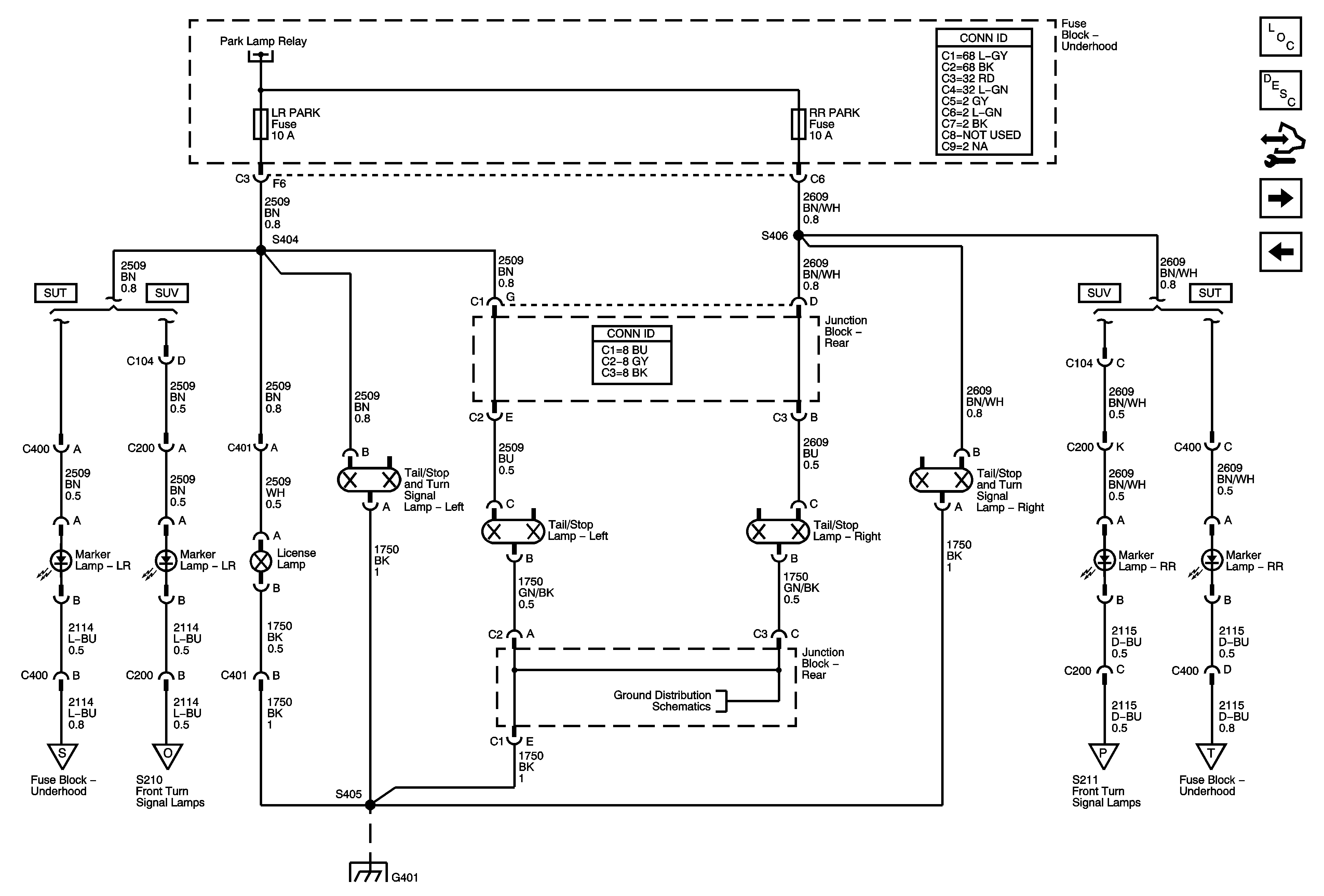
Tail Lamps, Rear Marker, and License Lamps
B+ Bus
07 H2 Exterior Lights Schematics - Marker Lamps and Front Turn Signal Lamps
G100 and G105
07 H2 Exterior Lights Schematics - Marker Lamps and Front Turn Signal Lamps
G200
G200
G100 and G105
Figure 2:

Tail Lamps, Rear Marker, and License Lamps


Object Number: 1805409  Size: FS
Master Electrical Component List
Exterior Lighting Systems Description and Operation
Control Module References
Roof Lamps - Front
Park Lamp Relay, Front Park, and Marker Lamps
FRT PARK, LR PARK, RR PARK, and TRL PARK Fuses
07 H2 Exterior Lights Schematics - Marker Lamps and Front Turn Signal Lamps
G300, G310, G401, and G403
07 H2 Exterior Lights Schematics - Marker Lamps and Front Turn Signal Lamps
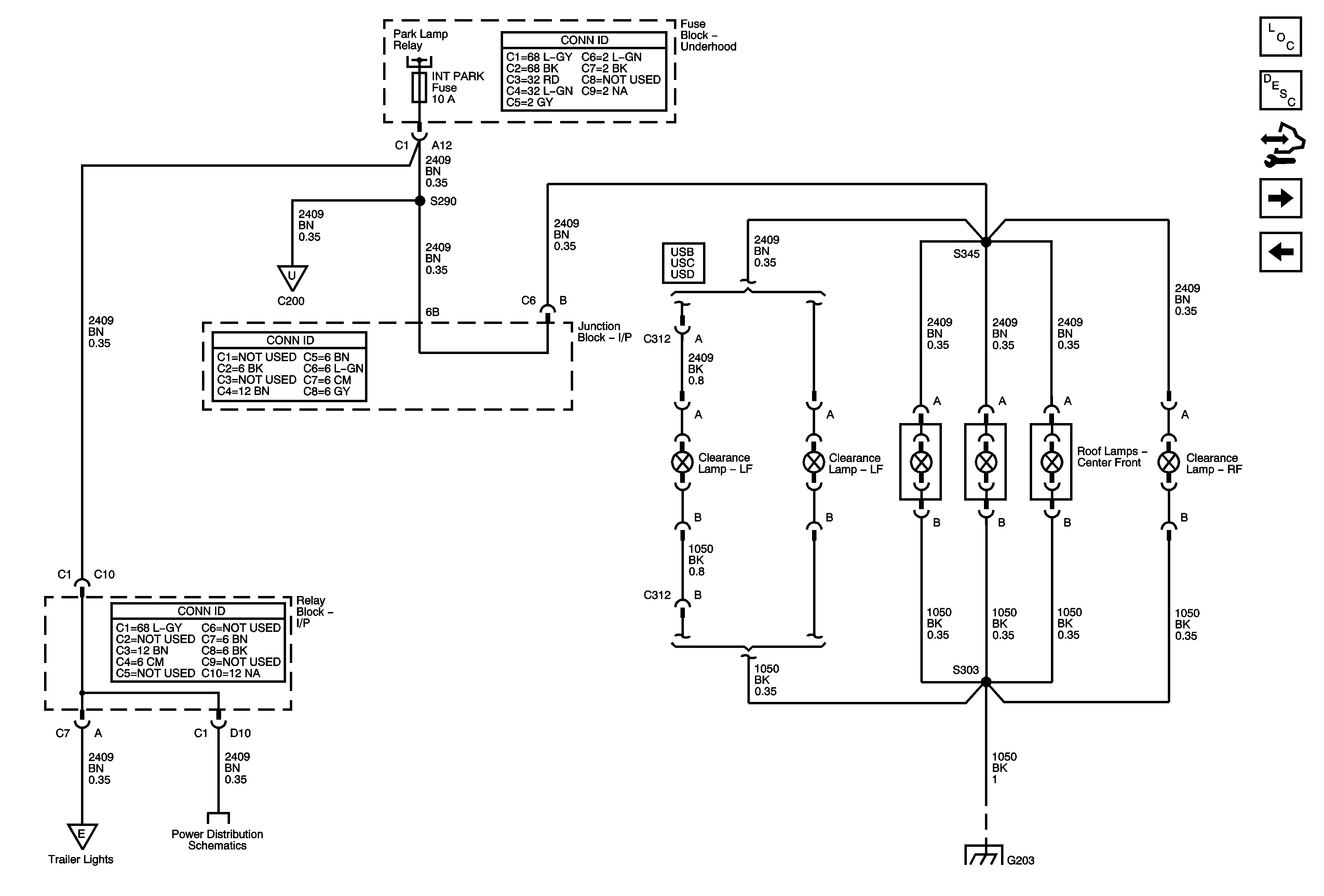
Figure 3:

Roof Lamps -- Front


Object Number: 1765536  Size: FS
Master Electrical Component List
Exterior Lighting Systems Description and Operation
Control Module References
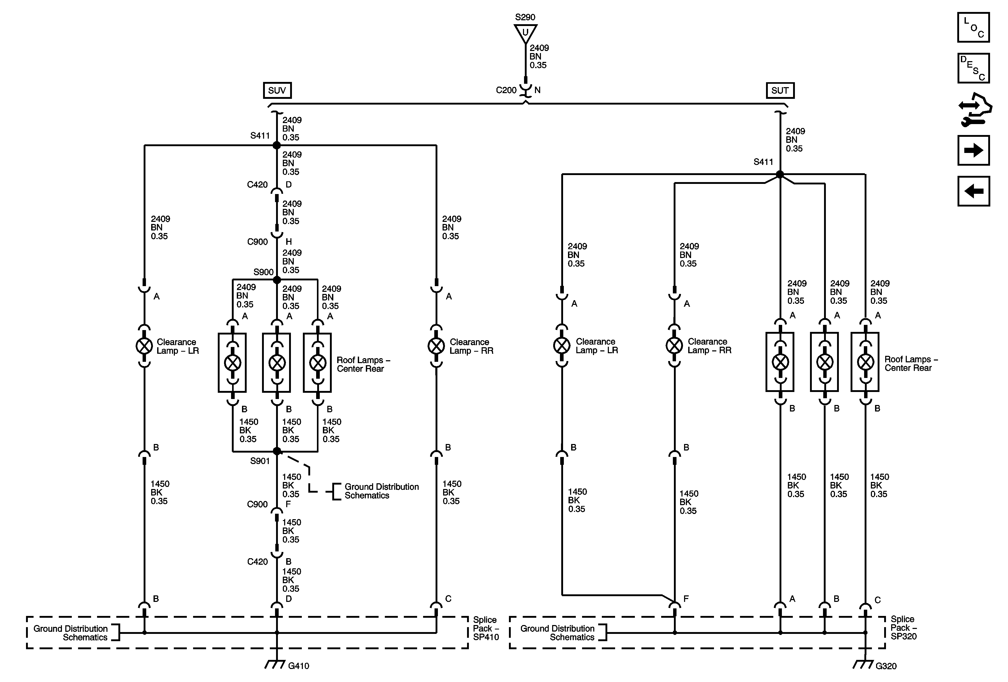
Roof Lamps - Rear
Tail Lamps, Rear Marker, and License Lamps
INT PARK Fuses
Roof Lamps - Rear
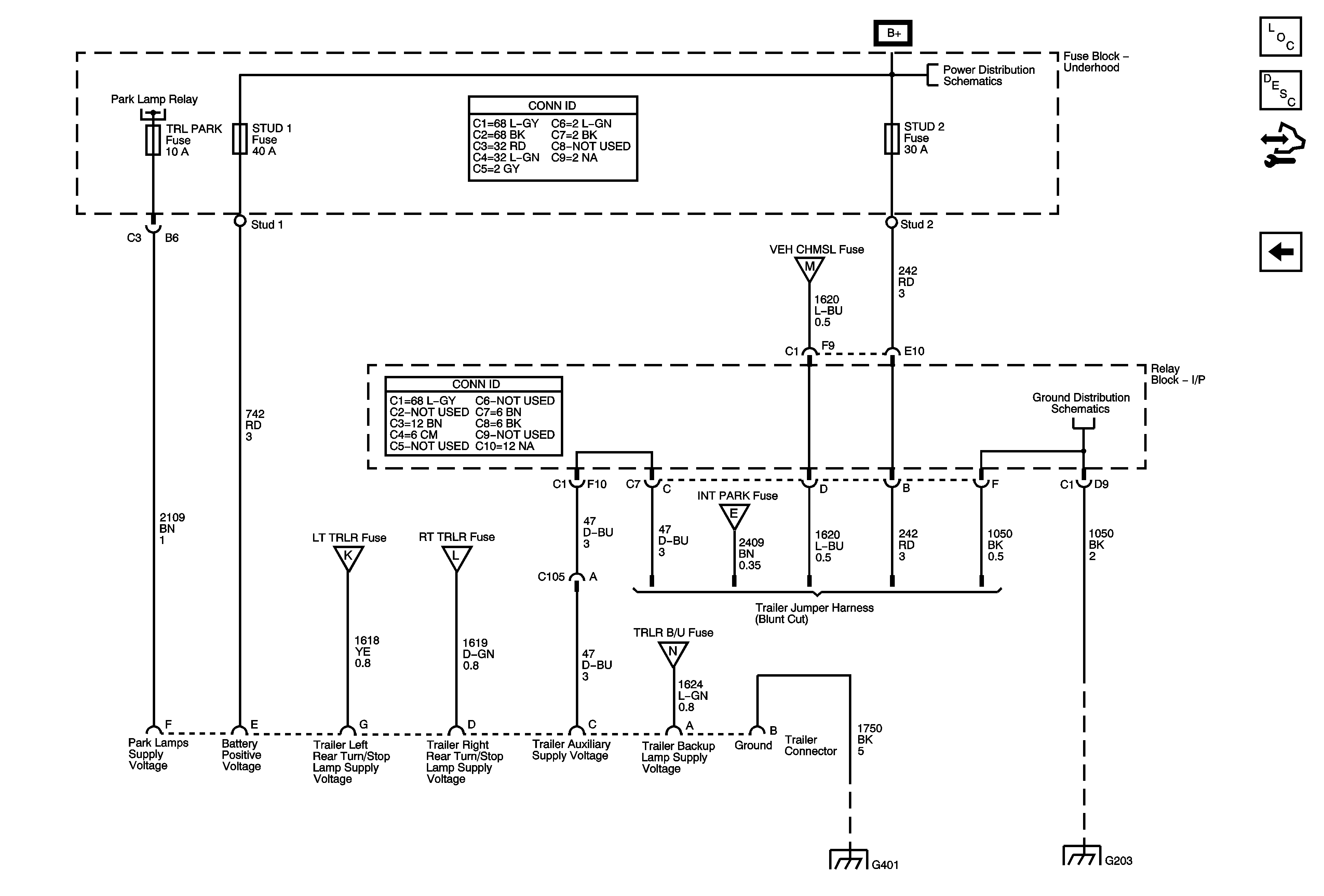
Trailer Lighting Provisions
INT PARK Fuses
G203 - 1 of 3
Figure 4:

Roof Lamps -- Rear


Object Number: 1765537  Size: FS
Master Electrical Component List
Exterior Lighting Systems Description and Operation
Control Module References
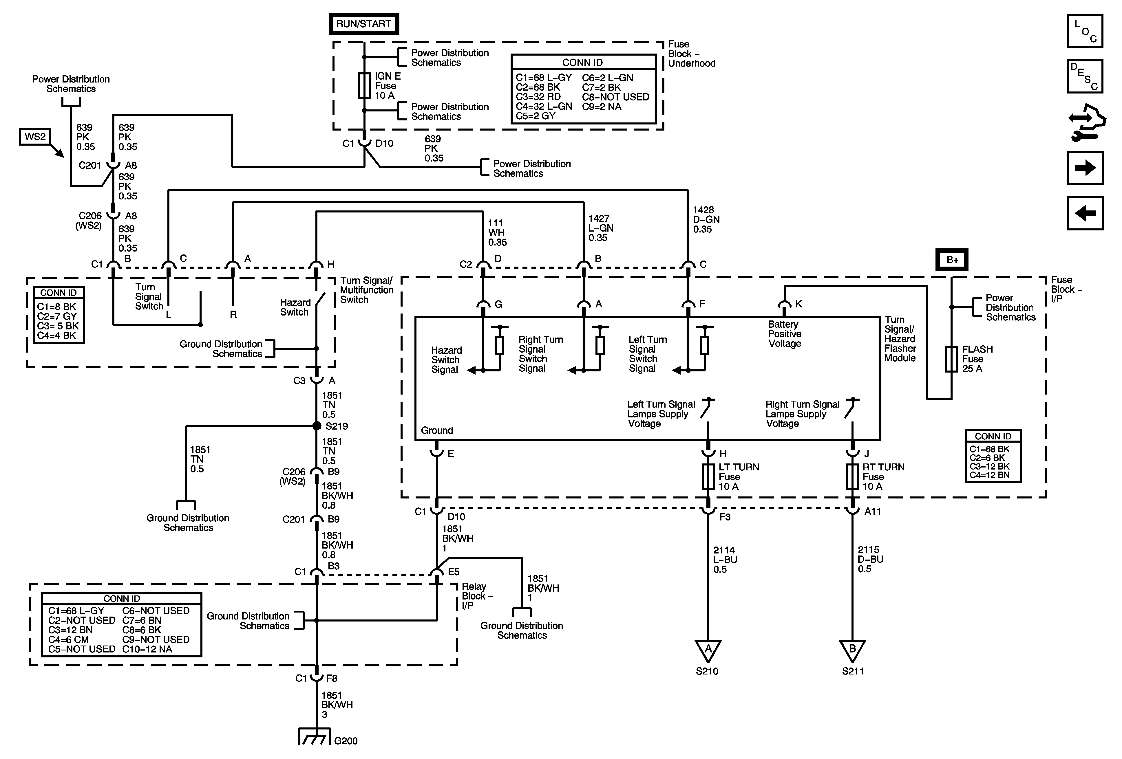
Turn Signal/Hazard Switch and Flasher Module
Roof Lamps - Front
Roof Lamps - Front
G402, G405, and G410
G320 - SUT
Figure 5:

Turn Signal/Hazard Switch and Flasher Module


Object Number: 1805418  Size: FS
Master Electrical Component List
Exterior Lighting Systems Description and Operation
Control Module References
07 H2 Exterior Lights Schematics - Marker Lamps and Front Turn Signal Lamps
Roof Lamps - Rear
IGN E, SEO IGN, and SIR Fuses
Ignition Switch - ACCY/RUN and RUN/START Bus Bars, and IGN B Fuse
IGN E, SEO IGN, and SIR Fuses
IGN E, SEO IGN, and SIR Fuses
DDM, INFO, LBEC1, LBEC2, LGATE, LOCKS, PDM, TBC 2A, TBC 2B, and TBC 2C Fuses and LEFT DOOR and MIDGATE Circuit Breakers
07 H2 Exterior Lights Schematics - Marker Lamps and Front Turn Signal Lamps
G200
G200
G200
G200
G200
Figure 6:

Marker Lamps and Front Turn Signal Lamps


Object Number: 1805608  Size: FS
Master Electrical Component List
Exterior Lighting Systems Description and Operation
Control Module References
Rear Turn Signal Lamps
Turn Signal/Hazard Switch and Flasher Module
Turn Signal/Hazard Switch and Flasher Module
Tail Lamps, Rear Marker, and License Lamps
Indicators
Tail Lamps, Rear Marker, and License Lamps
Park Lamp Relay, Front Park, and Marker Lamps
Tail Lamps, Rear Marker, and License Lamps
Rear Turn Signal Lamps
Tail Lamps, Rear Marker, and License Lamps
Park Lamp Relay, Front Park, and Marker Lamps
G100 and G105
G100 and G105
Figure 7:

Rear Turn Signal Lamps


Object Number: 1805620  Size: FS
Master Electrical Component List
Exterior Lighting Systems Description and Operation
Control Module References
Stop Lamps
07 H2 Exterior Lights Schematics - Marker Lamps and Front Turn Signal Lamps
07 H2 Exterior Lights Schematics - Marker Lamps and Front Turn Signal Lamps
G300, G310, G401, and G403
G300, G310, G401, and G403
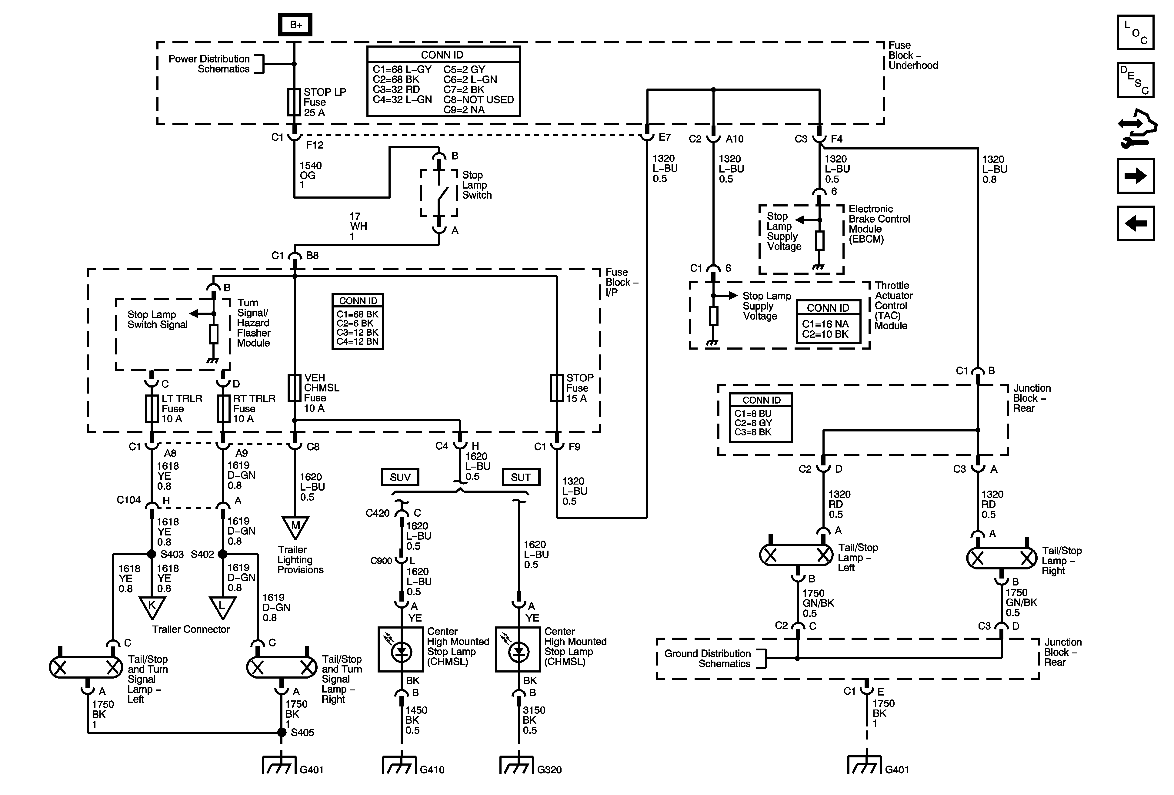
Figure 8:

Stop Lamps


Object Number: 1805741  Size: FS
Master Electrical Component List
Exterior Lighting Systems Description and Operation
Control Module References
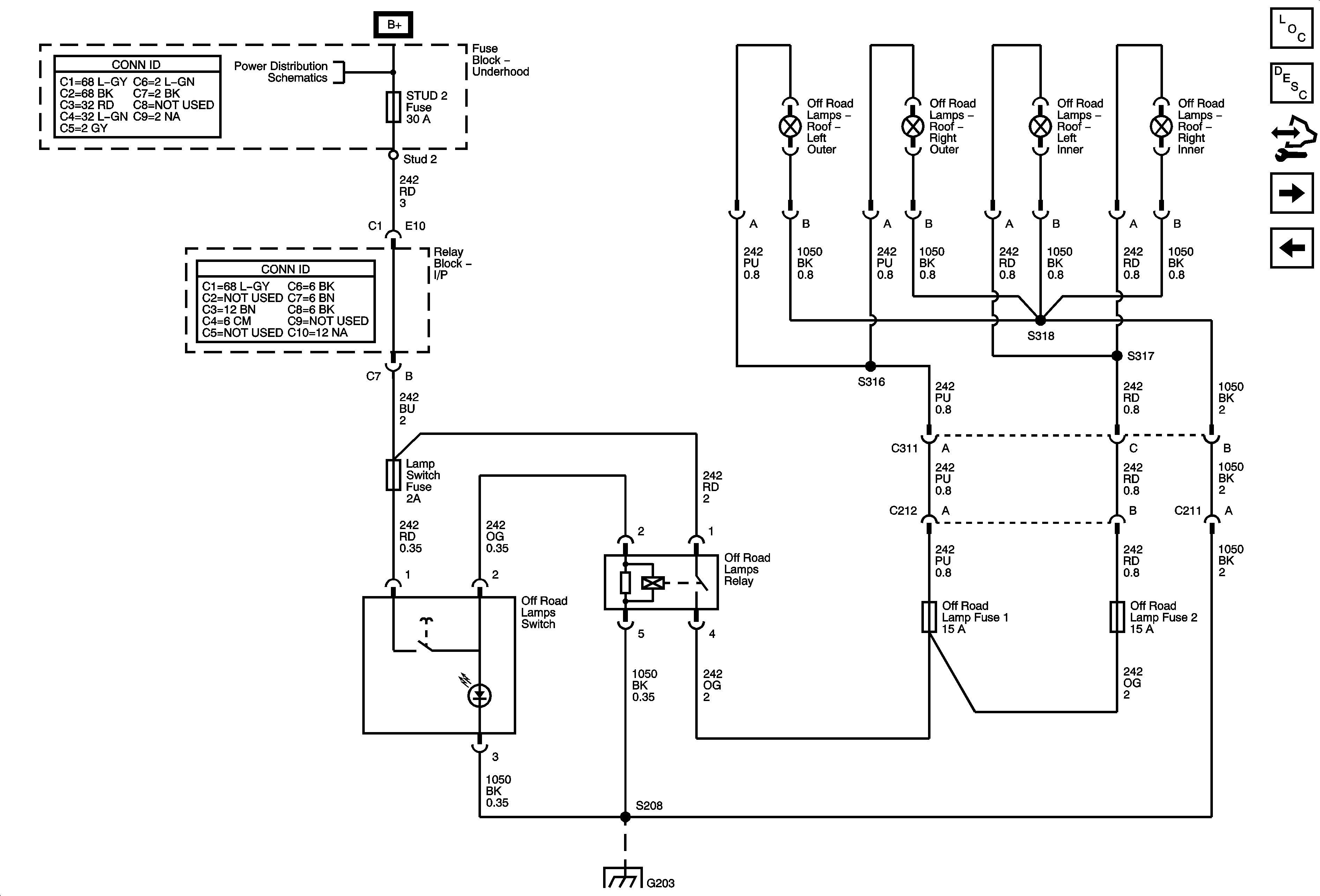
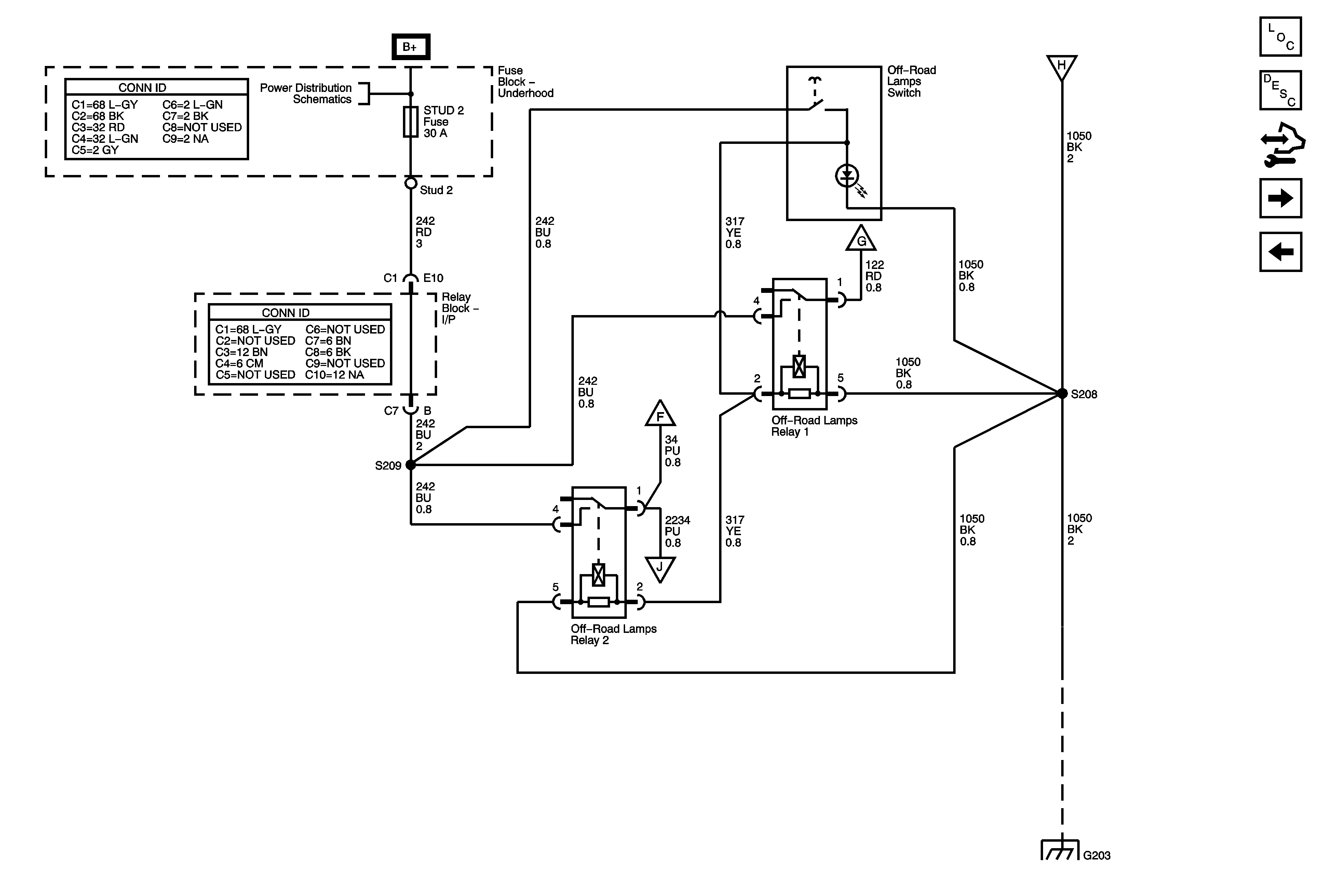
Off Road Lighting Control - USB, USC, UNR
Rear Turn Signal Lamps
B+ Bus
G300, G310, G401, and G403
G300, G310, G401, and G403
G320 - SUT
G402, G405, and G410
G300, G310, G401, and G403
Trailer Lighting Provisions
Trailer Lighting Provisions
Figure 9:

Off-Road Lighting Control (USB, USC)


Object Number: 1805752  Size: FS
Master Electrical Component List
Exterior Lighting Systems Description and Operation
Control Module References
Off-Road Lights - USB, USC, UNR
Stop Lamps
B+ Bus
Off-Road Lights - USB, USC, UNR
Off-Road Lights - USB, USC, UNR
G203 - 2 of 3
Off-Road Lights - USB, USC, UNR
Off-Road Lights - USB, USC, UNR
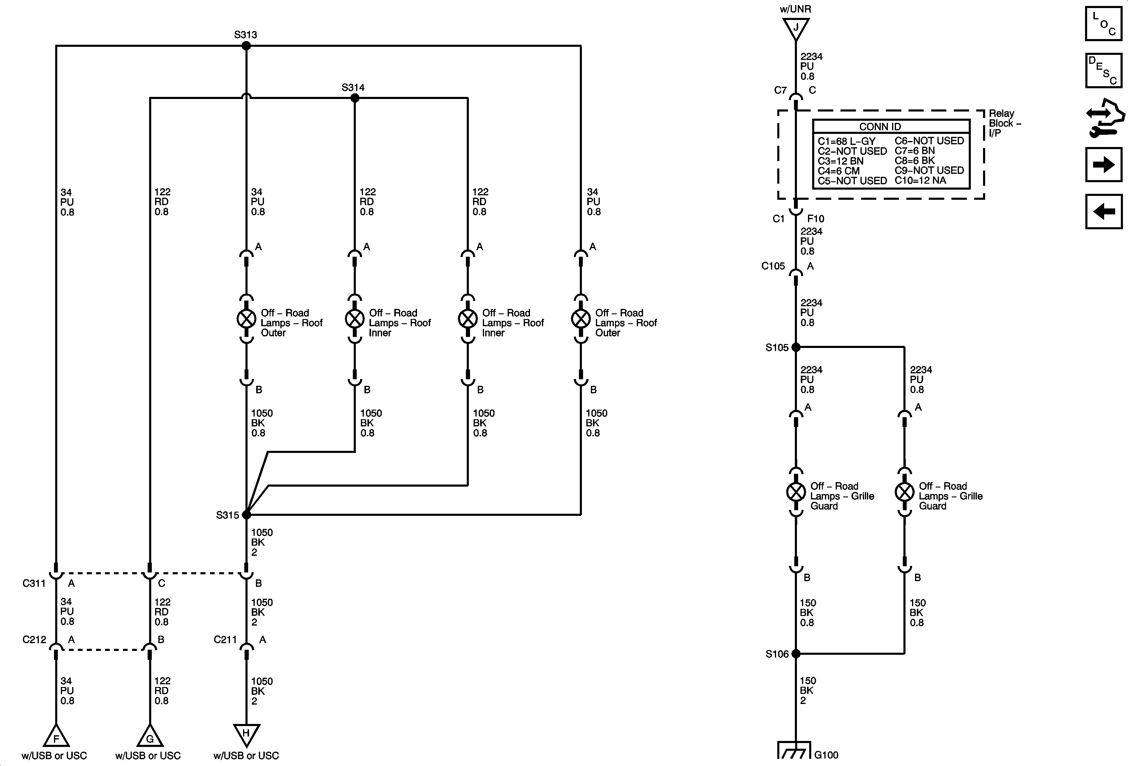
Figure 10:

Off-Road Lights (USB, USC)


Object Number: 1805756  Size: FS
Master Electrical Component List
Exterior Lighting Systems Description and Operation
Control Module References
Off-Road Lighting - USD
Off Road Lighting Control - USB, USC, UNR
Off Road Lighting Control - USB, USC, UNR
G100 and G105
Off Road Lighting Control - USB, USC, UNR
Figure 11:

Off-Road Lights (USD)


Object Number: 1765539  Size: FS
Master Electrical Component List
Exterior Lighting Systems Description and Operation
Control Module References
Backup Lamps
Off-Road Lights - USB, USC, UNR
B+ Bus
G203 - 2 of 3
Figure 12:

Backup Lamps


Object Number: 1805781  Size: FS
Master Electrical Component List
Exterior Lighting Systems Description and Operation
Control Module References
Trailer Lighting Provisions
Off-Road Lighting - USD
Ignition Switch - ACCY/RUN and RUN/START Bus Bars, and IGN B Fuse
B/U LP, BTSI, O2A, O2B, TBC IGN1, and TRL B/U Fuses
Trailer Lighting Provisions
G300, G310, G401, and G403
G300, G310, G401, and G403
Figure 13:

Trailer Lighting Provisions


Object Number: 1805785  Size: FS
Master Electrical Component List
Exterior Lighting Systems Description and Operation
Control Module References
Backup Lamps
Park Lamp Relay, Front Park, and Marker Lamps
Stop Lamps
B+ Bus
G203 - 2 of 3
G203 - 1 of 3
G300, G310, G401, and G403
Roof Lamps - Front
Backup Lamps
Stop Lamps