GM Service Manual Online
For 1990-2009 cars only
Figure 1:

Lumbar Controls and Power Seat


Object Number: 1566710  Size: FS
Master Electrical Component List
Power Seats System Description and Operation
Control Module References
Heat Controls
B+ Bus - Underhood Fuse Block - 1 of 2
Lumbar Controls and Power Seat
G340 and G345
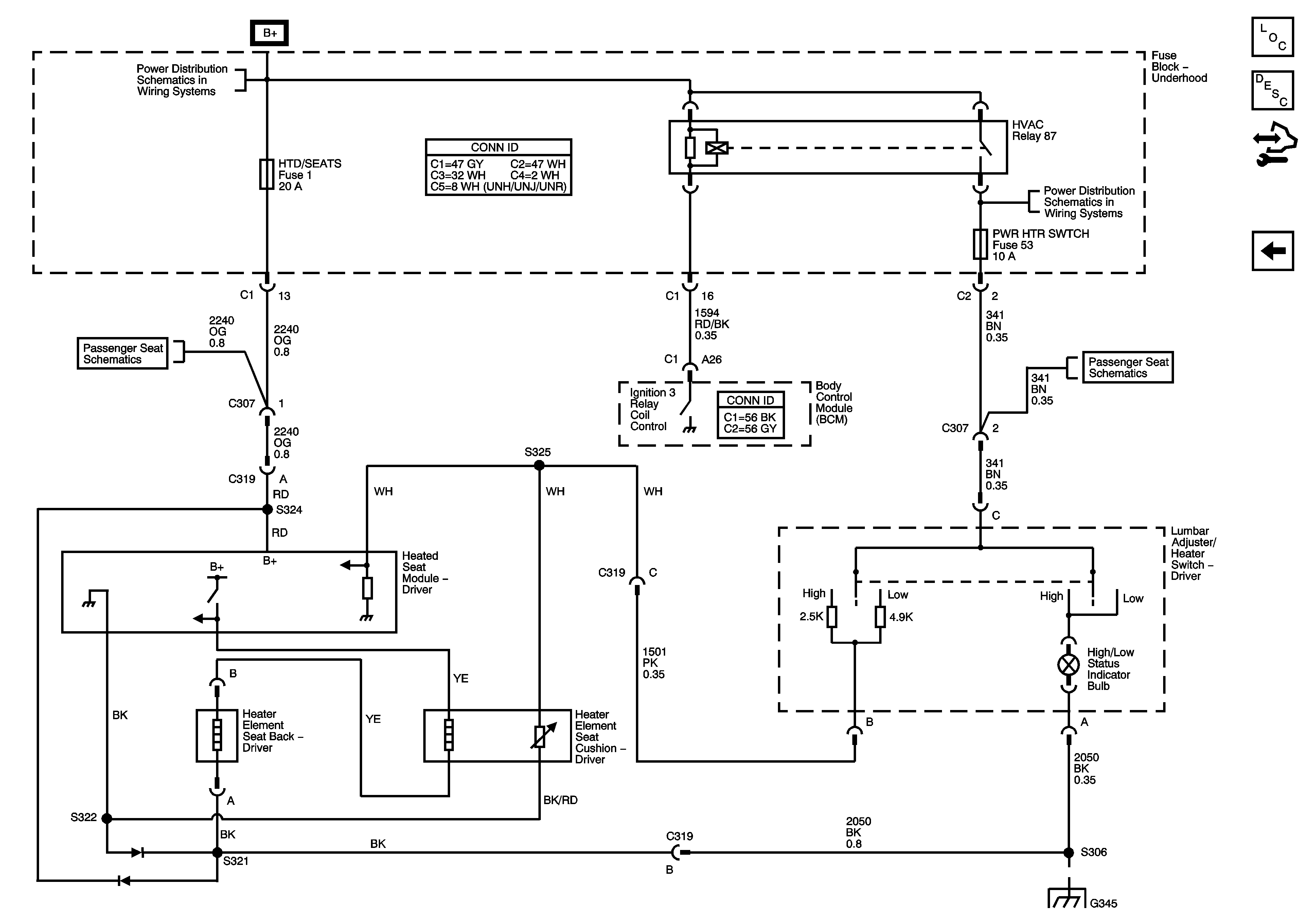
Figure 2:

Heat Controls


Object Number: 1566711  Size: FS
Master Electrical Component List
Power Seats System Description and Operation
Control Module References
Lumbar Controls and Power Seat
B+ Bus - Underhood Fuse Block - 1 of 2
Heat Controls
HVAC BLWR, HVAC CNTRL HD, PWR HTR SWTCH, TCCM SWTCH, and VSES/ABS Fuses
Heat Controls
G340 and G345