GM Service Manual Online
For 1990-2009 cars only
Makes
🢒
HUMMER
🢒
2006
🢒
H3
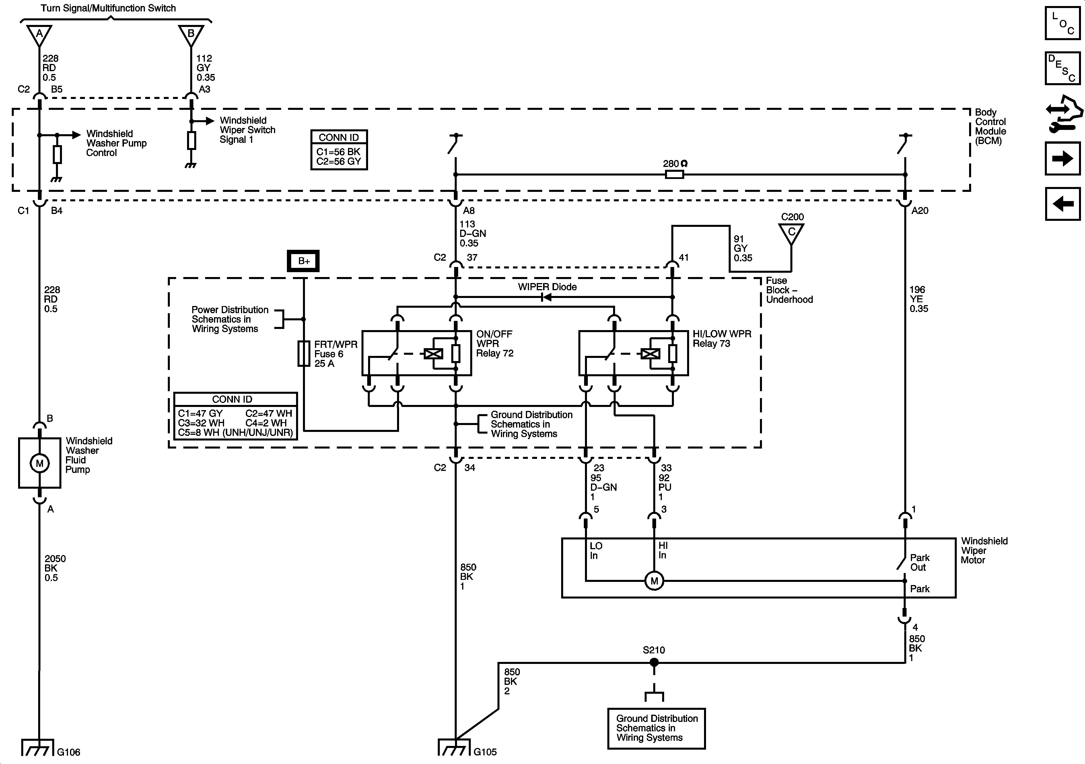
🢒 Windshield Washer Fluid Pump and Windshield Wiper Motor
Windshield Washer Fluid Pump and Windshield Wiper Motor
Windshield Washer Fluid Pump and Windshield Wiper Motor
Master Electrical Component List
Wiper/Washer System Description and Operation
Control Module References
Rear Wiper
Windshield Wiper/Washer Switch
Windshield Wiper/Washer Switch
Windshield Wiper/Washer Switch
FOG/LP, FRT/WPR, HORN, R/WDO DEFG, and STRTR Fuses
G106
G105
G105
G105
Windshield Wiper/Washer Switch