GM Service Manual Online
For 1990-2009 cars only
Makes
🢒
HUMMER
🢒
2006
🢒
H3
🢒 Rear Wiper
Rear Wiper
Rear Wiper
Master Electrical Component List
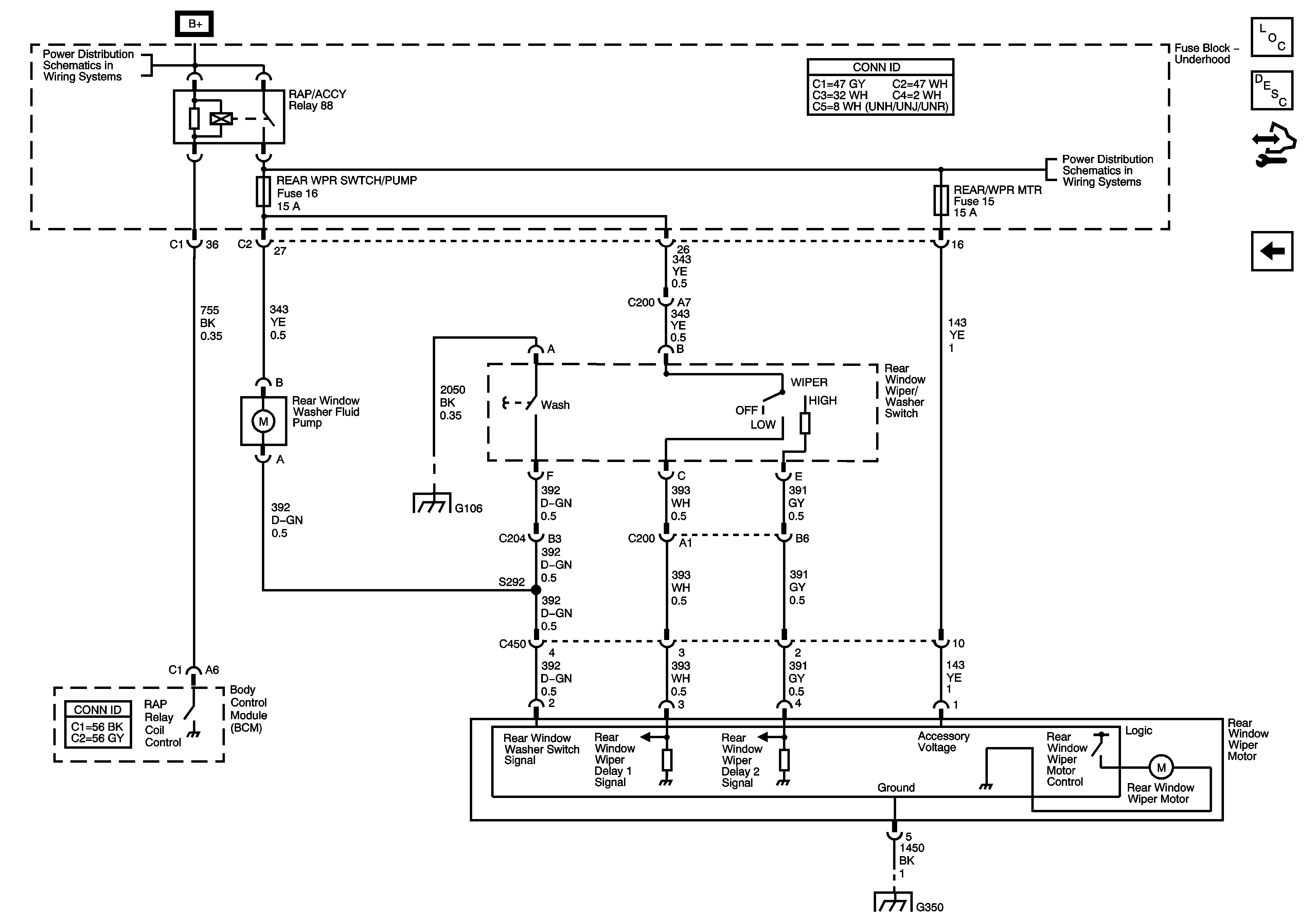
Wiper/Washer System Description and Operation
Control Module References
Windshield Washer Fluid Pump and Windshield Wiper Motor
B+ Bus - Underhood Fuse Block - 2 of 2
G106
G350
ETC, LH PWR WNDW, OXY SENSOR, PWR SNRF/WPR/SW, REAR WPR, RH PWR WNDW, RR WSH PMP, and SPO OUTPUT Fuses