GM Service Manual Online
For 1990-2009 cars only
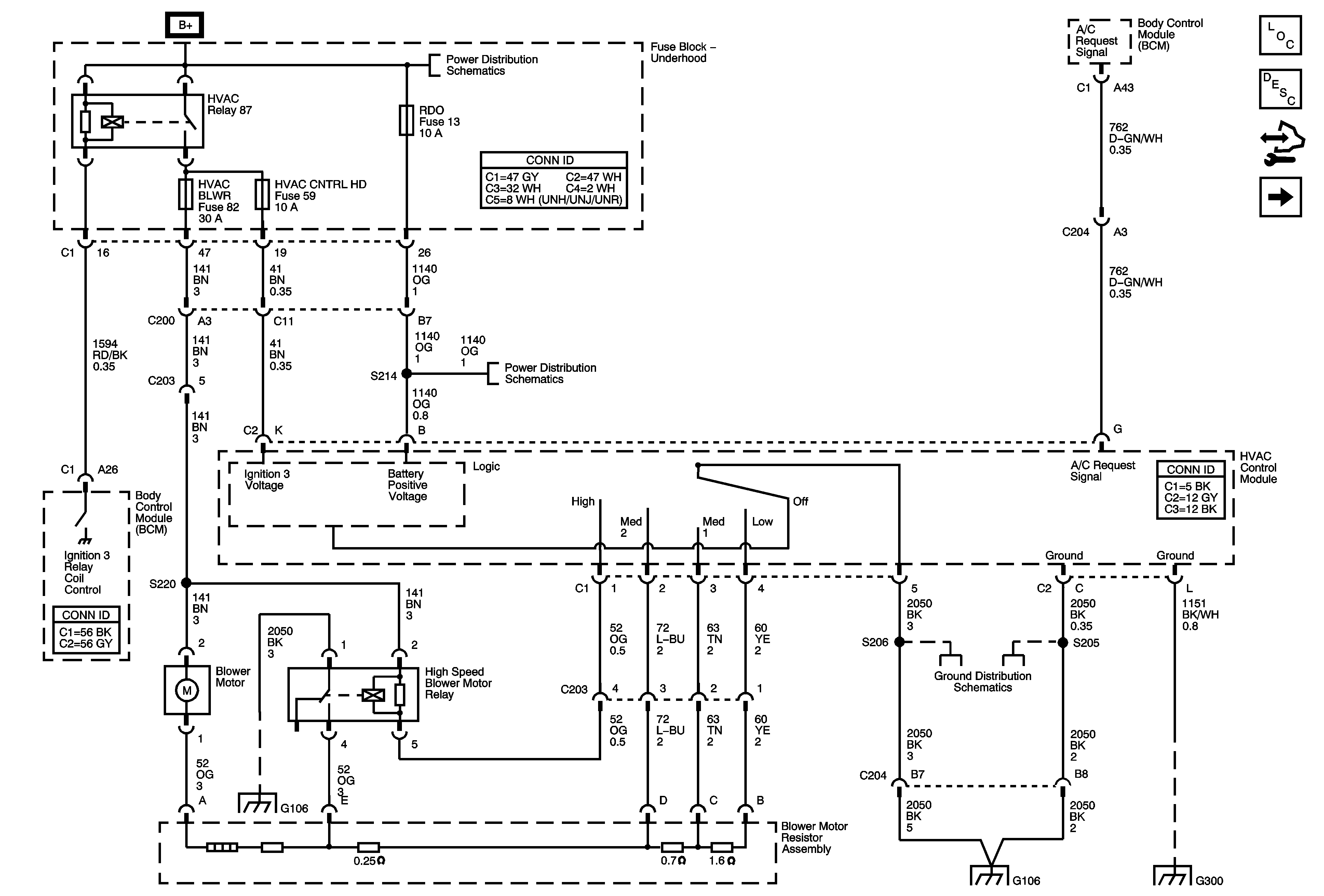
Figure 1:

Module Power, Ground, and Blower Motor


Object Number: 1777943  Size: FS
Master Electrical Component List
Air Delivery Description and Operation
Control Module References
Mode, Recirculation, and Temperature Controls
B+ Bus - Underhood Fuse Block - 1 of 2
ABS/VSES1-SOL, ABS/VSES2-MTR, AUX PWR 1, AUX PWR 2, CLSTR, CNSTR VENT, PCM-B, RDO, STOP, and TCCM Fuses
G106
G106
G106
G300, G310, and G320
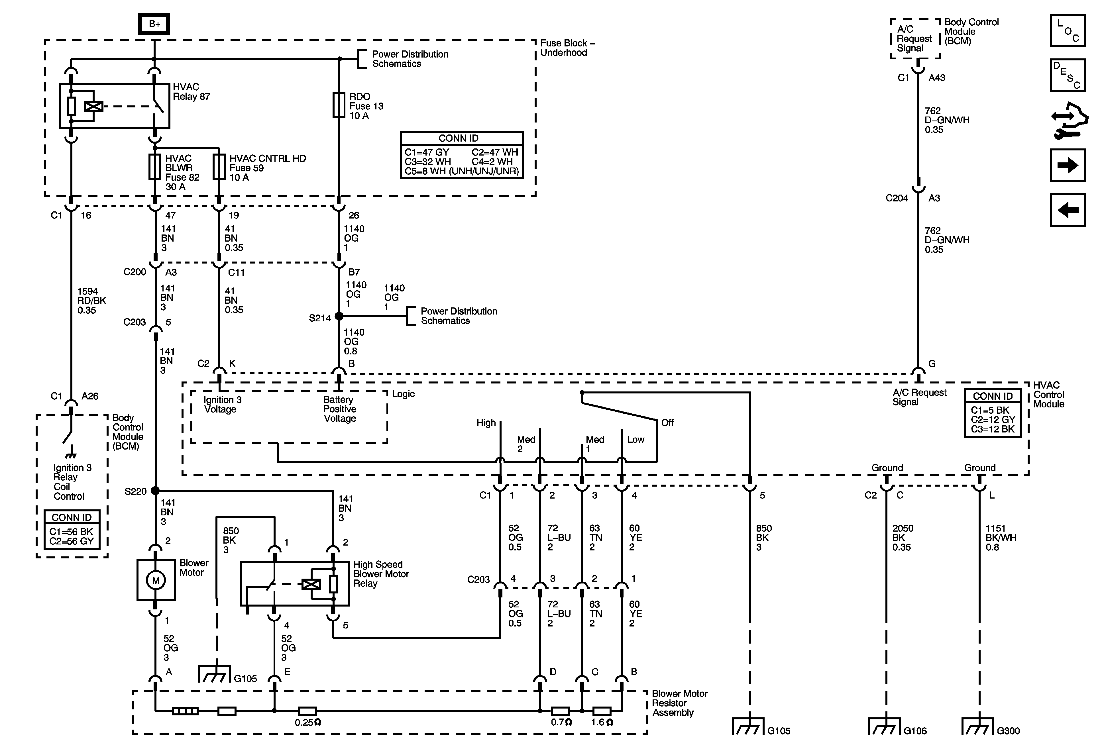
Figure 2:

Module Power, Ground, and Blower Motor - RHD


Object Number: 1891166  Size: FS
Master Electrical Component List
Air Delivery Description and Operation
Control Module References
Mode, Recirculation, and Temperature Controls
Module Power, Ground, and Blower Motor
B+ Bus - Underhood Fuse Block - 1 of 2
ABS/VSES1-SOL, ABS/VSES2-MTR, AUX PWR 1, AUX PWR 2, CLSTR, CNSTR VENT, PCM-B, RDO, STOP, and TCCM Fuses
G105 - Export + RHD
G105 - Export + RHD
G106 - Export + RHD
G300, G310, and G320
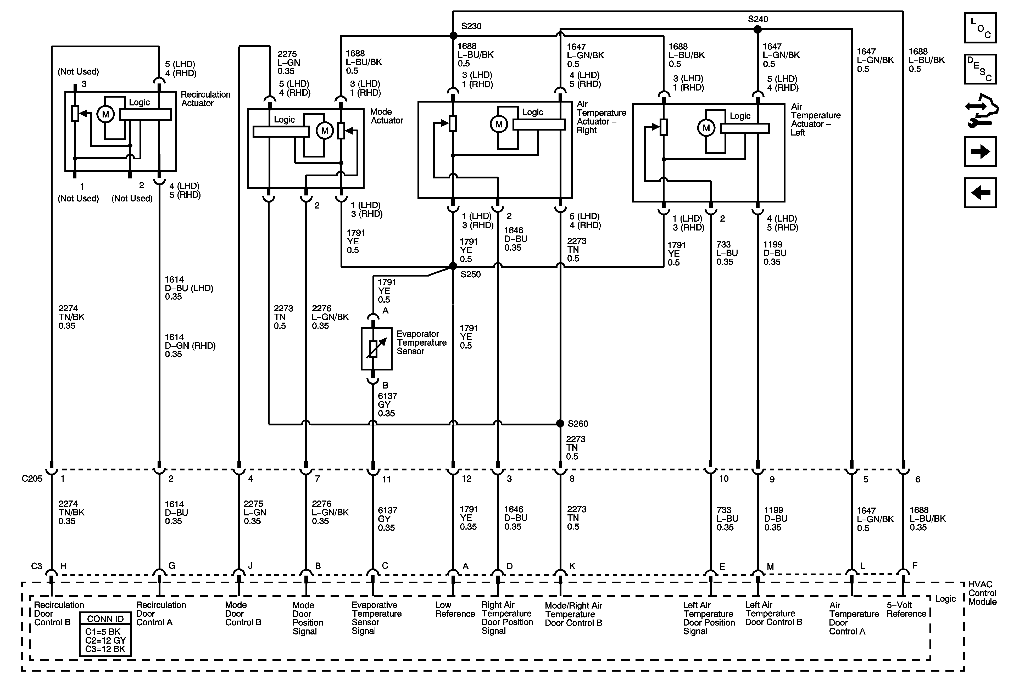
Figure 3:

Mode, Recirculation, and Temperature Controls


Object Number: 1777953  Size: FS
Master Electrical Component List
Air Temperature Description and Operation
Control Module References
Compressor Controls
Module Power, Ground, and Blower Motor
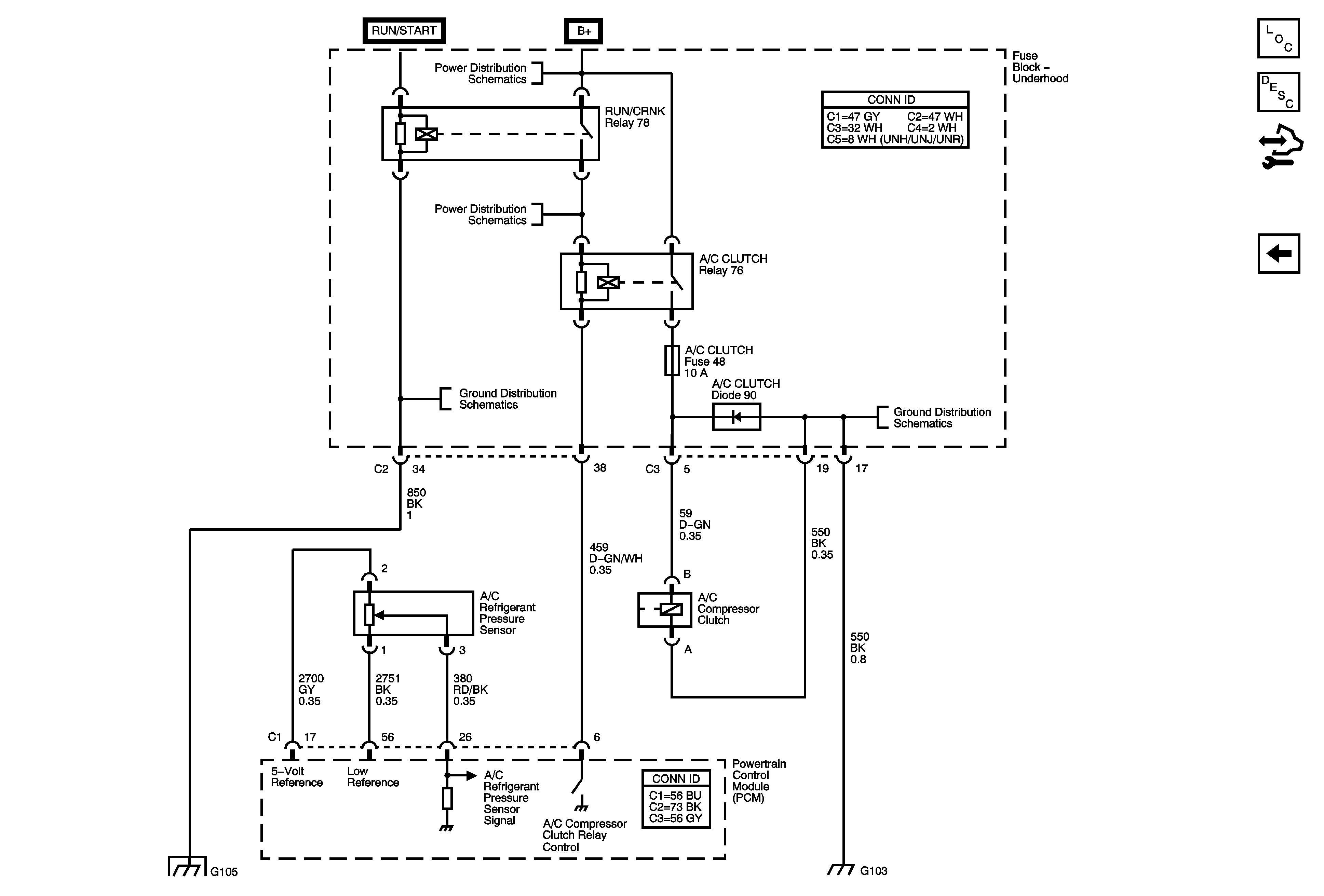
Figure 4:

Compressor Controls


Object Number: 1777964  Size: FS
Master Electrical Component List
Air Temperature Description and Operation
Control Module References
Mode, Recirculation, and Temperature Controls
B+ Bus - Underhood Fuse Block - 1 of 2
RUN/CRNK Relay Bus - 2 of 3, ABS/VSES, A/C CLUTCH, BCK/UP, and IGN1 Fuses
G105
G100, G102, G103, G104, G110, and G120
G105
G100, G102, G103, G104, G110, and G120