GM Service Manual Online
For 1990-2009 cars only
Makes
🢒
HUMMER
🢒
2007
🢒
H3
🢒 Device Controls - K18
Device Controls - K18
Device Controls- K18
Master Electrical Component List
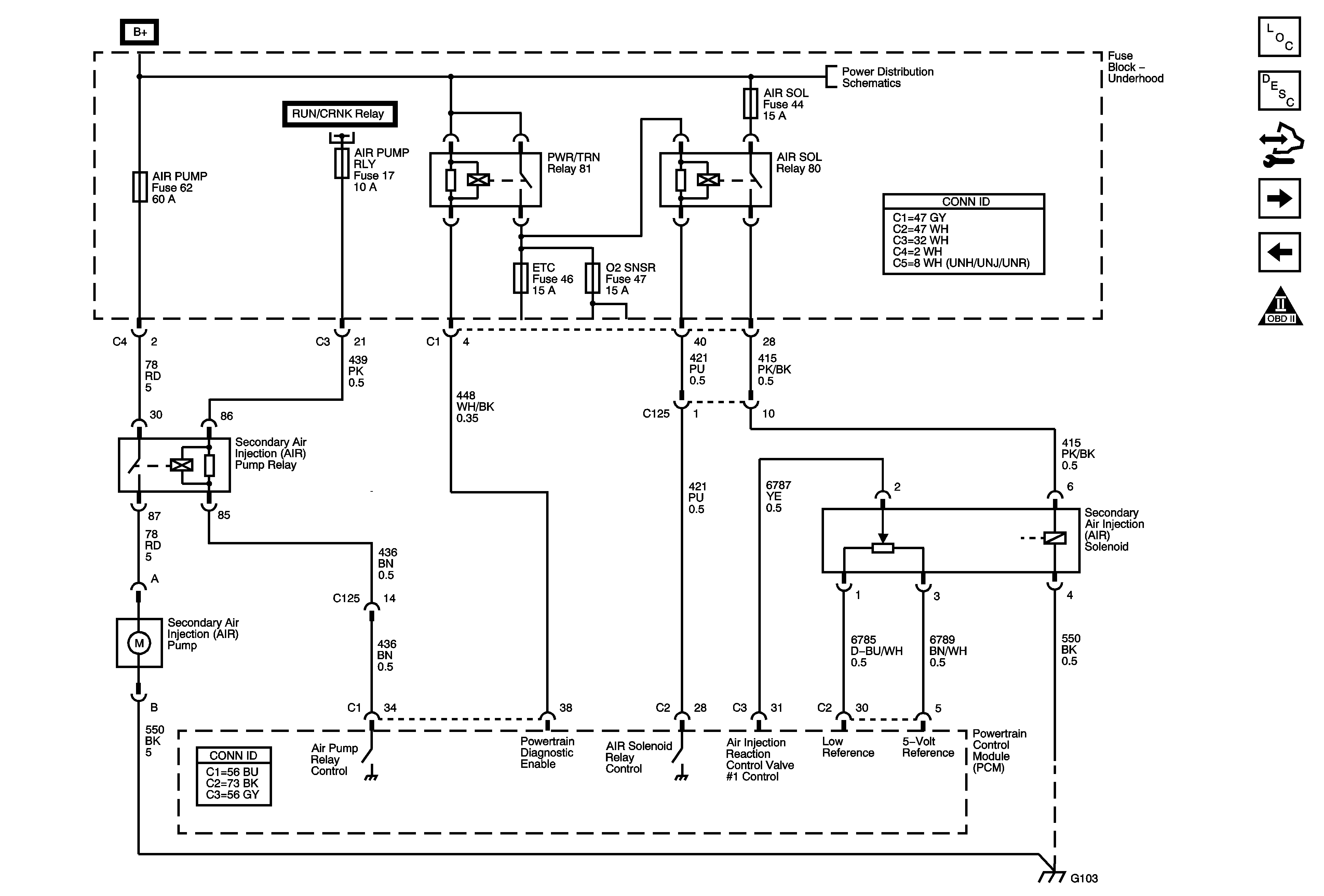
Powertrain Control Module Description
Control Module References
Controlled/Monitored Subsystem and Transmission References
Fuel and EVAP Controls
Engine Controls Schematic Icons
Module Power, Ground, Serial Data, MIL, and DLC
G100, G102, G103, G104, G110, and G120