GM Service Manual Online
For 1990-2009 cars only
Makes
🢒
Holden
🢒
2008
🢒
Barina
🢒 Driver Information Schematics
Driver Information Schematics
Master Electrical Component List (Notchback)
Control Module References
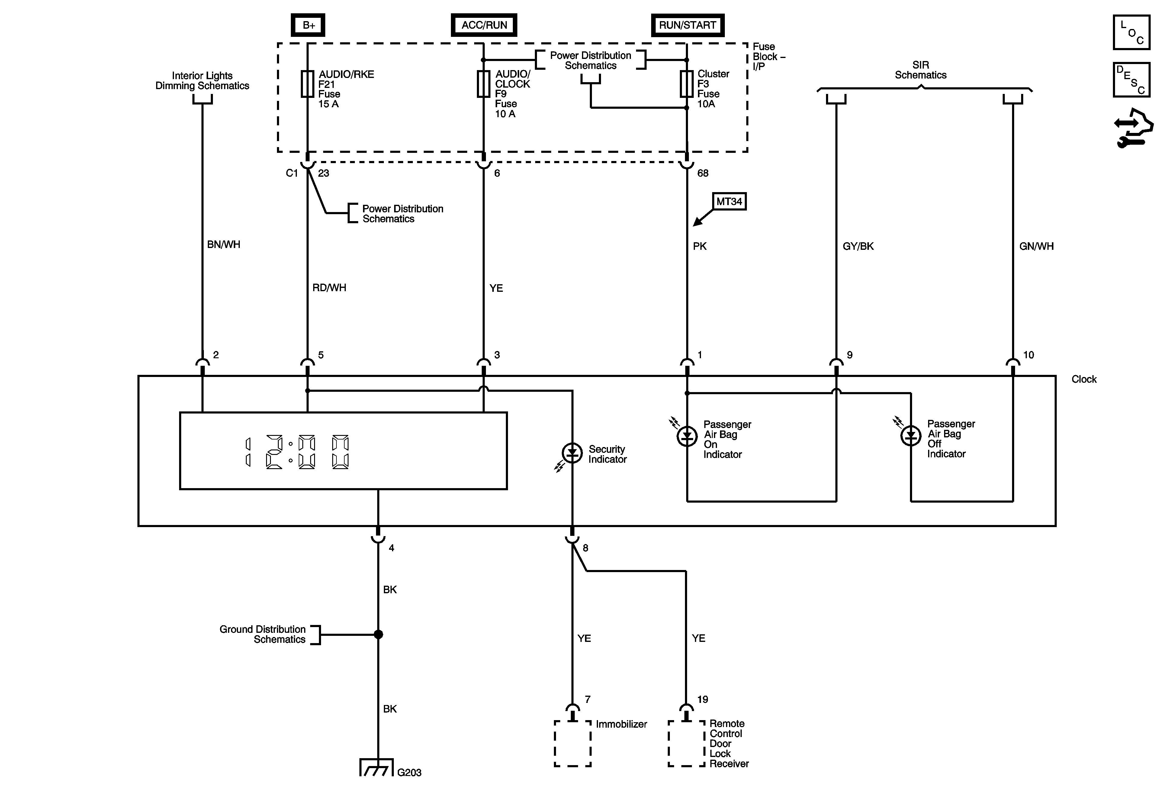
Interior Lights Dimming Schematics (1 of 2)
IGN 2/ST Fuse, Ignition Switch, CIGAR, AUDIO/CLOCK, CLUSTER, T/SIG Fuses
SIR System w/o Passenger Presence System (PPS)
AUDIO/RKE, DEFOGGER, DEFOG MIRROR Fuses
G203
G203