GM Service Manual Online
For 1990-2009 cars only
Makes
🢒
Holden
🢒
2008
🢒
Barina
🢒 RHD
RHD
RHD
Master Electrical Component List Notchback
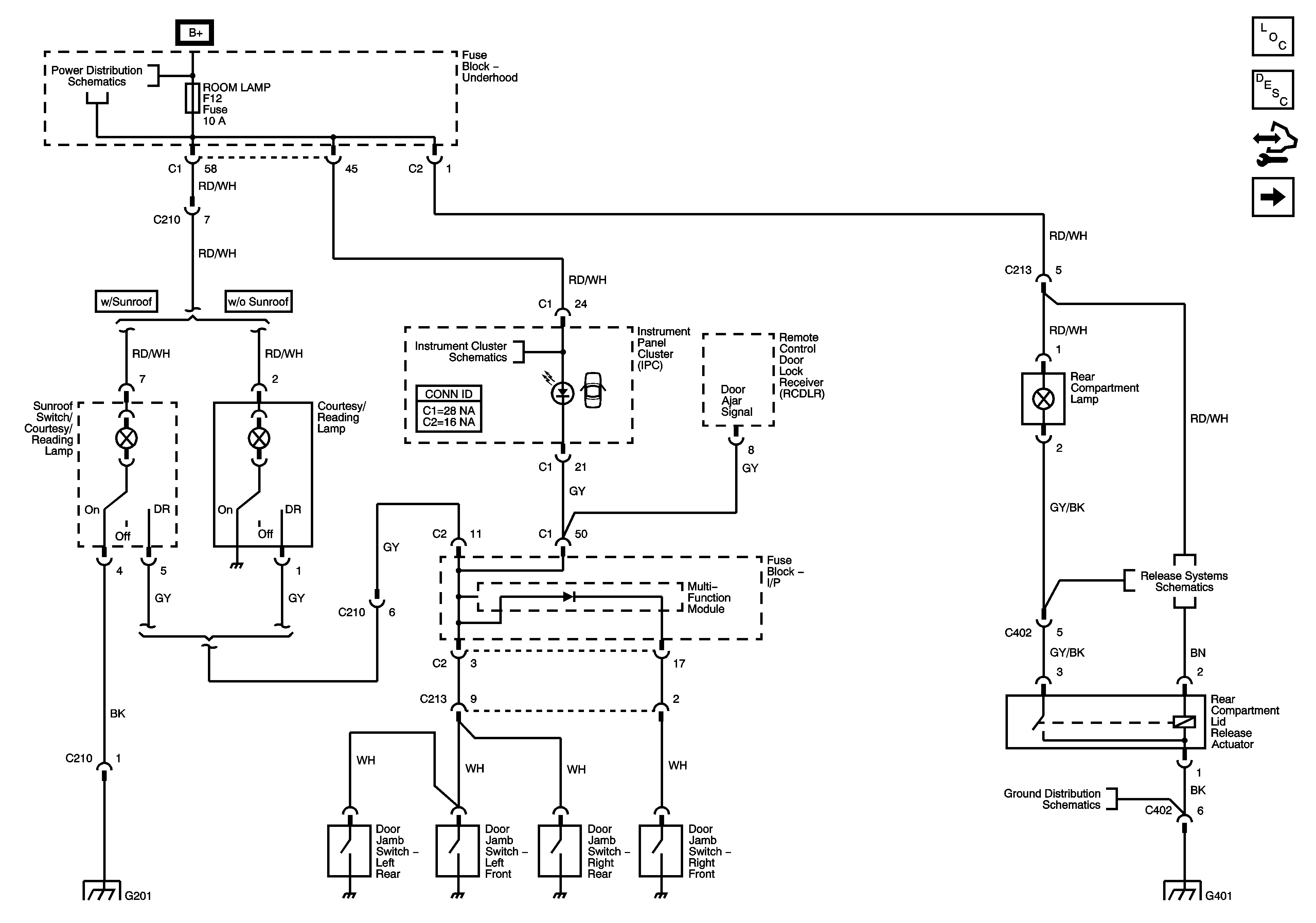
Interior Lighting Systems Description and Operation
Control Module References
LHD
ROOM LAMP, SUNROOF, SPARE Fuses
Instrument Cluster Power and Ground, Ambient Temperature, Engine Temperature, Fuel, Speed Gages
Release Systems Schematics
G401, G402
G201 - 1 of 3
G401, G402